| ²é¿´: 1563 | »Ø¸´: 5 | ||
| ¡¾ÐüÉͽð±Ò¡¿»Ø´ð±¾ÌûÎÊÌ⣬×÷ÕßÑÕ¹·µÜµÜ½«ÔùËÍÄú 20 ¸ö½ð±Ò | ||
ÑÕ¹·µÜµÜгæ (³õÈëÎÄ̳)
|
[ÇóÖú]
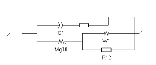
½»Á÷×迹Æ×·ÖÎö ÒÑÓÐ2È˲ÎÓë
|
|
|
|
||
Ìì±ß091Ìú¸Ëľ³æ (ÕýʽдÊÖ)
|
||
|
2Â¥2021-03-30 15:07:58
|
|
|
ÑÕ¹·µÜµÜгæ (³õÈëÎÄ̳)
|
||
|
3Â¥2021-03-30 16:33:28
|
|
|
kesyľ³æ (Ö°Òµ×÷¼Ò)
|
||
|
4Â¥2021-03-30 17:48:46
|
|
|
ÑÕ¹·µÜµÜгæ (³õÈëÎÄ̳)
|
||
|
5Â¥2021-03-31 12:17:36
|
|
|
СºÚºÍСÃ×гæ (³õÈëÎÄ̳)
|
|
|
|
6Â¥2021-04-01 08:27:14
|
|
|














»Ø¸´´ËÂ¥