| 查看: 824 | 回复: 2 | ||
| 【悬赏金币】回答本帖问题,作者SpSuN_dlut将赠送您 20 个金币 | ||
SpSuN_dlut至尊木虫 (著名写手)
|
[求助]
纯铜TEM有类似析出相的物质,如何解释?
|
|
|
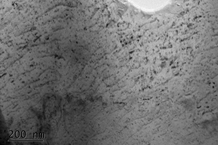
最近做纯铜的tem,发现好多类似于析出相的突起,不过经过标定高分辨ifft属于纯铜。各位有类似经历吗,这些类似于析出相的东西如何形成的? 微信截图_20210322132224.png 微信截图_20210322132307.png 微信截图_20210322132247.png 微信截图_20210322132408.png |
» 猜你喜欢
机械工程264学硕求调剂
已经有3人回复
264求调剂
已经有9人回复
求调剂
已经有6人回复
22408 266求调剂
已经有7人回复
求调剂
已经有14人回复
273求调剂
已经有43人回复
307求调剂
已经有13人回复
327求调剂
已经有7人回复
338求调剂
已经有6人回复
326分,一志愿沪9,求生物学调剂
已经有3人回复
gao03978
铁杆木虫 (著名写手)
- 应助: 4 (幼儿园)
- 金币: 12877.4
- 红花: 1
- 帖子: 1872
- 在线: 113小时
- 虫号: 1941846
- 注册: 2012-08-16
- 性别: GG
- 专业: 金属材料
2楼2021-03-24 00:31:06
SpSuN_dlut
至尊木虫 (著名写手)
- 应助: 59 (初中生)
- 金币: 13635.8
- 散金: 502
- 红花: 11
- 帖子: 1930
- 在线: 2598.4小时
- 虫号: 994177
- 注册: 2010-04-11
- 专业: 金属材料的力学行为
3楼2021-03-24 12:47:10














回复此楼