| 查看: 1779 | 回复: 13 | ||||
| 【有奖交流】积极回复本帖子,参与交流,就有机会分得作者 wuchengyou6097 的 10 个金币 ,回帖就立即获得 1 个金币,每人有 1 次机会 | ||||
[交流]
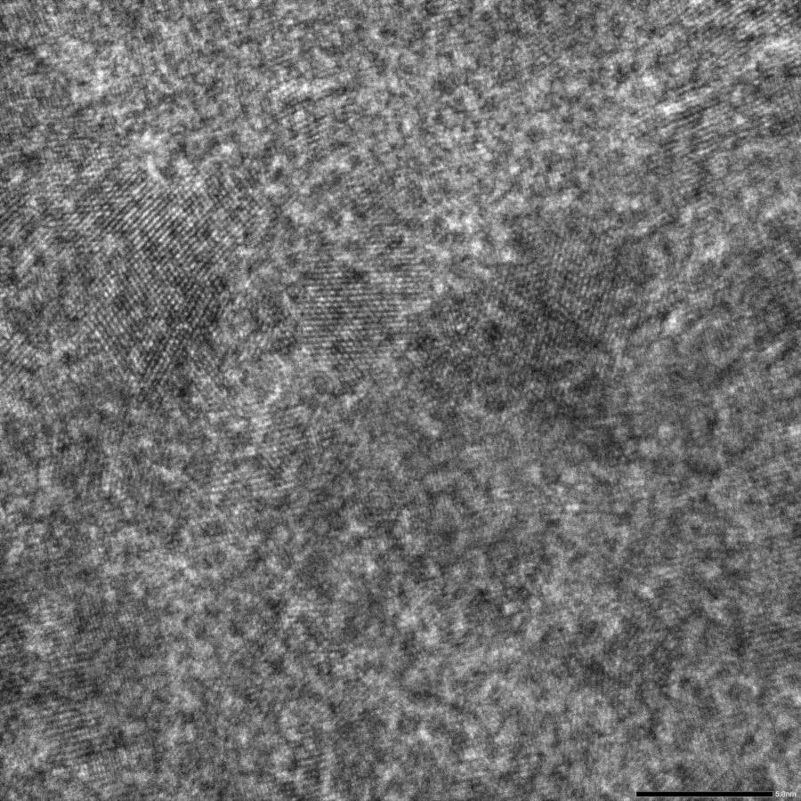
请大家帮我看看这个TEM衍射图是单晶还是多晶?如何判断的
|
||||
» 抢金币啦!回帖就可以得到:
河北大学分析化学招收多名调剂考生
+5/714
紧急接收光学工程博士(光纤激光器/超快光学/非线性光学方向)2026年9月入学
+1/182
生物与医药专业硕士调剂(河北大学 化学与材料科学学院)
+2/112
双一流南京医科大学招计算机、生物信息等方向调剂
+1/88
【考研调剂】华侨大学发光材料与信息显示研究院接收专硕和学硕调剂
+1/42
河南工业大学化学化工学院-调剂
+1/37
湖南理工大学,化学化工学院还有大量调剂名额
+1/20
湖北省重点大学,化工领域
+1/9
哈工大化工学院李蒙刚课题组招收2026年秋季入学博士生
+1/8
【博士招生】天津理工大学国家杰青王铁课题组招收2026年博士研究生
+1/8
东北石油大学招生调剂硕士生若干
+1/6
【#上海调剂急录#】能接受985联合培养的速来!带你发一区文章!
+1/6
招聘二维半导体材料方向博士后、联合培养博士生、硕士生
+1/5
2026年鲁东大学水产专业考研调剂-滨海生态高等研究院
+1/5
差旅首选:第一次出差佛山开住宿餐饮发票实体店电子专用,保姆级教程请收好
+1/5
硕士研究生调剂招生
+1/3
哈尔滨医科大学李老师课题组招收生物信息学方向博士、硕士研究生
+1/3
211/双一流---石河子大学---有机化学方向招调剂生
+1/2
上海交大-中科院杭州医学研究所联合招聘化学/药学/生物/人工智能方向博士后及科研助理
+2/2
苏州科技大学胡老师课题组招2026年硕士生若干名
+1/2
yanfang2741 
禁虫 (文坛精英)
★
wuchengyou6097(金币+1): 谢谢参与
wuchengyou6097(金币+1): 谢谢参与
|
本帖内容被屏蔽 |
4楼2021-03-17 06:50:51
7楼2021-03-17 14:51:40
gxytju2008
专家顾问 (文坛精英)
-

专家经验: +1654 - MN-EPI: 2
- 应助: 4105 (副教授)
- 贵宾: 0.053
- 金币: 47565.2
- 帖子: 14997
- 在线: 7316.1小时
- 虫号: 1111232
★
wuchengyou6097(金币+1): 谢谢参与
wuchengyou6097(金币+1): 谢谢参与
|
不好解释,你这个高分辨和衍射很难对的上,高分辨是小的多晶,衍射最后一个是单晶,其他的不典型,没法用,建议重做,在同一个位置和范围做衍射和高分辨 发自小木虫Android客户端 |
8楼2021-03-19 14:13:33
12楼2021-03-27 22:41:40
★
wuchengyou6097(金币+1): 谢谢参与
wuchengyou6097(金币+1): 谢谢参与
|
本帖内容被屏蔽 |
13楼2021-03-29 10:20:08
简单回复
tzynew2楼
2021-03-16 16:42
回复
wuchengyou6097(金币+1): 谢谢参与
o 发自小木虫Android客户端
Angler'3楼
2021-03-16 17:49
回复
wuchengyou6097(金币+1): 谢谢参与
。 发自小木虫Android客户端
2021-03-17 08:13
回复
wuchengyou6097(金币+1): 谢谢参与
7
muzi01046楼
2021-03-17 14:05
回复
wuchengyou6097(金币+1): 谢谢参与
55
竹笑风弦9楼
2021-03-19 14:56
回复
psylhh10楼
2021-03-21 23:12
回复
wuchengyou6097(金币+1): 谢谢参与
Angler'11楼
2021-03-21 23:20
回复
bjdxyxy14楼
2021-04-03 19:14
回复














回复此楼