| 查看: 1292 | 回复: 2 | ||
| 【悬赏金币】回答本帖问题,作者岸边2019将赠送您 5 个金币 | ||
[求助]
锻造产品,中间出现孔洞,分析孔洞成型原因
|
||
|
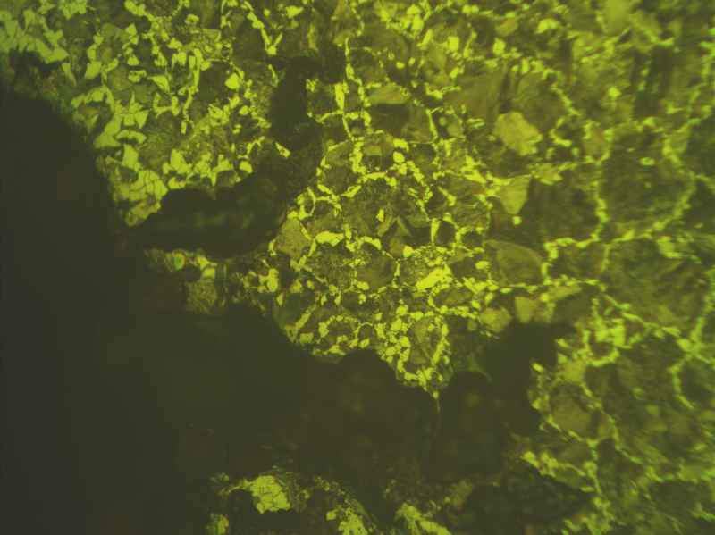
批量锻造产品,38Mn S6,之前生产过几十万件,可以肯定没有出现过,前段时间线上生产发现的,并不是每一只锻件都有,比例在30%左右,孔洞位置不定,数量一般是一个,最多两个,大小不一,深度在0.5~2.7mm。这种情况极少见,从事锻造工作五年以来第一次见到。我们初步判断最大的可能是气孔,但是没把握,因为对气孔的来源不解。现求助大家,希望能帮忙分析分析。图例是x100、x500、实物图。 发自小木虫Android客户端 |
» 猜你喜欢
招收0805(材料)调剂
已经有0人回复
招收0805(材料)调剂
已经有3人回复
金属材料论文润色/翻译怎么收费?
已经有159人回复
EBSD极图和反极图怎么看
已经有0人回复
晶圆激光切割保护液
已经有0人回复
AI有限融合复合材料多尺度建模
已经有0人回复
求收留
已经有8人回复
燕山大学纳米能源中心黄建宇课题组招生
已经有0人回复
青岛市直事业编,95硕,180 65,老家河南,爱好吉它唱歌
已经有0人回复
求助调剂推荐
已经有0人回复
355 山科电气专硕 调剂推荐
已经有1人回复
聊大小树林
铁杆木虫 (知名作家)
- 应助: 42 (小学生)
- 金币: 7746.2
- 散金: 3018
- 红花: 47
- 沙发: 2
- 帖子: 6048
- 在线: 1244小时
- 虫号: 1847532
- 注册: 2012-06-04
- 性别: GG
- 专业: 金属材料的合金相、相变及

2楼2021-02-19 18:58:51
3楼2021-02-19 21:43:35














回复此楼