| ²é¿´: 873 | »Ø¸´: 2 | |||
ÉÂÎ÷vividгæ (³õÈëÎÄ̳)
|
[½»Á÷]
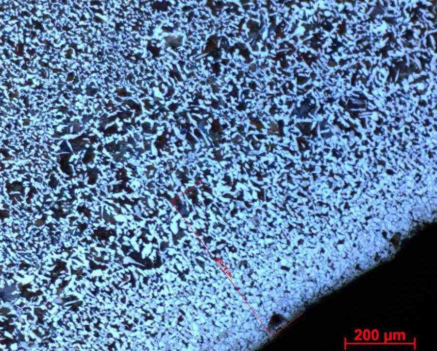
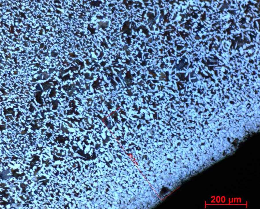
45¸ÖÔþºó´©Ë®Óëδ´©Ë®×éÖ¯¶Ô±È ÒÑÓÐ1È˲ÎÓë
|
|
ºóËÄÕÅΪδ´©Ë®×éÖ¯£¬Ç°Ã涼Ϊ´©Ë®×éÖ¯ ÆäÖÐ200΢Ã×Ϊ100±¶£¬500΢Ã×Ϊ50±¶£¬Çë¸÷λ´óÉñÕï¶ÏÏ£¿ ¸Ö²Ä¹æ¸ñ70mm£¬ÔþºóË®Àäºó£¬¸Ö²Ä±íÃæºÜ¿ì»ØÎµ½840¡æ×óÓÒ£¬´©Ë®Ç°Î¶ÈΪ950¡æ ·¢×ÔСľ³æAndroid¿Í»§¶Ë |
» ²ÂÄãϲ»¶
267Ò»Ö¾Ô¸ÄϾ©¹¤Òµ´óѧ0817»¯¹¤Çóµ÷¼Á
ÒѾÓÐ7È˻ظ´
Ò»Ö¾Ô¸»ªÖпƼ¼´óѧ£¬080502£¬354·ÖÇóµ÷¼Á
ÒѾÓÐ3È˻ظ´
Ò»Ö¾Ô¸Öйúº£Ñó´óѧ£¬ÉúÎïѧ£¬301·Ö£¬Çóµ÷¼Á
ÒѾÓÐ4È˻ظ´
Ò»Ö¾Ô¸ÎäÀí²ÄÁÏ305·ÖÇóµ÷¼Á
ÒѾÓÐ6È˻ظ´
²ÄÁÏר˶ӢһÊý¶þ306
ÒѾÓÐ3È˻ظ´
085600²ÄÁÏÓ뻯¹¤µ÷¼Á 324·Ö
ÒѾÓÐ7È˻ظ´
311Çóµ÷¼Á
ÒѾÓÐ3È˻ظ´
26µ÷¼Á/²ÄÁÏ/Ó¢Ò»Êý¶þ/×Ü·Ö289/ÒѹýAÇøÏß
ÒѾÓÐ7È˻ظ´
295Çóµ÷¼Á
ÒѾÓÐ5È˻ظ´
354Çóµ÷¼Á
ÒѾÓÐ5È˻ظ´
²ÄÁÏСµÜ
ͳæ (СÓÐÃûÆø)
- Ó¦Öú: 0 (Ó×¶ùÔ°)
- ½ð±Ò: 122.1
- ºì»¨: 2
- Ìû×Ó: 52
- ÔÚÏß: 46.1Сʱ
- ³æºÅ: 4180247
- ×¢²á: 2015-10-28
- ÐÔ±ð: MM
- רҵ: ½ðÊô²ÄÁÏ
2Â¥2021-02-18 15:45:16
ÉÂÎ÷vivid
гæ (³õÈëÎÄ̳)
- Ó¦Öú: 0 (Ó×¶ùÔ°)
- ½ð±Ò: 133.1
- Ìû×Ó: 45
- ÔÚÏß: 2.1Сʱ
- ³æºÅ: 24723436
- ×¢²á: 2020-12-10
- רҵ: ¸ÖÌúÒ±½ð
3Â¥2021-02-18 16:41:16













»Ø¸´´ËÂ¥
5