| 查看: 1407 | 回复: 2 | ||
| 【悬赏金币】回答本帖问题,作者MG_Zeng将赠送您 10 个金币 | ||
MG_Zeng新虫 (小有名气)
|
[求助]
中锰钢金相组织辨识
|
|
|
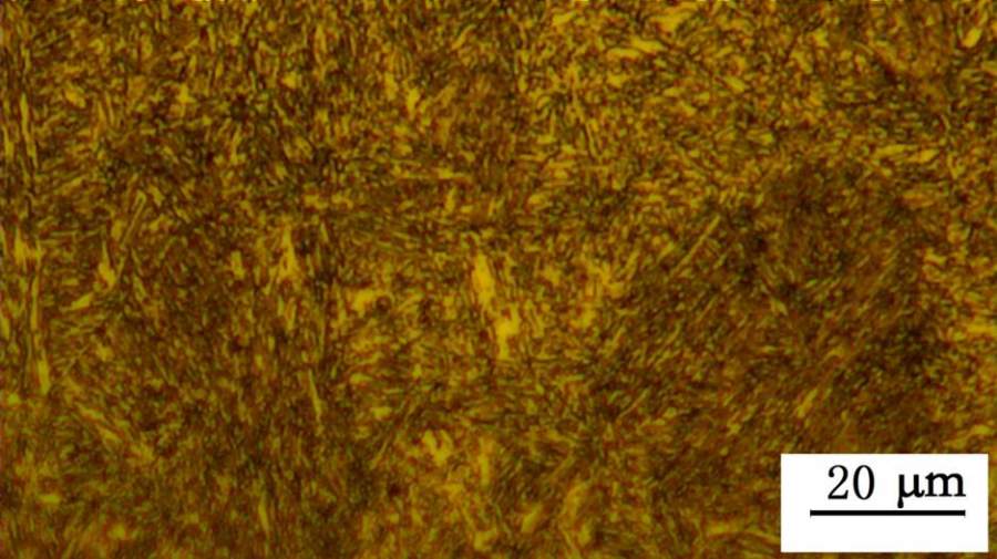
图1为热处理工艺700℃退火1h,水冷,200℃回火20min,水冷, 图2为热处理工艺750℃退火1h,水冷,200℃回火20min,水冷, 图3为热处理工艺800℃退火1h,水冷,200℃回火20min,水冷, 材料为0.38C-4Mn-3Al的中锰钢,原始状态为锻态,原始组织全马氏体,前面三个为原图,后面三个为我标的组织,求热处理后金相组织标得是否正确 图片1.jpg 图片2.jpg 图片3.jpg 图片1.PNG 图片2.PNG 图片3.PNG@comma |
» 猜你喜欢
材料专硕283求调剂
已经有10人回复
材料与化工306分找调剂
已经有13人回复
材料调剂
已经有10人回复
085600,321分求调剂
已经有10人回复
0817化学工程与技术求调剂,一志愿中海洋319
已经有8人回复
一志愿北京2,材料与化工308求调剂
已经有9人回复
材料与化工371求调剂
已经有3人回复
285求调剂
已经有9人回复
材料专硕322分
已经有11人回复
材料调剂
已经有8人回复
» 本主题相关商家推荐: (我也要在这里推广)
2楼2020-10-09 17:45:09
MG_Zeng
新虫 (小有名气)
- 应助: 0 (幼儿园)
- 金币: 171.3
- 散金: 10
- 帖子: 65
- 在线: 6.6小时
- 虫号: 15875763
- 注册: 2019-08-08
- 性别: GG
- 专业: 金属结构材料
3楼2020-10-10 11:48:30














回复此楼