| ²é¿´: 1293 | »Ø¸´: 4 | |||
ĺÓêpromoгæ (СÓÐÃûÆø)
|
[½»Á÷]
GH4169ºÏ½ð¸¯Ê´·½·¨½»Á÷ ÒÑÓÐ1È˲ÎÓë
|
|
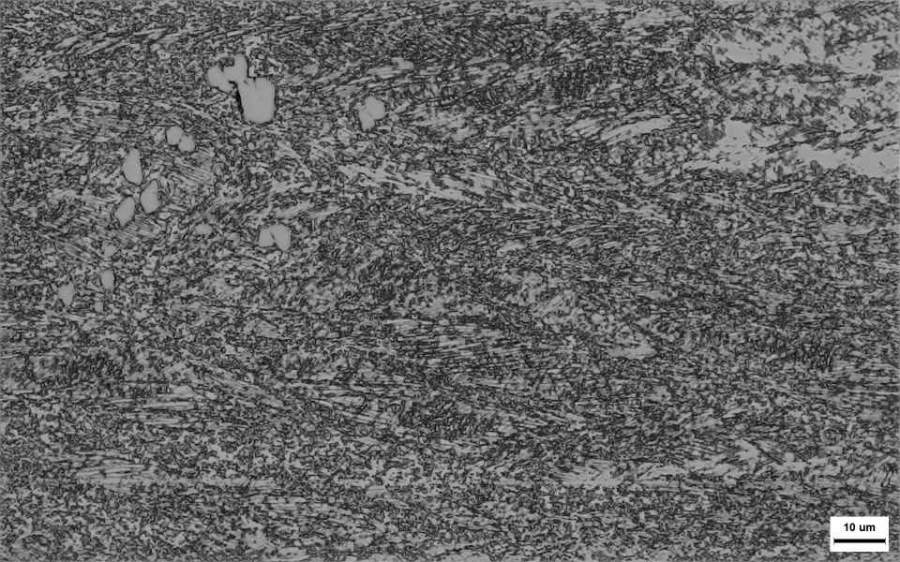
±¾ÈË˶ʿ¿ÎÌâÑо¿µÄºÏ½ðΪgh4169£¬Ò²¾ÍÊÇinconel 718£¬¾¹ýÒ»Äê¶àµÄʵ¼ù£¬³É¹¦±ÏÒµ£¬ÏÖ½«¸ÃºÏ½ð·Ý¸¯Ê´·½·¨¼òµ¥·ÖÏí¡£ ¶ÔÓÚ¹ÌÈÜ̬£¬ÀäÔþ̬µÄ×éÖ¯ÒÔ¼°Îö³öÏ࣬¿ÉÓÃ20mlhcl+20mlc2h5oh+5gcuso4ÈÜÒº£¬Èç¹û¸¯Ê´½Ïdz£¬¿ÉÓÃÃÞ»¨²ÁÊ㬾ßÌå½ðÏàÈçÏÂͼ123Ëùʾ ¡£ µ«¶ÔÓÚÉÏÊö¸¯Ê´Òº£¬ÄÑÒÔÏÔʾ¸ÃºÏ½ð¾§½ç£¬ÈçÐè²âÊÔ¾§Á£³ß´ç£¬×îºÃÓñ¥ºÍµÄ²ÝËáË®ÈÜÒº½øÐеç½â¸¯Ê´£¬µçѹ10v £¬Ê±¼ä10s£¬Ð§¹ûͼÈçͼ4Ëùʾ¡£ ·¢×ÔСľ³æAndroid¿Í»§¶Ë |
» ²ÂÄãϲ»¶
ºÓÄÏÀí¹¤´óѧԤ¼Æ½ÓÊÕ¹¤Ñ§µ÷¼ÁÑо¿Éú4ÔÂ10¸´ÊÔ
ÒѾÓÐ1È˻ظ´
Çà»ù×îºóÒ»Ä꣬Æí¸£ÇóºÃÔË£¡
ÒѾÓÐ51È˻ظ´
½ðÊô²ÄÁÏÂÛÎÄÈóÉ«/·ÒëÔõôÊÕ·Ñ?
ÒѾÓÐ186È˻ظ´
JOMͶ¸åºóÖ»ÄÜͨѶ×÷ÕßϵͳÀïÃæÏÔʾÂð
ÒѾÓÐ7È˻ظ´
ÄûÃÊËáÑÎÝÍÈ¡
ÒѾÓÐ0È˻ظ´
µç»¯Ñ§²ÄÁÏsciÖúÁ¦
ÒѾÓÐ0È˻ظ´
¿óÎï¼Ó¹¤²©Ê¿ÉêÇë
ÒѾÓÐ1È˻ظ´
ÇóÖúһЩ¿óÒµÀàÁìÓò²»ÊÕ°æÃæ·Ñ»ò°æÃæ·ÑµÍµÄÆÚ¿¯
ÒѾÓÐ5È˻ظ´
273Çóµ÷¼Á
ÒѾÓÐ4È˻ظ´
±¾¿ÆÌ«ÔÀí¹¤²É¿ó¹¤³Ì£¬Çóµ÷¼Á
ÒѾÓÐ3È˻ظ´
ÉñÖ®×ÓÖ®Éñ.
Ìú³æ (ÖøÃûдÊÖ)
- Ó¦Öú: 1 (Ó×¶ùÔ°)
- ½ð±Ò: 5794.7
- ºì»¨: 18
- Ìû×Ó: 1220
- ÔÚÏß: 38.7Сʱ
- ³æºÅ: 3762838
- ×¢²á: 2015-03-24
- ÐÔ±ð: GG
- רҵ: ½ðÊô²ÄÁÏ

2Â¥2020-08-24 08:00:45
ÉñÖ®×ÓÖ®Éñ.
Ìú³æ (ÖøÃûдÊÖ)
- Ó¦Öú: 1 (Ó×¶ùÔ°)
- ½ð±Ò: 5794.7
- ºì»¨: 18
- Ìû×Ó: 1220
- ÔÚÏß: 38.7Сʱ
- ³æºÅ: 3762838
- ×¢²á: 2015-03-24
- ÐÔ±ð: GG
- רҵ: ½ðÊô²ÄÁÏ

3Â¥2020-08-24 08:01:19
ĺÓêpromo
гæ (СÓÐÃûÆø)
- Ó¦Öú: 0 (Ó×¶ùÔ°)
- ½ð±Ò: 812.4
- É¢½ð: 20
- Ìû×Ó: 246
- ÔÚÏß: 19.9Сʱ
- ³æºÅ: 11599043
- ×¢²á: 2018-11-11
- ÐÔ±ð: GG
- רҵ: ½ðÊô½á¹¹²ÄÁÏ
4Â¥2020-08-24 13:12:17
ĺÓêpromo
гæ (СÓÐÃûÆø)
- Ó¦Öú: 0 (Ó×¶ùÔ°)
- ½ð±Ò: 812.4
- É¢½ð: 20
- Ìû×Ó: 246
- ÔÚÏß: 19.9Сʱ
- ³æºÅ: 11599043
- ×¢²á: 2018-11-11
- ÐÔ±ð: GG
- רҵ: ½ðÊô½á¹¹²ÄÁÏ
5Â¥2020-08-24 13:13:01














»Ø¸´´ËÂ¥