| 查看: 753 | 回复: 2 | ||
| 【悬赏金币】回答本帖问题,作者IrisYang99将赠送您 5 个金币 | ||
[求助]
氨基酸含测求助 已有1人参与
|
||
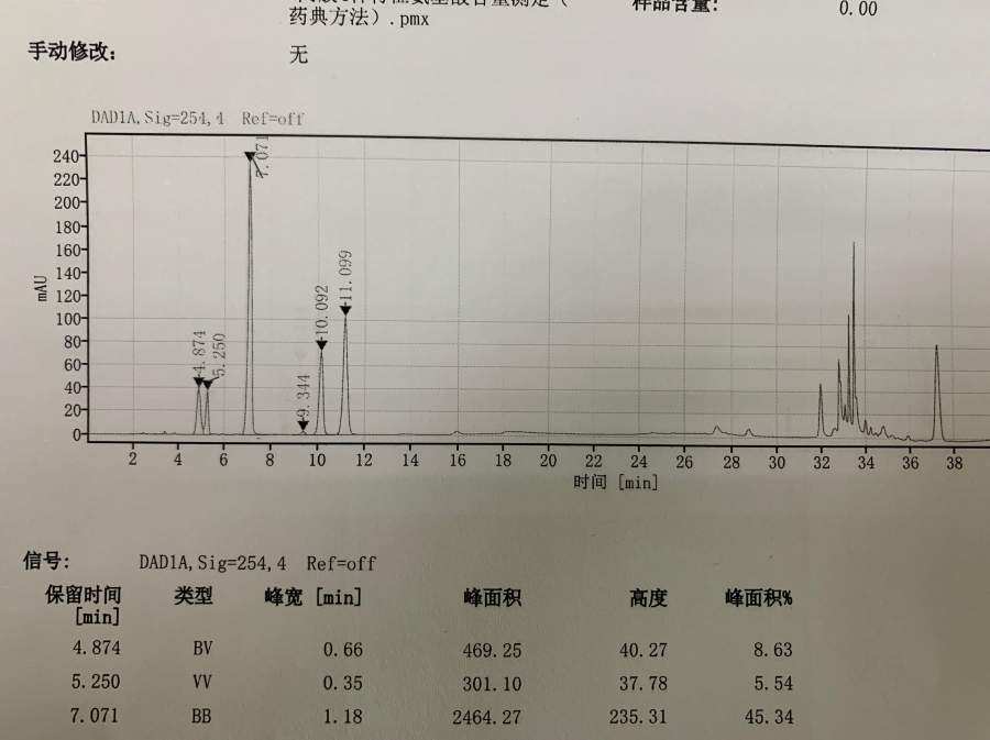
根据药典方法测定阿胶中4种氨基酸的含量,其中L-羟脯氨酸出了2个峰,峰高相同,样品和对照品都是这样,如下图。有没有大神可以帮忙解答一下是什么问题谢谢~![]() 0685082E38D1200503B5C236A5B97E2B.png |
» 猜你喜欢
本9一志愿2 0854低分专硕286求调剂
已经有8人回复
070300化学求调剂
已经有15人回复
329求调剂
已经有12人回复
085701求调剂
已经有6人回复
26考研调剂0710 0860
已经有7人回复
材料专业383求调剂
已经有8人回复
一志愿北京科技大学材料工程085601,求调剂
已经有17人回复
一志愿郑州大学材料与化工085600,求调剂
已经有19人回复
085600,专业课化工原理,321分求调剂
已经有8人回复
求生物学调剂
已经有11人回复
2楼2020-08-17 09:12:17
ltxin2009
铁杆木虫 (职业作家)
- ACI: 1
- 应助: 157 (高中生)
- 贵宾: 0.368
- 金币: 6510.3
- 散金: 1025
- 红花: 29
- 沙发: 1
- 帖子: 3711
- 在线: 1610.3小时
- 虫号: 1100553
- 注册: 2010-09-16
- 性别: GG
- 专业: 色谱分析
3楼2020-08-18 08:51:14















回复此楼