| ²é¿´: 400 | »Ø¸´: 0 | ||
| ¡¾ÐüÉͽð±Ò¡¿»Ø´ð±¾ÌûÎÊÌ⣬×÷ÕßÂí¸ÖÓ꽫ÔùËÍÄú 5 ¸ö½ð±Ò | ||
Âí¸ÖÓêгæ (³õÈëÎÄ̳)
|
[ÇóÖú]
ÇóÖúÌû
|
|
|
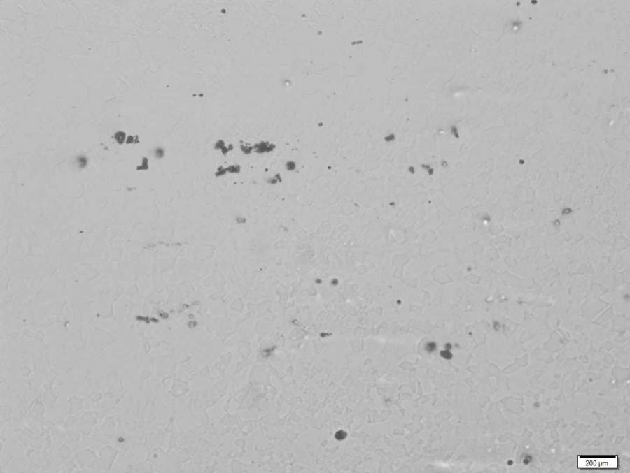
ÓгæÓÑÁ˽âAZ31þºÏ½ðµÄµç½âÅ×¹âÂÎÒÓÃÁË-30¡æ£¬µçѹ15v£¬µçÁ÷0.02A£¬Å×¹âʱºò150s¡£Å×Íêºó£¬±íÃæ×ÜÊÇÓдóÁ¿ºÚµã¡£ÓÐÈËÖªµÀÕ¦½â¾öÂлл¡£ ·¢×ÔСľ³æAndroid¿Í»§¶Ë |
» ²ÂÄãϲ»¶
271²ÄÁϹ¤³ÌÇóµ÷¼Á
ÒѾÓÐ5È˻ظ´
281Çóµ÷¼Á£¨0805£©
ÒѾÓÐ16È˻ظ´
304Çóµ÷¼Á
ÒѾÓÐ6È˻ظ´
²ÄÁϹ¤³Ìר˶µ÷¼Á
ÒѾÓÐ6È˻ظ´
Ò»Ö¾Ô¸Ìì´ó²ÄÁÏÓ뻯¹¤£¨085600£©×Ü·Ö338
ÒѾÓÐ4È˻ظ´
085700×ÊÔ´Óë»·¾³308Çóµ÷¼Á
ÒѾÓÐ3È˻ظ´
Çó²ÄÁϵ÷¼Á
ÒѾÓÐ8È˻ظ´
294Çóµ÷¼Á²ÄÁÏÓ뻯¹¤×¨Ë¶
ÒѾÓÐ5È˻ظ´
Ò»Ö¾Ô¸»ªÖпƼ¼´óѧ£¬080502£¬354·ÖÇóµ÷¼Á
ÒѾÓÐ4È˻ظ´
Ò»Ö¾Ô¸¼ªÁÖ´óѧ²ÄÁÏѧ˶321Çóµ÷¼Á
ÒѾÓÐ6È˻ظ´













»Ø¸´´ËÂ¥
50