| 查看: 1169 | 回复: 1 | |
| 【悬赏金币】回答本帖问题,作者Mons7er将赠送您 5 个金币 | |
[求助]
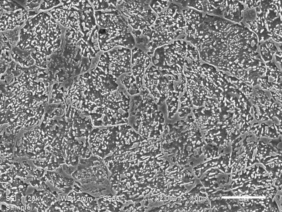
粒状贝氏体组织分析
|
|
|
|
|
|
2楼2020-07-31 11:46:05
|
|














回复此楼