| ²é¿´: 924 | »Ø¸´: 3 | ||
| ¡¾ÐüÉͽð±Ò¡¿»Ø´ð±¾ÌûÎÊÌ⣬×÷Õßkinghzz½«ÔùËÍÄú 5 ¸ö½ð±Ò | ||
kinghzzгæ (³õÈëÎÄ̳)
|
[ÇóÖú]
¶Ï¿ÚµÄ·ÖÎöÇóÖ¸½Ì ÒÑÓÐ2È˲ÎÓë
|
|
|
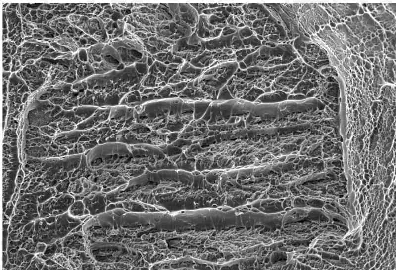
îѺϽð£¬×é֯ΪÂíÊÏÌå°åÌõºÍĸÏà¡£ÇëÎʶϿÚÖÐÀàËÆ°åÌõ£¬Ï໥ƽÐеÄÊÇÊ²Ã´ÄØ£¬»¹ÓйµÛÖ´¦ÓÐЩϸËéµÄÊÇÊ²Ã´ÄØ£¿Çë¸÷λ´óÉñÖ¸µãһϣ¬Ð»Ð» ·¢×ÔСľ³æAndroid¿Í»§¶Ë |
» ²ÂÄãϲ»¶
293µ÷¼Á
ÒѾÓÐ3È˻ظ´
»úе¹¤³Ì264ѧ˶Çóµ÷¼Á
ÒѾÓÐ3È˻ظ´
264Çóµ÷¼Á
ÒѾÓÐ9È˻ظ´
Çóµ÷¼Á
ÒѾÓÐ6È˻ظ´
22408 266Çóµ÷¼Á
ÒѾÓÐ7È˻ظ´
Çóµ÷¼Á
ÒѾÓÐ14È˻ظ´
273Çóµ÷¼Á
ÒѾÓÐ43È˻ظ´
307Çóµ÷¼Á
ÒѾÓÐ13È˻ظ´
327Çóµ÷¼Á
ÒѾÓÐ7È˻ظ´
338Çóµ÷¼Á
ÒѾÓÐ6È˻ظ´
¸Ðл²ÎÓ룬ӦÖúÖ¸Êý +1
|
±¾ÌûÄÚÈݱ»ÆÁ±Î |
2Â¥2020-07-11 12:25:40
kinghzz
гæ (³õÈëÎÄ̳)
- Ó¦Öú: 0 (Ó×¶ùÔ°)
- ½ð±Ò: 10.6
- Ìû×Ó: 29
- ÔÚÏß: 27.3Сʱ
- ³æºÅ: 4988263
- ×¢²á: 2016-09-07
- רҵ: ½ðÊô½á¹¹²ÄÁÏ
|
ÇëÎÊÄÇЩ°åÌõÐÎ״͹ÆðÎïÊÇÊ²Ã´ÄØ£¬ºÍÂíÊÏÌå°åÌõÓйØÂð£¬ÂíÊÏÌåÊÇhcp£¬»ùÌåÊÇbcc ·¢×ÔСľ³æAndroid¿Í»§¶Ë |
3Â¥2020-07-11 16:55:32
kissego100
ͳæ (ÖøÃûдÊÖ)
- MM-EPI: 6
- Ó¦Öú: 429 (˶ʿ)
- ½ð±Ò: 14.2
- É¢½ð: 110
- ºì»¨: 64
- Ìû×Ó: 2341
- ÔÚÏß: 1026.6Сʱ
- ³æºÅ: 4025924
- ×¢²á: 2015-08-17
- ÐÔ±ð: GG
- רҵ: »ù´¡ÎïÀíѧ

4Â¥2020-07-14 15:42:38














»Ø¸´´ËÂ¥