| ²é¿´: 569 | »Ø¸´: 0 | |||
̨ʽµç¾µ
|
[½»Á÷]
ɨÃèµç¾µ | 3D ´òÓ¡²úÆ·ÖÊÁ¿¿ØÖÆ
|
|
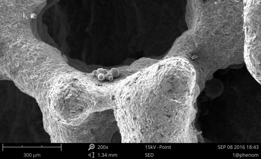
½üÄêÀ´£¬Í¨¹ý 3D ´òÓ¡¶¨ÖƹǿÆÖ²ÈëÎïµÄÓÅÊÆµÃµ½ÁË´ó¼ÒµÄÆÕ±éÈϿɣ¬µ«ÊÇ 3D ´òÓ¡ÈÔÃæÁÙ¼¼Êõ¹¤ÒÕÍêÉÆºÍ²úÆ·°²È«ÐÔµÄÌôÕ½¡£ ͼƬÀ´×Ô ZSFab ¹ÙÍø£¬·Ö±ðΪ 3D ´òÓ¡¹É¹Ç±ú¡¢÷žʱ¡¢È˹¤×µÌå ½ðÊô·ÛÄ©µÄÖÊÁ¿¶Ô 3D ´òÓ¡²úÆ·µÄ×îÖÕÖÊÁ¿ÓÐ×ÅÖÁ¹ØÖØÒªµÄ×÷Óã¬ÆäÖзÛÄ©Á£¾¶·Ö²¼ºÍÐÎòÊÇÁ½¸öÖØÒªÌØÕ÷¡£ ͨ¹ý·ÉÄĘ́ʽ£¨³¡·¢É䣩ɨÃèµç¾µºÍÅäÌ×Á£¾¶·ÖÎöÈí¼þPhenom Prosuite£¬¿ÉÒÔ´Ó¶à¸öά¶È¶Ô½ðÊô·ÛÄ©½øÐпìËÙ±íÕ÷¡£ SEM ÐÎòѧ³ÉÏñ ×÷Ϊ±íÃæ³ÉÏñ¹¤¾ß£¬SEM ×îÆÕ±éµÄÓ¦ÓþÍÊǶ¨ÐÔÆÀ¹À 3D ´òÓ¡·ÛÄ©µÄÐÎò£¬Õ³Á¬£¬ÐÎ×´£¬Ô²¶È£¬ÎÀÐÇÇò£¨´ó¿ÅÁ£Éϸ½×ÅС¿ÅÁ££©¡£ ͼ 1£¬2 ΪÁ½¸ö²»Í¬¹©Ó¦É̵ÄÔÁÏ·ÛÄ©¡£ ͼ 1 ÕûÌåÁ£¾¶Ò»Ö£¬ÐÎ×´¹æÔòÔ²ÐΣ¬ÎÞÕ³Á¬£¬ÎÞ²»¹æÔò¿ÅÁ££¬ÐÎÃ²ÌØÕ÷ºÃ¡£ ͼ1 ͼ 2 ¿ÅÁ£Ôò´óС¸÷Ò»£¬ÇÒ´æÔÚ¿ÅÁ£Õ³Á¬£¬ÎÀÐÇÇòµÈȱÏÝ¡£ÈôÑ¡Óà 2 ºÅÑùÆ·£¬ÔòÊÆ±Ø»áÓ°Ïì×îÖÕ´òÓ¡²úÆ·µÄÖÊÁ¿£¬½ø¶øÓ°Ï컼ÕߵĽ¡¿µ°²È«¡£ ͼ2. À¶É«Îªð¤Á¬£¬ÂÌɫΪÎÀÐÇÇò£¬ºìɫΪ²»Ô² ¿ÅÁ£ÏµÍ³·ÖÎö ¶¨ÐÔ·ÖÎö±Ï¾¹Ö»ÄÜ¿´¸ö´ó¸Å£¬¶øÍ¨¹ý·ÉÄÉÌṩµÄרҵµÄÁ£¾¶·ÖÎöϵͳÔò¿ÉÒÔ¶Ô·ÛÌå½øÐÐͳ¼ÆÑ§¶¨Á¿·ÖÎö¡£ ·ÉÄÉ¿ÅÁ£Í³¼Æ·ÖÎö²âÁ¿ÏµÍ³Ñ§Ãû Particle Metric£¬¿ÉÒÔ¶Ô·ÛÄ©µÄÁ£¶ÈÒÔ¼°·Ö²¼£¬Ô²¶È£¬Ãæ»ý£¬µÈ 14 ÏîÌØÕ÷²ÎÊý½øÐÐ׼ȷ·ÖÎö£¬²¢ÇÒ¿ÉÒÔ¸ø³ö D50£¬D90 µÈÊý¾Ý¡£ ²»Í¬ÓÚ¼¤¹âÁ£¶ÈÒÇ£¬·ÉÄÉ¿ÅÁ£ÏµÍ³ÊÇ»ùÓÚɨÃèµç¾µÍ¼ÏñµÄ·ÖÎöÈí¼þ£¬ÑÛ¼ûΪʵ£¬²âÁ¿¸üΪ¾«×¼¡£ »ùÓÚ±³É¢Éä»ò¶þ´Îµç×ÓͼÏñʶ±ð£¬¿ÅÁ£ÏµÍ³×Ô¶¯¶Ôÿһ¿Å¿ÅÁ£µÄ¸÷ÏîÌØÕ÷½øÐзÖÎö£¨¼ûͼ 3£©£¬´Ó¶ø¸ø³ö¸÷ÏîÌØÕ÷µÄÖù×´·Ö²¼Í¼£¬Ò²¿ÉÒÔ¸ø³öÁ½¸ö²»Í¬²ÎÊýµÄÉ¢µã·Ö²¼Í¼£¨¼ûͼ 4£©¡£ ͼ3. ¿ÅÁ£Ê¶±ðʾÒâͼ ͼ4 . µ±Á¿Ô²Ö±¾¶Öù×´·Ö²¼Í¼£¬×󣬰´Ìå»ý£¨ÖØÁ¿Ë㣩£¬ÓÒ£¬°´¸öÊýËã¡£ ɨÃèµç¾µÓë 3D ´òÓ¡ ÔÚÀûÓýðÊô·ÛÄ©´òÓ¡¶à¿×½á¹¹µÄ¹Ç¿ÆÖ²ÈëÎïµÄ¹ý³ÌÖУ¬½ðÊô·ÛÄ©µÄÖÊÁ¿¡¢´òÓ¡¹ý³Ì²ÎÊýÉ趨ӰÏì×ŲúÆ·µÄʹÓÃÐÔÄÜ£¬ÓÉÓÚ½ðÊô·ÛÄ©ÈÛÈÚ²»³¹µ×£¬´òÓ¡Íê³ÉºóµÄ²úÆ·»á´æÔÚ½ðÊô·ÛÄ©¸½×ŵÄÇé¿ö£¬½ðÊô·ÛÄ©Á£¾¶Ð¡£¬Èô½ðÊô·Ûĩȥ³ý²»³¹µ×£¬²úÆ·ÔÚÖ²ÈëÈËÌåºó£¬´æÔÚ½ðÊô¿ÅÁ£ÍÑÂäµÄ¿ÉÄÜ£¬´Ó¶øÒý·¢²¢·¢Ö¢µÄ·çÏÕ»á´ó´óÌáÉý£¬Ò²Í¬Ñù¶Ô²úÆ·µÄ°²È«ÓÐЧÐÔ²úÉúÓ°Ïì¡£[1] ͨ¹ý·ÉÄÉɨÃèµç×ÓÏÔ΢¾µ¿ÉÒÔ¶Ô²úÆ·±íÃæ½øÐнðÊô¿ÅÁ£¸½×ŽøÐпìËÙÓÐЧ·ÖÎö£¬ÒÀ¾Ý´Ë½á¹û½øÐй¤ÒÕ²ÎÊýµ÷Õû£¬ÓÅ»¯²úÆ·ÖÊÁ¿¡£ ͼ 5 ËùʾΪ 3D ´òÓ¡÷Å¹Ø½Ú SEM ÕÕÆ¬£¬Í¼Öпɼû¶à¸ö½ðÊô¿ÅÁ£¸½×Å£¬´æÔÚ°²È«Òþ»¼¡£ ¾Ý´Ë£¬¿ÉÒÔͨ¹ýµ÷Õû´òÓ¡¹ý³Ì²ÎÊý£¬»òÔö¼Ó¸ßѹ³åÏ´£¬³¬ÉùÇåÏ´£¬µÈÀë×Ó³åÏ´µÈ³åÏ´¹¤ÒÕ£¬ÒÔ¼õС½ðÊô¸½×Å¡£ ²Î¿¼ÎÄÏ× [1] 3D ´òÓ¡¹Ç¿ÆÖ²ÈëÎï½ðÊô·Ûĩȥ³ýµÄÏà¹Ø·½·¨½éÉÜ |
» ²ÂÄãϲ»¶
²ÄÁÏר˶(0856) 339·ÖÇóµ÷¼Á
ÒѾÓÐ4È˻ظ´
Ò»Ö¾Ô¸»ª¹¤085600 331·Ö
ÒѾÓÐ3È˻ظ´
268·Ö085602»¯Ñ§¹¤³Ìµ÷¼Á
ÒѾÓÐ4È˻ظ´
Ò»Ö¾Ô¸ÖпÆÔº105500רҵ×Ü·Ö315Çóµ÷¼Á
ÒѾÓÐ3È˻ظ´
²ÄÁÏ299ר˶Çóµ÷¼Á
ÒѾÓÐ6È˻ظ´
086004 Çóµ÷¼Á 309
ÒѾÓÐ6È˻ظ´
280Çóµ÷¼Á
ÒѾÓÐ3È˻ظ´
085400 328·Ö Çóµ÷¼Á
ÒѾÓÐ7È˻ظ´
²ÄÁÏר˶322
ÒѾÓÐ12È˻ظ´
Ò»Ö¾Ô¸»ªÖÐũ΢ÉúÎ288·Ö£¬ÈýÄêʵÑé¾Àú
ÒѾÓÐ3È˻ظ´














»Ø¸´´ËÂ¥