| 查看: 1322 | 回复: 5 | ||
[求助]
精密冲压模具设计问题(附零件图)
|
|
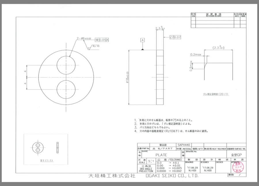
各位兄弟姐妹,大家好: 我是经朋友介绍刚刚来小木虫的新人,有个精密冲压件的模具设计问题想请教,希望各位前辈给解答一下。谢谢! 这个零件的模具设计,主要是两个孔之间的距离是2,板材厚度是2.3,进行冲压时不能保证断面质量,而该零件对断面要求较高(包括零件的外圆周),希望有前辈给点建议。谢谢! IMG_7269(20171106-162717).jpg |
» 猜你喜欢
AI有限元复合材料多尺度材料性能预测技术
已经有0人回复
机器学习辅助复合材料性能预测开发设计优化前沿技术
已经有0人回复
金属材料论文润色/翻译怎么收费?
已经有74人回复
黄色氧化锆
已经有1人回复
【求助】静电纺丝PVA膜交联硼酸
已经有0人回复
α-半水石膏酸溶液法制备
已经有0人回复
招收申请审核制博士研究生,硬碳、硅碳等碳基电化学储能材料方向
已经有3人回复
导电高分子用什么工艺处理分子链的堆叠会更加规整???
已经有23人回复
定制雾化喷头
已经有0人回复
无机非金属材料-申博
已经有23人回复
水系锌离子电池
已经有2人回复
2楼2017-11-06 20:10:01
3楼2017-11-06 20:22:05
hhhuang62
金虫 (小有名气)
- 应助: 0 (幼儿园)
- 金币: 2478.8
- 帖子: 89
- 在线: 227.2小时
- 虫号: 1341573
- 注册: 2011-07-09
- 性别: GG
- 专业: 零件成形制造
4楼2017-11-07 11:08:12
5楼2017-11-07 19:12:00
6楼2018-04-14 13:08:44













回复此楼