| 查看: 1633 | 回复: 9 | ||
Ken_Yang新虫 (小有名气)
|
[求助]
急GPC谱图中峰型向下的问题 已有2人参与
|
|
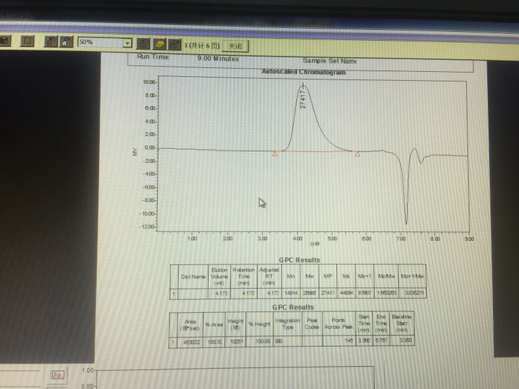
为什么用GPC 凝胶色谱测聚乙烯的谱图中会出现峰型向下(倒峰)?还有怎么分析Mn Mw Mp Mz 的意思?(体现分析材料的特征) 发自小木虫IOS客户端 |
» 猜你喜欢
压国家一区线,求导师收留,有恩必谢!
已经有7人回复
081200-11408-276学硕求调剂
已经有4人回复
22408 359分调剂
已经有4人回复
本科新能源科学与工程,一志愿华理能动285求调剂
已经有5人回复
一志愿华北电力大学能动专硕,293,求调剂
已经有5人回复
调剂310
已经有7人回复
食品工程专硕一志愿中海洋309求调剂
已经有6人回复
275求调剂
已经有14人回复
283求调剂
已经有3人回复
085602 化工专硕 338分 求调剂
已经有12人回复
» 本主题相关商家推荐: (我也要在这里推广)
stillocr
金虫 (正式写手)
- 应助: 207 (大学生)
- 金币: 1460.3
- 散金: 690
- 红花: 25
- 帖子: 865
- 在线: 262.7小时
- 虫号: 1800023
- 注册: 2012-05-07
- 性别: GG
- 专业: 高分子材料结构与性能
2楼2017-11-02 17:47:29
Ken_Yang
新虫 (小有名气)
- 应助: 0 (幼儿园)
- 金币: 141.5
- 散金: 50
- 帖子: 53
- 在线: 19.2小时
- 虫号: 7163928
- 注册: 2017-09-10
- 性别: GG
- 专业: 无机纳米化学
3楼2017-11-02 18:55:06
cym920520
木虫 (著名写手)
Ph. D
- 应助: 0 (幼儿园)
- 金币: 3077.6
- 散金: 164
- 红花: 10
- 沙发: 2
- 帖子: 1431
- 在线: 141.2小时
- 虫号: 2086720
- 注册: 2012-10-25
- 专业: 高分子科学
4楼2017-11-02 19:40:57
xiaoLifeiD
至尊木虫 (知名作家)
- PEPI: 6
- 应助: 930 (博后)
- 贵宾: 0.431
- 金币: 26749.8
- 散金: 371
- 红花: 149
- 沙发: 1
- 帖子: 7194
- 在线: 781.3小时
- 虫号: 303007
- 注册: 2006-12-03
- 专业: 高分子科学
【答案】应助回帖
★ ★ ★ ★ ★ ★ ★ ★ ★ ★ ★ ★ ★ ★ ★ ★ ★ ★ ★ ★ ★ ★ ★ ★ ★ ★ ★ ★ ★ ★ ★ ★ ★ ★ ★ ★ ★ ★ ★ ★ ★ ★ ★ ★ ★ ★ ★ ★ ★ ★
感谢参与,应助指数 +1
Ken_Yang: 金币+50, ★★★很有帮助 2017-11-08 23:54:31
感谢参与,应助指数 +1
Ken_Yang: 金币+50, ★★★很有帮助 2017-11-08 23:54:31
|
不用管倒的溶剂峰,早已经出了色谱柱的分离范围,看主峰即可 发自小木虫IOS客户端 |

5楼2017-11-02 21:34:19
Ken_Yang
新虫 (小有名气)
- 应助: 0 (幼儿园)
- 金币: 141.5
- 散金: 50
- 帖子: 53
- 在线: 19.2小时
- 虫号: 7163928
- 注册: 2017-09-10
- 性别: GG
- 专业: 无机纳米化学
6楼2017-11-02 22:02:05
HFMH
至尊木虫 (知名作家)
- 应助: 174 (高中生)
- 金币: 15910.6
- 散金: 2024
- 红花: 66
- 帖子: 8952
- 在线: 315.6小时
- 虫号: 3338318
- 注册: 2014-07-25
- 专业: 分析仪器与试剂
7楼2017-11-02 22:02:08

8楼2017-11-03 00:19:17

9楼2017-11-03 00:19:59
xiaoLifeiD
至尊木虫 (知名作家)
- PEPI: 6
- 应助: 930 (博后)
- 贵宾: 0.431
- 金币: 26749.8
- 散金: 371
- 红花: 149
- 沙发: 1
- 帖子: 7194
- 在线: 781.3小时
- 虫号: 303007
- 注册: 2006-12-03
- 专业: 高分子科学

10楼2017-11-03 11:42:52














回复此楼
