| 查看: 713 | 回复: 6 | |||
txy-fighting新虫 (初入文坛)
|
[交流]
金相图求助 已有3人参与
|
|
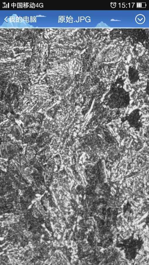
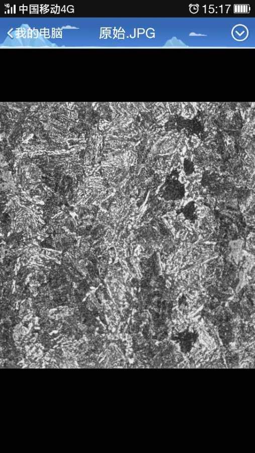
求助如图大概是些什么组织,是用硝酸酒精腐蚀的。是弹簧钢组织 发自小木虫Android客户端 |
» 猜你喜欢
使用高温共聚焦显微镜原位观察熔盐-陶瓷的高温腐蚀反应过程
已经有0人回复
淄博无机非金属材料测试
已经有0人回复
冶金与矿业论文润色/翻译怎么收费?
已经有188人回复
使用高温激光共聚焦显微镜对GCr15轴承钢中碳化物高温行为的原位观察与分析
已经有1人回复
求助TiAl合金的B2相pdf卡片
已经有0人回复
引领原子制造时代,成就未来材料之基--徐州国基原子制造有限公司
已经有3人回复
使用高温共聚焦原位观察磁场对凝固枝晶的影响
已经有0人回复
不同N、Si含量对含钒HRB400e钢组织和性能的影响
已经有0人回复
超高温激光共聚焦显微镜拓展脉冲磁场装置
已经有0人回复
线能量对超高强度海工钢热影响区组织演变与韧性的影响
已经有0人回复
【博士招生】材料科学与工程专业(金属类)博士研究生,非诚勿扰。
已经有16人回复
txy-fighting
新虫 (初入文坛)
- 应助: 0 (幼儿园)
- 金币: 24.8
- 帖子: 13
- 在线: 14.3小时
- 虫号: 5236908
- 注册: 2016-11-14
- 专业: 金属材料的力学行为
2楼2017-11-02 15:14:36
txy-fighting
新虫 (初入文坛)
- 应助: 0 (幼儿园)
- 金币: 24.8
- 帖子: 13
- 在线: 14.3小时
- 虫号: 5236908
- 注册: 2016-11-14
- 专业: 金属材料的力学行为
3楼2017-11-02 15:17:32
txy-fighting
新虫 (初入文坛)
- 应助: 0 (幼儿园)
- 金币: 24.8
- 帖子: 13
- 在线: 14.3小时
- 虫号: 5236908
- 注册: 2016-11-14
- 专业: 金属材料的力学行为
4楼2017-11-02 15:17:50
旧梦如风
木虫 (著名写手)
- 应助: 3 (幼儿园)
- 金币: 2456.2
- 散金: 1900
- 红花: 2
- 沙发: 1
- 帖子: 1032
- 在线: 257.3小时
- 虫号: 5986164
- 注册: 2017-03-15
- 性别: GG
- 专业: 金属材料
5楼2017-11-02 15:46:24
parayan
铜虫 (正式写手)
- 应助: 3 (幼儿园)
- 金币: 1181.3
- 散金: 505
- 红花: 3
- 沙发: 3
- 帖子: 532
- 在线: 139.9小时
- 虫号: 2917310
- 注册: 2014-01-06
- 性别: GG
- 专业: 环境工程

6楼2017-11-03 16:14:01
★
小木虫: 金币+0.5, 给个红包,谢谢回帖
小木虫: 金币+0.5, 给个红包,谢谢回帖
|
本帖内容被屏蔽 |
7楼2018-05-10 15:51:22













回复此楼