| 查看: 2400 | 回复: 0 | |||
张丹枫1991木虫 (职业作家)
|
[交流]
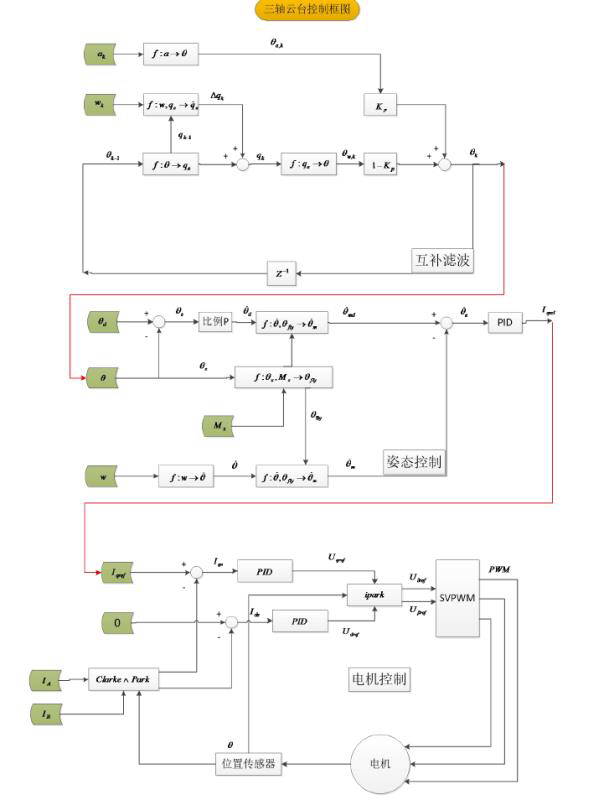
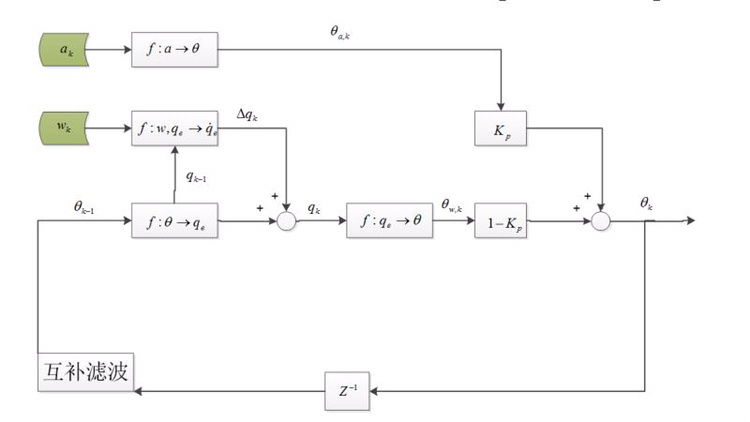
三轴云台控制原理图
|
|
自己最近整理的东西,做云台的童鞋可以看看哇,欢迎交流。 发自小木虫IOS客户端 |
» 猜你喜欢
085800能源动力,349分,求调剂!!!
已经有0人回复
接收材料化工机械研究生调剂
已经有1人回复
金属材料论文润色/翻译怎么收费?
已经有57人回复
太原科技大学材料科学与工程学院“03高性能轻质合金及新能源材料”学硕与专硕有缺额
已经有0人回复
太原科技大学材料科学与工程学院“03高性能轻质合金及新能源材料”学硕与专硕有缺额
已经有0人回复
太原科技大学材料科学与工程学院“03高性能轻质合金及新能源材料”学硕与专硕有缺额
已经有0人回复
太原科技大学材料科学与工程学院“03高性能轻质合金及新能源材料”学硕与专硕有缺额
已经有0人回复
太原科技大学材料科学与工程学院“03高性能轻质合金及新能源材料”学硕与专硕有缺额
已经有0人回复
动力工程求调剂
已经有0人回复
太原科技大学材料科学与工程学院“03高性能轻质合金及新能源材料”方向有调剂名额
已经有0人回复
2026北京科技大学材料学硕士调剂名额一个(海优团队,同步辐射表征+AI方向)
已经有1人回复














回复此楼
100