| ²é¿´: 2963 | »Ø¸´: 10 | ||||
¶ÀÀÖÀÖ²»ÈçÖÚÀÖÀгæ (³õÈëÎÄ̳)
|
[ÇóÖú]
GPC±ê×¼ÇúÏߺÍͼÆ×·ÖÎö ÒÑÓÐ3È˲ÎÓë
|
|||
|
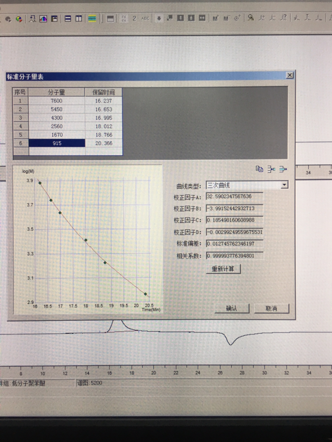
´ó¼ÒºÃ£¬Ð³æÒ»Ö»£¬±¾È˸ոսӴ¥GPC£¬Òª²âµÄ²úÆ·ÊǾ۱½ÃÑ£¬ÓõÄÊÇÈÕ±¾ShodexµÄʾ²î¼ì²âÆ÷£¬watersµÄÖù×Ó£¬Óõľ۱½ÒÒÏ©µÄ±ê׼Ʒ£¬·Ö×ÓÁ¿·Ö±ðÊÇ7400£¬5200£¬4000£¬2500£¬1600£¬840£¬ÏÂͼÊÇ×öµÄ±ê×¼ÇúÏߣ¬Ïà¹ØÏµÊý´ïµ½3¸ö9. È»ºóÎÒ°Ñ·Ö×ÓÁ¿2500µÄ±êÆ·µ±ÑùÆ·´ò½øÈ¥ÁË£¬µ«³öÀ´µÄ½á¹û¶Ô²»ÉÏ£¬ºóÃæµÄͼÊÇ·Ö×ÓÁ¿2500µÄÑùÆ·×ö³öÀ´µÄµÄ½á¹û£¬ÏÔʾÊý¾ù3240£¬Öؾù3645£¬ÎÒºÜÃÔ»ó£¬ÊÇÄÄÀïÓÐÎÊÌâÁËÄØ£¬ÇóÄÄλ´óÉñ°ïæ½â½â»ó ·¢×ÔСľ³æIOS¿Í»§¶Ë |
» ²ÂÄãϲ»¶
0855Çóµ÷¼Á²ÄÁÏ
ÒѾÓÐ12È˻ظ´
297·Ö083200ÇóÖú
ÒѾÓÐ7È˻ظ´
070300»¯Ñ§Ñ§Ë¶311·ÖÇóµ÷¼Á
ÒѾÓÐ10È˻ظ´
ר˶0854³õÊÔ¿¼²Ä¿Æ»ù£¬Çóµ÷¼Á
ÒѾÓÐ8È˻ظ´
0857´óÀà»·¾³¹¤³ÌBÇøÇóµ÷¼Á
ÒѾÓÐ3È˻ظ´
0817»¯Ñ§¹¤³ÌÓë¼¼ÊõÇóµ÷¼Á£¬Ò»Ö¾Ô¸Öк£Ñó319
ÒѾÓÐ14È˻ظ´
0703»¯Ñ§µ÷¼Á325·Ö
ÒѾÓÐ11È˻ظ´
286Çóµ÷¼Á
ÒѾÓÐ8È˻ظ´
Çóµ÷¼Á
ÒѾÓÐ5È˻ظ´
ÉúÎïѧ308·ÖÇóµ÷¼Á£¨Ò»Ö¾Ô¸»ª¶«Ê¦´ó£©
ÒѾÓÐ4È˻ظ´
» ±¾Ö÷ÌâÏà¹ØÉ̼ÒÍÆ¼ö: (ÎÒÒ²ÒªÔÚÕâÀïÍÆ¹ã)
ly2199
ר¼Ò¹ËÎÊ (ÕýʽдÊÖ)
-

ר¼Ò¾Ñé: +94 - ACI: 1
- Ó¦Öú: 68 (³õÖÐÉú)
- ¹ó±ö: 0.038
- ½ð±Ò: 2683.5
- ºì»¨: 22
- Ìû×Ó: 487
- ÔÚÏß: 171.8Сʱ
- ³æºÅ: 698591
- ×¢²á: 2009-02-09
- רҵ: É«Æ×·ÖÎö
- ¹ÜϽ: ·ÖÎö
|
????????????????????????????????????????????????????????????????????????????????????????§»??????????????????????????? |
8Â¥2017-11-03 16:40:38
ly2199
ר¼Ò¹ËÎÊ (ÕýʽдÊÖ)
-

ר¼Ò¾Ñé: +94 - ACI: 1
- Ó¦Öú: 68 (³õÖÐÉú)
- ¹ó±ö: 0.038
- ½ð±Ò: 2683.5
- ºì»¨: 22
- Ìû×Ó: 487
- ÔÚÏß: 171.8Сʱ
- ³æºÅ: 698591
- ×¢²á: 2009-02-09
- רҵ: É«Æ×·ÖÎö
- ¹ÜϽ: ·ÖÎö
¡¾´ð°¸¡¿Ó¦Öú»ØÌû
¸Ðл²ÎÓ룬ӦÖúÖ¸Êý +1
|
Äã°ÑÇúÏßÀàÐÍÐÞ¸Äһϣ¬ÏÖÔÚµÄÇúÏßÖÐÓÐÒ»¸öµãÀëÏß̫ԶÁË ·¢×ÔСľ³æAndroid¿Í»§¶Ë |
4Â¥2017-10-30 13:06:50
xiaoLifeiD
ÖÁ×ðľ³æ (ÖªÃû×÷¼Ò)
- Ó¦Öú: 930 (²©ºó)
- ¹ó±ö: 0.431
- ½ð±Ò: 26749.8
- É¢½ð: 371
- ºì»¨: 149
- ɳ·¢: 1
- Ìû×Ó: 7194
- ÔÚÏß: 781.3Сʱ
- ³æºÅ: 303007
- ×¢²á: 2006-12-03
- רҵ: ¸ß·Ö×Ó¿ÆÑ§
¡¾´ð°¸¡¿Ó¦Öú»ØÌû
¸Ðл²ÎÓ룬ӦÖúÖ¸Êý +1
| ¾Û±½ÃÑÔÚTHFÀïÃæÈܽâô£¿PPSÊÇÐèÒª¸ßÎÂGPC×öµÄ |

2Â¥2017-10-30 11:31:30
¶ÀÀÖÀÖ²»ÈçÖÚÀÖÀ
гæ (³õÈëÎÄ̳)
- Ó¦Öú: 0 (Ó×¶ùÔ°)
- ½ð±Ò: 40
- Ìû×Ó: 6
- ÔÚÏß: 1.7Сʱ
- ³æºÅ: 7392440
- ×¢²á: 2017-10-30
3Â¥2017-10-30 12:08:02
jianhan8787
Ìú³æ (СÓÐÃûÆø)
- Ó¦Öú: 6 (Ó×¶ùÔ°)
- ½ð±Ò: 2.1
- ºì»¨: 2
- Ìû×Ó: 194
- ÔÚÏß: 65.9Сʱ
- ³æºÅ: 741356
- ×¢²á: 2009-04-06
- ÐÔ±ð: GG
- רҵ: ¹¦ÄÜÓëÖÇÄܸ߷Ö×Ó
¡¾´ð°¸¡¿Ó¦Öú»ØÌû
| ÇúÏßÀàÐÍÓ¦ÊǶþ´ÎÇúÏߣ¬ÕýÈ·µÄÓ¦ÊÇSÐÎÇúÏß |
» ±¾ÌûÒÑ»ñµÃµÄºì»¨£¨×îÐÂ10¶ä£©
9Â¥2017-12-06 00:12:59
¶ÀÀÖÀÖ²»ÈçÖÚÀÖÀ
гæ (³õÈëÎÄ̳)
- Ó¦Öú: 0 (Ó×¶ùÔ°)
- ½ð±Ò: 40
- Ìû×Ó: 6
- ÔÚÏß: 1.7Сʱ
- ³æºÅ: 7392440
- ×¢²á: 2017-10-30
|
֮ǰÄǸöµãÊDz»¶ÔµÄ£¬ÖØÐ¾ÀÕýÁË£¬µ«³öÀ´µÄ½á¹û»¹ÊDz»¶Ô£¬°ÑMpÊÇ7600µÄ±êÆ·µ±×÷ÑùÆ·×öµÄ£¬³öÀ´µÄ½á¹ûÊÇ6587£¬MnÊÇ5534£¬MwÊÇ5973£¬»¹ÊDzîºÃ¶à£¬ÊDz»ÊÇ»¹ÊDZê×¼ÇúÏß²»¶Ô°¡£¿ ·¢×ÔСľ³æIOS¿Í»§¶Ë |
5Â¥2017-10-31 16:40:31
ly2199
ר¼Ò¹ËÎÊ (ÕýʽдÊÖ)
-

ר¼Ò¾Ñé: +94 - ACI: 1
- Ó¦Öú: 68 (³õÖÐÉú)
- ¹ó±ö: 0.038
- ½ð±Ò: 2683.5
- ºì»¨: 22
- Ìû×Ó: 487
- ÔÚÏß: 171.8Сʱ
- ³æºÅ: 698591
- ×¢²á: 2009-02-09
- רҵ: É«Æ×·ÖÎö
- ¹ÜϽ: ·ÖÎö
6Â¥2017-10-31 18:53:19
¶ÀÀÖÀÖ²»ÈçÖÚÀÖÀ
гæ (³õÈëÎÄ̳)
- Ó¦Öú: 0 (Ó×¶ùÔ°)
- ½ð±Ò: 40
- Ìû×Ó: 6
- ÔÚÏß: 1.7Сʱ
- ³æºÅ: 7392440
- ×¢²á: 2017-10-30
7Â¥2017-11-03 10:13:13
¶ÀÀÖÀÖ²»ÈçÖÚÀÖÀ
гæ (³õÈëÎÄ̳)
- Ó¦Öú: 0 (Ó×¶ùÔ°)
- ½ð±Ò: 40
- Ìû×Ó: 6
- ÔÚÏß: 1.7Сʱ
- ³æºÅ: 7392440
- ×¢²á: 2017-10-30
10Â¥2018-01-01 08:56:43














»Ø¸´´ËÂ¥
£¬ÎÒÃǵÄÖùοØÖÆÊÇ40¶È
¶ÀÀÖÀÖ²»ÈçÖÚÀÖÀ