| ²é¿´: 1828 | »Ø¸´: 9 | |||
lh906216837гæ (ÕýʽдÊÖ)
|
[ÇóÖú]
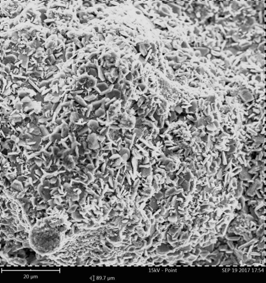
Çó´óÉñ°ïæ·ÖÎöÕâ¸ö¶Ï¿ÚÐÎò ÒÑÓÐ3È˲ÎÓë
|
|
ÕâÓ¦¸ÃÊÇÒ»¸öÖýÔì¸ÖÖֵĴàÐÔ¶ÏÁÑ @wacky1980 @comma ·¢×ÔСľ³æAndroid¿Í»§¶Ë |
» ÊÕ¼±¾ÌûµÄÌÔÌûר¼ÍƼö
±íÕ÷·ÖÏí ·ÖÎö |
» ²ÂÄãϲ»¶
306Çó0703µ÷¼ÁÒ»Ö¾Ô¸»ªÖÐʦ·¶
ÒѾÓÐ9È˻ظ´
Ò»Ö¾Ô¸¼ª´ó»¯Ñ§322Çóµ÷¼Á
ÒѾÓÐ6È˻ظ´
Çóµ÷¼Á
ÒѾÓÐ5È˻ظ´
344Çóµ÷¼Á
ÒѾÓÐ3È˻ظ´
Ò»Ö¾Ô¸¹þ¹¤´ó£¬085400£¬320£¬Çóµ÷¼Á
ÒѾÓÐ3È˻ظ´
¡¾¿¼Ñе÷¼Á¡¿»¯Ñ§×¨Òµ 281·Ö£¬Ò»Ö¾Ô¸ËÄ´¨´óѧ£¬³ÏÐÄÇóµ÷¼Á
ÒѾÓÐ13È˻ظ´
307Çóµ÷¼Á
ÒѾÓÐ3È˻ظ´
¡¾Ë«Ò»Á÷ԺУÐÂÄÜÔ´¡¢»·¾³²ÄÁÏ£¬²ÄÁϼӹ¤ÓëÄ£ÄâÕÐÊÕ´óÁ¿µ÷¼Á¡¿
ÒѾÓÐ6È˻ظ´
26É격×Ô¼ö
ÒѾÓÐ3È˻ظ´
×ÊÔ´Óë»·¾³ µ÷¼ÁÉêÇë(333·Ö)
ÒѾÓÐ6È˻ظ´
» ±¾Ö÷ÌâÏà¹Ø¼ÛÖµÌùÍÆ¼ö£¬¶ÔÄúͬÑùÓаïÖú:
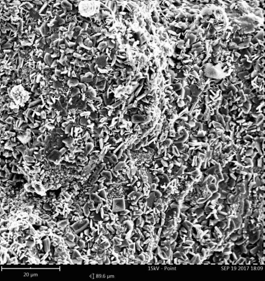
Çó´óÉñ°ï濴һ϶ϿÚ
ÒѾÓÐ6È˻ظ´
wdlwxyh
Òø³æ (ÖøÃûдÊÖ)
- Ó¦Öú: 49 (СѧÉú)
- ½ð±Ò: 7952.7
- É¢½ð: 343
- ºì»¨: 19
- Ìû×Ó: 1738
- ÔÚÏß: 557.4Сʱ
- ³æºÅ: 912923
- ×¢²á: 2009-11-25
- ÐÔ±ð: GG
- רҵ: ½ðÊô½á¹¹²ÄÁÏ

2Â¥2017-09-19 17:20:37
СßËßË
ÖÁ×ðľ³æ (ÖøÃûдÊÖ)
¸ÖÌúÏÀ
- Ó¦Öú: 43 (СѧÉú)
- ½ð±Ò: 10914.9
- É¢½ð: 1757
- ºì»¨: 6
- Ìû×Ó: 2222
- ÔÚÏß: 244.4Сʱ
- ³æºÅ: 1491708
- ×¢²á: 2011-11-14
- ÐÔ±ð: GG
- רҵ: ½ðÊô½á¹¹²ÄÁÏ

3Â¥2017-09-19 21:21:18
lh906216837
гæ (ÕýʽдÊÖ)
- Ó¦Öú: 0 (Ó×¶ùÔ°)
- ½ð±Ò: 3664.1
- É¢½ð: 2155
- Ìû×Ó: 904
- ÔÚÏß: 247.7Сʱ
- ³æºÅ: 3527272
- ×¢²á: 2014-11-06
- ÐÔ±ð: GG
- רҵ: ½ðÊô²ÄÁϱíÃæ¿ÆÑ§Ó빤³Ì
4Â¥2017-09-19 21:38:10
kissego100
ͳæ (ÖøÃûдÊÖ)
- MM-EPI: 6
- Ó¦Öú: 429 (˶ʿ)
- ½ð±Ò: 14.2
- É¢½ð: 110
- ºì»¨: 64
- Ìû×Ó: 2341
- ÔÚÏß: 1026.6Сʱ
- ³æºÅ: 4025924
- ×¢²á: 2015-08-17
- ÐÔ±ð: GG
- רҵ: »ù´¡ÎïÀíѧ

5Â¥2017-09-19 21:44:35
zbhwel
ר¼Ò¹ËÎÊ (ÖªÃû×÷¼Ò)
-

ר¼Ò¾Ñé: +782 - MM-EPI: 7
- Ó¦Öú: 1730 (½²Ê¦)
- ¹ó±ö: 0.259
- ½ð±Ò: 23020.1
- É¢½ð: 1738
- ºì»¨: 272
- ɳ·¢: 22
- Ìû×Ó: 5201
- ÔÚÏß: 1050.9Сʱ
- ³æºÅ: 2249580
- ×¢²á: 2013-01-19
- ÐÔ±ð: GG
- רҵ: ½ðÊô½á¹¹²ÄÁÏ
- ¹ÜϽ: ²ÄÁϹ¤³Ì

6Â¥2017-09-20 08:54:08
lh906216837
гæ (ÕýʽдÊÖ)
- Ó¦Öú: 0 (Ó×¶ùÔ°)
- ½ð±Ò: 3664.1
- É¢½ð: 2155
- Ìû×Ó: 904
- ÔÚÏß: 247.7Сʱ
- ³æºÅ: 3527272
- ×¢²á: 2014-11-06
- ÐÔ±ð: GG
- רҵ: ½ðÊô²ÄÁϱíÃæ¿ÆÑ§Ó빤³Ì
7Â¥2017-09-20 10:53:58
lh906216837
гæ (ÕýʽдÊÖ)
- Ó¦Öú: 0 (Ó×¶ùÔ°)
- ½ð±Ò: 3664.1
- É¢½ð: 2155
- Ìû×Ó: 904
- ÔÚÏß: 247.7Сʱ
- ³æºÅ: 3527272
- ×¢²á: 2014-11-06
- ÐÔ±ð: GG
- רҵ: ½ðÊô²ÄÁϱíÃæ¿ÆÑ§Ó빤³Ì
8Â¥2017-09-20 10:54:25
°£¶ûÃ×ÌØ
гæ (ÕýʽдÊÖ)
- Ó¦Öú: 0 (Ó×¶ùÔ°)
- ½ð±Ò: 2771.3
- ºì»¨: 14
- Ìû×Ó: 548
- ÔÚÏß: 74.2Сʱ
- ³æºÅ: 4130837
- ×¢²á: 2015-10-09
- ÐÔ±ð: GG
- רҵ: ½ðÊô²ÄÁϵÄ΢¹Û½á¹¹
|
Ã²ËÆÊÇÑØ¾§¶ÏÁÑ£¬±íÃæÕ³Á˺öà¿ÅÁ£¡£²»È·¶¨¾ßÌåÊÇʲôÇé¿ö¡£½¨ÒéÓþƾ«»òÕß±ûͪÅÝ×ÅÈ»ºó³¬Éù²¨ÇåÏ´£¬ÔÙ¿´¿´ ·¢×ÔСľ³æAndroid¿Í»§¶Ë |
9Â¥2017-09-20 12:26:02
ÆßÏÒÊ®Èý»Õ
½ð³æ (СÓÐÃûÆø)
- Ó¦Öú: 0 (Ó×¶ùÔ°)
- ½ð±Ò: 666.4
- Ìû×Ó: 70
- ÔÚÏß: 8.6Сʱ
- ³æºÅ: 3073933
- ×¢²á: 2014-03-20
- ÐÔ±ð: GG
- רҵ: ½ðÊô²ÄÁϵÄÄý¹ÌÓë½á¾§Ñ§
10Â¥2017-09-20 12:37:39













»Ø¸´´ËÂ¥
