| 查看: 1898 | 回复: 6 | ||
[求助]
H13锻后组织 已有3人参与
|
|
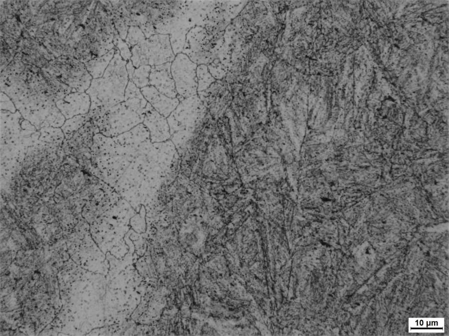
美标H13热作模具钢经锻造后的金相图,基体为马氏体,维氏硬度在600左右,而亮白色条纹维氏硬度在800以上,想知道这种条纹是什么 1JPG 2.JPG@wacky1980 |
» 猜你喜欢
311求调剂
已经有4人回复
304求调剂
已经有4人回复
354求调剂
已经有7人回复
321求调剂
已经有3人回复
274求调剂
已经有5人回复
281求调剂(0805)
已经有15人回复
085600材料与化工调剂 324分
已经有8人回复
能源材料化学课题组招收硕士研究生8-10名
已经有10人回复
267一志愿南京工业大学0817化工求调剂
已经有8人回复
328求调剂,英语六级551,有科研经历
已经有10人回复
2楼2017-08-22 15:41:05
peterflyer
木虫之王 (文学泰斗)
peterflyer
- MM-EPI: 2
- 应助: 20282 (院士)
- 金币: 146147
- 红花: 1374
- 帖子: 93091
- 在线: 7694.3小时
- 虫号: 1482829
- 注册: 2011-11-08
- 性别: GG
- 专业: 功能陶瓷
3楼2017-08-22 22:37:20
17614862
木虫 (小有名气)
- 应助: 64 (初中生)
- 金币: 1993.4
- 红花: 4
- 帖子: 248
- 在线: 207.9小时
- 虫号: 583813
- 注册: 2008-08-01
- 性别: GG
- 专业: 金属材料的制备科学与跨学
4楼2017-08-24 17:02:02
5楼2017-08-25 15:50:19
6楼2017-09-08 11:30:13
7楼2017-09-08 11:33:12













回复此楼