| 查看: 1422 | 回复: 16 | |||
[交流]
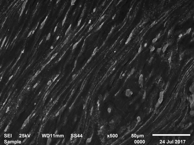
通过热挤压镁合金第二相被拉长
|
|
哪位能解释一下问什么下面有很多第二相组织发生了什么变化。晶粒发生什么变化,位错孪晶位错率再结晶。第六张以后是没挤压之前的合金 发自小木虫IOS客户端 |
» 猜你喜欢
A期刊撤稿
已经有3人回复
职称评审没过,求安慰
已经有34人回复
垃圾破二本职称评审标准
已经有17人回复
回收溶剂求助
已经有6人回复
投稿Elsevier的Neoplasia杂志,到最后选publishing options时页面空白,不能完成投稿
已经有22人回复
申请26博士
已经有5人回复
EST投稿状态问题
已经有7人回复
毕业后当辅导员了,天天各种学生超烦
已经有4人回复
求助文献
已经有3人回复
投稿返修后收到这样的回复,还有希望吗
已经有8人回复
2楼2017-08-15 05:42:36
3楼2017-08-15 05:42:45
4楼2017-08-15 05:43:31
5楼2017-08-15 05:43:35
6楼2017-08-15 05:44:52
7楼2017-08-15 05:48:31
8楼2017-08-15 05:49:01
9楼2017-08-15 05:50:16
10楼2017-08-15 05:51:00













回复此楼