| 查看: 1501 | 回复: 3 | ||
h_200604铁杆木虫 (著名写手)
|
[求助]
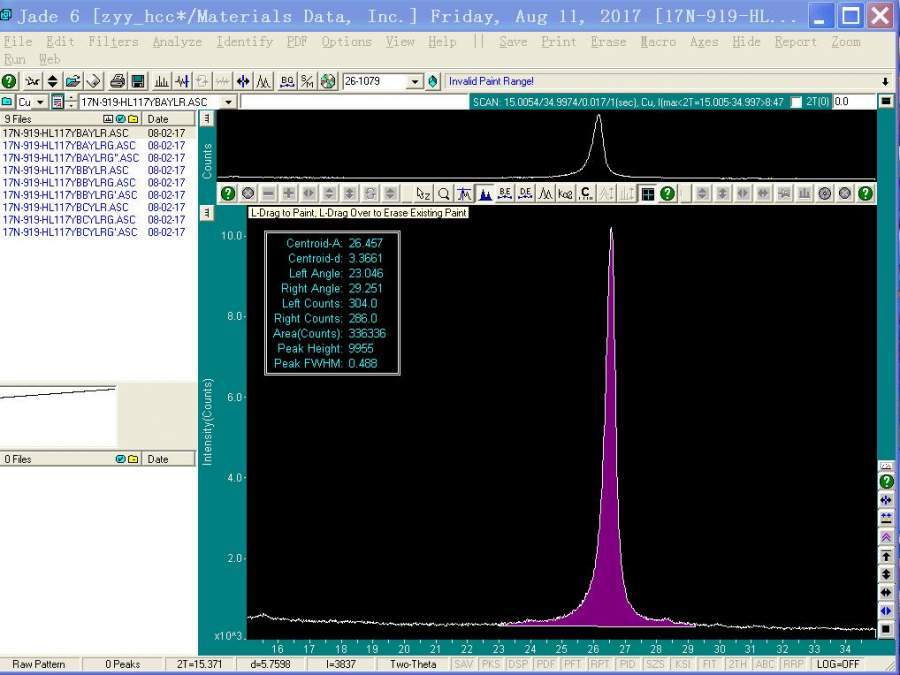
请问Jade里边如何找出X射线衍射峰的半高宽中心处角度
|
|
请问Jade6里边如何找出X射线衍射峰的半高宽中心处角度?怎么实现呢?只看到半高宽的数据,但是没有半高宽所在处的角度信息,半高宽中心处对应的角度不知道怎么看。 bw133h798382_1502445384_670.jpg |
» 猜你喜欢
西南高校招聘物理化学博士,偏计算化学方向。
已经有0人回复
西南高校招聘物理化学博士,偏计算化学方向。
已经有0人回复
冶金与矿业论文润色/翻译怎么收费?
已经有216人回复
西南高校招聘物理化学博士,偏计算化学方向。
已经有1人回复
2026年申博
已经有2人回复
非气体/碳材料吸附方向-博导推荐
已经有1人回复
冶金熔体-活度-活度相互作用系数-模型-计算软件
已经有22人回复
2026年博士申请-环境方向/材料方向
已经有16人回复
| 顶 |
2楼2017-08-14 11:49:07
|
3楼2017-08-19 23:41:27
|
4楼2017-08-20 11:12:43













回复此楼