| 查看: 841 | 回复: 2 | ||
子曾经曰过么铜虫 (著名写手)
|
[求助]
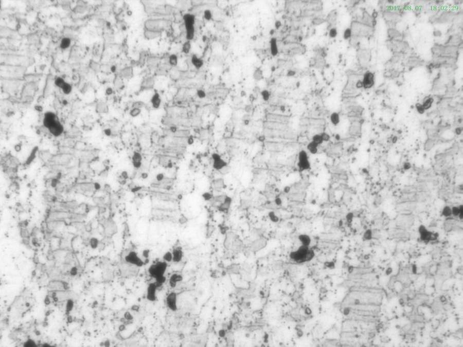
请教: 我做的铝合金金相是否合格?
|
|
样品是大变形条件下的7075,自己 最近摸索着制样腐蚀,之后拿到显微镜下观察,不知道拍出来的效果咋样?算不算合格的金像图,腐蚀是否过深?大家帮我看看吧 a.jpg b.jpg c.jpg d.jpg e.jpg |
» 猜你喜欢
溶胶凝胶法制备玻璃包覆铜粉粒径问题
已经有10人回复
溶胶凝胶制备玻璃粉工艺
已经有0人回复
有机高分子材料论文润色/翻译怎么收费?
已经有138人回复
化药设备差距真相,您了解有种钽中间体吗?
已经有0人回复
ICH Q3D高压下,钽金属如何让药品纯度再上一个台阶?
已经有0人回复
钽:盐酸环境中的 “抗腐蚀王者”— 耐盐酸腐蚀金属材料详解
已经有0人回复
安全第一,耐蚀升级:钽涂层在化工反应釜防腐中的实用详解
已经有3人回复
钽:混合酸硝化的 “耐腐王者”
已经有0人回复
新修订《药品管理法实施条例》下制药设备创新与合规讨论
已经有0人回复
子曾经曰过么
铜虫 (著名写手)
- 应助: 18 (小学生)
- 金币: 3626.1
- 散金: 2511
- 红花: 9
- 帖子: 2303
- 在线: 329.7小时
- 虫号: 4257654
- 注册: 2015-11-30
- 专业: 零件成形制造
2楼2017-08-09 16:28:09
jungjoon
新虫 (正式写手)
- 应助: 0 (幼儿园)
- 金币: 1615.8
- 散金: 1008
- 红花: 1
- 帖子: 726
- 在线: 113.6小时
- 虫号: 4640885
- 注册: 2016-04-29
- 性别: GG
- 专业: 高分子材料结构与性能
3楼2017-10-27 22:22:49













回复此楼