| ²é¿´: 2060 | »Ø¸´: 5 | |
ËÎÉê94½ð³æ (СÓÐÃûÆø)
|
[ÇóÖú]
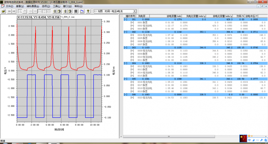
Á×ËáÌúï®ÓëÈËÔìʯī¸º¼«È«µç³Ø²âÊÔ½á¹ûÒì³£ ÒÑÓÐ2È˲ÎÓë
|
|
|
|
·½¬BÉúľ³æ (ÕýʽдÊÖ)
|
|
![]() |
|
|
2Â¥2017-07-17 08:27:34
|
|
ËÎÉê94½ð³æ (СÓÐÃûÆø)
|
|
|
3Â¥2017-07-17 08:48:17
|
|
liuwei2004ÖÁ×ðľ³æ (ÖøÃûдÊÖ)
|
|
|
4Â¥2017-07-17 13:25:53
|
|
niqiuгæ (³õÈëÎÄ̳)
|
|
|
5Â¥2017-07-19 23:00:40
|
|
·ͨÐìÑÇÇåгæ (³õÈëÎÄ̳)
|
|
|
6Â¥2019-12-14 08:55:37
|
|













»Ø¸´´ËÂ¥

