| 查看: 530 | 回复: 4 | ||
zhangsky_777新虫 (小有名气)
|
[求助]
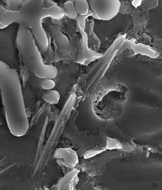
求助!大家看看这是TiB还是TiB2? 已有1人参与
|
|
钛合金表面激光熔覆做的,! 发自小木虫IOS客户端 |
» 猜你喜欢
寻环境工程中级一名,咨询问题
已经有0人回复
导电高分子用什么工艺处理分子链的堆叠会更加规整???
已经有23人回复
金属材料论文润色/翻译怎么收费?
已经有181人回复
我找下石油化工中级工程师咨询问题
已经有4人回复
找可以唯一的化工工程,咨询问题
已经有2人回复
有化工工程中工吗,咨询问题
已经有0人回复
求助,请问有没有环境、环保中级工程师呀,咨询问题
已经有0人回复
水系锌离子电池
已经有5人回复
有没有做非煤矿山相关工作,考安管证的呀
已经有1人回复
中国科学技术大学苏州高等研究院朱忠鹏特任研究员诚招2026级博士
已经有0人回复
有工程师吗,找环境工程师
已经有0人回复
2楼2017-07-23 17:09:37

3楼2017-07-24 14:29:20
4楼2017-09-09 07:37:08
5楼2017-09-09 07:37:45













回复此楼