| ²é¿´: 1097 | »Ø¸´: 1 | ||
18290020631ͳæ (³õÈëÎÄ̳)
|
[ÇóÖú]
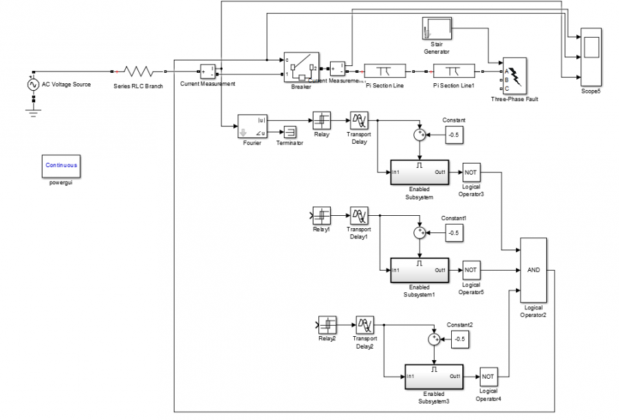
Èý¶Îʽ¹ýµçÁ÷±£»¤µÄÄ£ÐÍ
|
|
ÎÒͨ¹ýSIMULINK½¨Á¢Èý¶Îʽ¹ýµçÁ÷±£»¤µÄÄ£ÐÍ£¬ÈçÏÂËùʾ£¬µ«ÊÇ·ÂÕæÄѽá¹û²»¶Ô£¬Çë´óÉñÖ¸µãÒ»ÏÂÄÄÀï´íÁË 11111.png |
» ²ÂÄãϲ»¶
366Çóµ÷¼Á
ÒѾÓÐ9È˻ظ´
²ÄÁϹ¤³Ì085601£¬270Çóµ÷¼Á
ÒѾÓÐ37È˻ظ´
279ѧ˶ʳƷרҵÇóµ÷¼ÁԺУ
ÒѾÓÐ18È˻ظ´
290µ÷¼ÁÉúÎï0860
ÒѾÓÐ31È˻ظ´
Ò»Ö¾Ô¸085802 323·ÖÇóµ÷¼Á
ÒѾÓÐ13È˻ظ´
277Çóµ÷¼Á
ÒѾÓÐ23È˻ظ´
322Çóµ÷¼Á£¬08¹¤¿Æ
ÒѾÓÐ4È˻ظ´
²ÄÁϹ¤³Ì281»¹Óе÷¼Á»ú»áÂð
ÒѾÓÐ30È˻ظ´
»¯Ñ§070300 Çóµ÷¼Á
ÒѾÓÐ16È˻ظ´
»¯¹¤Ñ§Ë¶294·Ö£¬Çóµ¼Ê¦ÊÕÁô
ÒѾÓÐ12È˻ظ´
|
±¾ÌûÄÚÈݱ»ÆÁ±Î |
2Â¥2017-06-30 20:52:16













»Ø¸´´ËÂ¥