| ²é¿´: 2470 | »Ø¸´: 5 | ||
»¹ÊÇÐÂÊÖÒø³æ (ÕýʽдÊÖ)
|
[ÇóÖú]
¸ßìØºÏ½ðµÄ½ðÏàÔõô»áÕâÑù£¿ÆäÖеĺÚÉ«°ßµãÊÇʲô£¿ ÒÑÓÐ1È˲ÎÓë
|
|
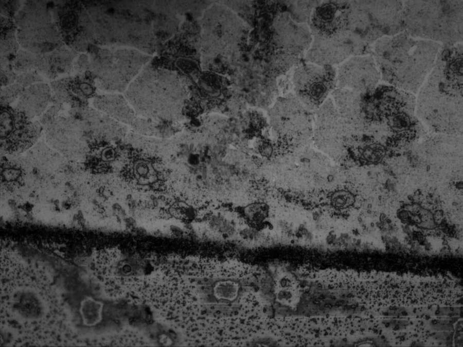
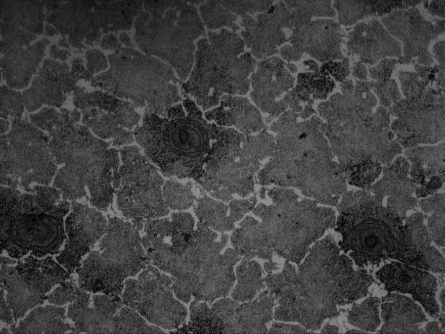
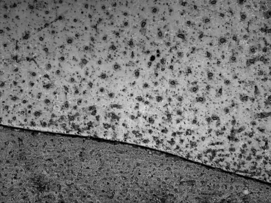
±¾ÈË×öµÄÊÇÔÚQ235¸Ö±íÃæë²»¡ÈÛ¸²FeAlCoCrCuTi0.4¸ßìØºÏ½ðÍ¿²ã£¬µ«ÊǽðÏà×ö³öÀ´ÊÇÕâÑù£¿ÆäÖеĺÚÉ«°ßµãÊÇÊ²Ã´ÄØ£¿ÓÐûÓÐÈËÓöµ½¹ýÕâÖÖÇé¿ö ·¢×ÔСľ³æAndroid¿Í»§¶Ë |
» ²ÂÄãϲ»¶
Çóµ÷¼ÁԺУÐÅÏ¢
ÒѾÓÐ4È˻ظ´
085600²ÄÁÏÓ뻯¹¤306
ÒѾÓÐ4È˻ظ´
286Çóµ÷¼Á
ÒѾÓÐ10È˻ظ´
328Çóµ÷¼Á£¬Ó¢ÓïÁù¼¶551£¬ÓпÆÑоÀú
ÒѾÓÐ9È˻ظ´
Ò»Ö¾Ô¸±±¾©»¯¹¤´óѧ070300 ѧ˶336Çóµ÷¼Á
ÒѾÓÐ4È˻ظ´
286·ÖÈ˹¤ÖÇÄÜרҵÇëÇóµ÷¼ÁÔ¸Òâ¿ç¿¼£¡
ÒѾÓÐ8È˻ظ´
×ÊÔ´Óë»·¾³ µ÷¼ÁÉêÇë(333·Ö)
ÒѾÓÐ5È˻ظ´
280Çóµ÷¼Á
ÒѾÓÐ12È˻ظ´
269ר˶Çóµ÷¼Á
ÒѾÓÐ5È˻ظ´
²ÄÁÏѧ˶301·ÖÇóµ÷¼Á
ÒѾÓÐ7È˻ظ´
peterflyer
ľ³æÖ®Íõ (ÎÄѧ̩¶·)
peterflyer
- MM-EPI: 2
- Ó¦Öú: 20282 (Ժʿ)
- ½ð±Ò: 146163
- ºì»¨: 1374
- Ìû×Ó: 93091
- ÔÚÏß: 7694.3Сʱ
- ³æºÅ: 1482829
- ×¢²á: 2011-11-08
- ÐÔ±ð: GG
- רҵ: ¹¦ÄÜÌÕ´É
¡¾´ð°¸¡¿Ó¦Öú»ØÌû
¡ï ¡ï ¡ï ¡ï ¡ï ¡ï ¡ï ¡ï ¡ï ¡ï ¡ï ¡ï ¡ï ¡ï ¡ï ¡ï ¡ï ¡ï ¡ï ¡ï
¸Ðл²ÎÓ룬ӦÖúÖ¸Êý +1
»¹ÊÇÐÂÊÖ: ½ð±Ò+20, ¡ï¡ï¡ï¡ï¡ï×î¼Ñ´ð°¸ 2017-07-17 09:45:17
¸Ðл²ÎÓ룬ӦÖúÖ¸Êý +1
»¹ÊÇÐÂÊÖ: ½ð±Ò+20, ¡ï¡ï¡ï¡ï¡ï×î¼Ñ´ð°¸ 2017-07-17 09:45:17
| ²Â²âÕâЩºÚµãÓ¦¸ÃÊÇÍ¿¸²¹ý³ÌÖÐδÍêÈ«ÈÛ»¯µÄFeAlCoCrCuTi0.4¸ßìØºÏ½ð¿ÅÁ£¡£¿ÉÒÔ¶ÔÕâЩºÚµã½øÐÐÄܯ׷ÖÎöÀ´ÅжÏËüÃǾ¿¾¹ÊÇʲô¡£ |
2Â¥2017-06-23 15:35:06
»¹ÊÇÐÂÊÖ
Òø³æ (ÕýʽдÊÖ)
- Ó¦Öú: 0 (Ó×¶ùÔ°)
- ½ð±Ò: 566.1
- É¢½ð: 370
- ºì»¨: 1
- Ìû×Ó: 468
- ÔÚÏß: 37.7Сʱ
- ³æºÅ: 5067909
- ×¢²á: 2016-09-28
- ÐÔ±ð: GG
- רҵ: ÓÐÉ«½ðÊôÒ±½ð
3Â¥2017-06-23 18:17:32
»¹ÊÇÐÂÊÖ
Òø³æ (ÕýʽдÊÖ)
- Ó¦Öú: 0 (Ó×¶ùÔ°)
- ½ð±Ò: 566.1
- É¢½ð: 370
- ºì»¨: 1
- Ìû×Ó: 468
- ÔÚÏß: 37.7Сʱ
- ³æºÅ: 5067909
- ×¢²á: 2016-09-28
- ÐÔ±ð: GG
- רҵ: ÓÐÉ«½ðÊôÒ±½ð
4Â¥2017-06-24 15:00:04
ÐÁ×·
гæ (СÓÐÃûÆø)
- Ó¦Öú: 0 (Ó×¶ùÔ°)
- ½ð±Ò: 677.6
- ºì»¨: 1
- Ìû×Ó: 83
- ÔÚÏß: 21.7Сʱ
- ³æºÅ: 2685497
- ×¢²á: 2013-09-27
- רҵ: ½ðÊô½á¹¹²ÄÁÏ
5Â¥2017-06-24 23:07:03
»¹ÊÇÐÂÊÖ
Òø³æ (ÕýʽдÊÖ)
- Ó¦Öú: 0 (Ó×¶ùÔ°)
- ½ð±Ò: 566.1
- É¢½ð: 370
- ºì»¨: 1
- Ìû×Ó: 468
- ÔÚÏß: 37.7Сʱ
- ³æºÅ: 5067909
- ×¢²á: 2016-09-28
- ÐÔ±ð: GG
- רҵ: ÓÐÉ«½ðÊôÒ±½ð
6Â¥2017-06-25 08:21:12













»Ø¸´´ËÂ¥
»¹ÊÇÐÂÊÖ