| ²é¿´: 1368 | »Ø¸´: 2 | ||
¶Î÷·Æ¶ûгæ (³õÈëÎÄ̳)
|
[ÇóÖú]
˲̬¼ÆËã²»ÊÕÁ²£¨·ç¹¥½ÇΪ4µ½6ʱ£©
|
|
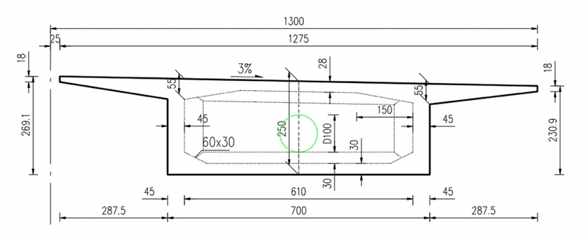
×öÈçͼËùʾ½ØÃæµÄ¶ÛÌåÈÆÁ÷ÊýֵģÄ⣬²ÉÓÃ˲̬¼ÆËã·½·¨¡£·ç¹¥½ÇΪ¸º6¶Èµ½2¶Èʱ£¬¾ùÄܵõ½Îȶ¨µÄÖÜÆÚÐԱ仯ÊÜÁ¦ÇúÏߣ¬µ«µ±·ç¹¥½ÇΪ4¶Èµ½6¶Èʱ£¬¼ÆËãÒ»Ö±²»ÊÕÁ²£¬ÉýÁ¦ÏµÊýÈçͼÎÞ¹æÂÉ¡£ÊǽØÃæÐÎ×´»¹ÊÇÍø¸ñµÄÔÒò£¿¸ÃÔõô°ì£¿ ·¢×ÔСľ³æIOS¿Í»§¶Ë |
» ²ÂÄãϲ»¶
284Çóµ÷¼Á
ÒѾÓÐ13È˻ظ´
²ÄÁÏ¿ÆÑ§Ó빤³Ìµ÷¼Á
ÒѾÓÐ5È˻ظ´
346Çóµ÷¼Á Ò»Ö¾Ô¸070303Óлú»¯Ñ§
ÒѾÓÐ4È˻ظ´
329Çóµ÷¼Á
ÒѾÓÐ8È˻ظ´
Ò»Ö¾Ô¸ÄϺ½ 335·Ö | 0856²ÄÁÏ»¯¹¤ | GPA 4.07 | ÓпÆÑоÀú
ÒѾÓÐ7È˻ظ´
322Çóµ÷¼Á
ÒѾÓÐ8È˻ظ´
¿¼Ñе÷¼Á
ÒѾÓÐ5È˻ظ´
307Çóµ÷¼Á
ÒѾÓÐ11È˻ظ´
292Çóµ÷¼Á
ÒѾÓÐ9È˻ظ´
±¾¿Æ211ÉúÎïҽѧ¹¤³Ì085409Çóµ÷¼Á339·Ö
ÒѾÓÐ3È˻ظ´
¼ò¼òµ¥µ¥Ç¿×Ð
гæ (СÓÐÃûÆø)
- Ó¦Öú: 0 (Ó×¶ùÔ°)
- ½ð±Ò: 118
- É¢½ð: 10
- Ìû×Ó: 96
- ÔÚÏß: 6.3Сʱ
- ³æºÅ: 14986059
- ×¢²á: 2019-04-30
- ÐÔ±ð: GG
- רҵ: Á÷ÌåÁ¦Ñ§
2Â¥2019-05-26 19:20:21
¼ò¼òµ¥µ¥Ç¿×Ð
гæ (СÓÐÃûÆø)
- Ó¦Öú: 0 (Ó×¶ùÔ°)
- ½ð±Ò: 118
- É¢½ð: 10
- Ìû×Ó: 96
- ÔÚÏß: 6.3Сʱ
- ³æºÅ: 14986059
- ×¢²á: 2019-04-30
- ÐÔ±ð: GG
- רҵ: Á÷ÌåÁ¦Ñ§
3Â¥2019-05-26 19:20:58














»Ø¸´´ËÂ¥