| 查看: 1193 | 回复: 5 | |||
yinzi863863银虫 (正式写手)
|
[交流]
做了一个透射电镜,请教下如何描述
|
|
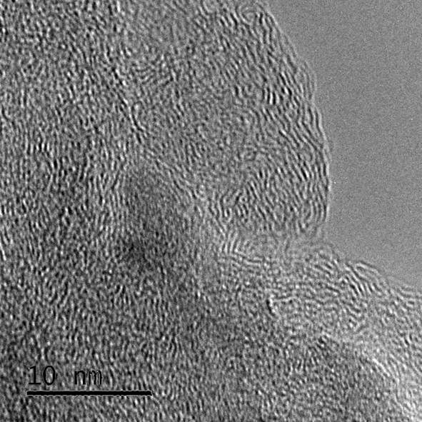
图像中的层状堆垛结构为石墨 如果用英文描述是: turbostratic structure 乱层石墨结构吗? 或three-dimensional texture of wrinkled carbon layers 或continuous aromatic domains 能称之为石墨微晶吗? 请高手指点,多谢! 问.jpg |
» 猜你喜欢
温州大学2026年招生(化学、材料)
已经有10人回复
招生负责_院士团队_学生高自由度成长_擅长学生培养
已经有5人回复
金属材料论文润色/翻译怎么收费?
已经有153人回复
温州大学招收2026年入学博士研究生(化学、材料、环境)
已经有10人回复
非晶合金
已经有2人回复
院士团队-每届学生都优秀-高自由度-团队氛围好
已经有0人回复
求调剂
已经有3人回复
化工学院(学院正式调剂群+联系方式)
已经有0人回复
化工学院(学院官方群)-院士团队招生-学生自由度高-培养模式成熟高效
已经有0人回复
黑龙江大学分析化学招调剂
已经有0人回复
武汉高校国家级人才团队招收材料,化学,纺织等专业硕士调剂生
已经有22人回复
» 本主题相关商家推荐: (我也要在这里推广)
yinzi863863
银虫 (正式写手)
- 应助: 13 (小学生)
- 金币: 123.7
- 散金: 136
- 红花: 4
- 帖子: 747
- 在线: 186.5小时
- 虫号: 1145927
- 注册: 2010-11-13
- 性别: GG
- 专业: 结构陶瓷
2楼2017-06-14 08:52:40
longshu123
新虫 (著名写手)
- 应助: 0 (幼儿园)
- 金币: 2153.9
- 散金: 421
- 红花: 10
- 帖子: 1654
- 在线: 370.1小时
- 虫号: 4123509
- 注册: 2015-10-07
- 性别: GG
- 专业: 数论

3楼2017-06-14 12:53:39
lomgi
木虫 (正式写手)
- 应助: 3 (幼儿园)
- 金币: 4344.7
- 红花: 8
- 帖子: 607
- 在线: 189.8小时
- 虫号: 721730
- 注册: 2009-03-13
- 性别: GG
- 专业: 凝聚态物性 II :电子结构
★ ★ ★
小木虫: 金币+0.5, 给个红包,谢谢回帖
送红花一朵
yinzi863863: 金币+2 2017-06-14 20:05:19
小木虫: 金币+0.5, 给个红包,谢谢回帖
送红花一朵yinzi863863: 金币+2 2017-06-14 20:05:19
|
同意楼上,缺陷较多,石墨化低,可以和拉曼对比验证。 发自小木虫IOS客户端 |
4楼2017-06-14 19:08:41
yinzi863863
银虫 (正式写手)
- 应助: 13 (小学生)
- 金币: 123.7
- 散金: 136
- 红花: 4
- 帖子: 747
- 在线: 186.5小时
- 虫号: 1145927
- 注册: 2010-11-13
- 性别: GG
- 专业: 结构陶瓷
5楼2017-06-14 20:13:08
yinzi863863
银虫 (正式写手)
- 应助: 13 (小学生)
- 金币: 123.7
- 散金: 136
- 红花: 4
- 帖子: 747
- 在线: 186.5小时
- 虫号: 1145927
- 注册: 2010-11-13
- 性别: GG
- 专业: 结构陶瓷
6楼2017-06-14 20:13:37













回复此楼