| ²é¿´: 2239 | »Ø¸´: 5 | ||
Karenlin--гæ (³õÈëÎÄ̳)
|
[ÇóÖú]
ZL101A½ðÏà ÒÑÓÐ4È˲ÎÓë
|
|
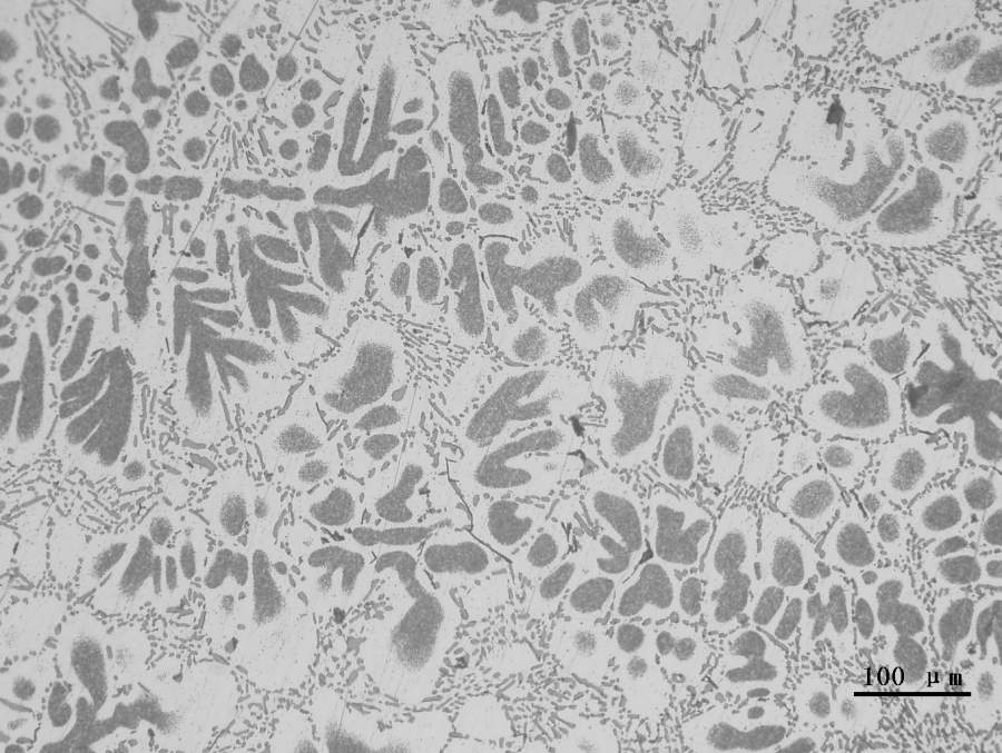
Çë½Ì¸÷·´óÉñ£ºÕâÊÇZL101AºÏ½ð±äÖÊ´¦ÀíºóµÄ½ðÏàͼ£¬ºÚÉ«µÄÊÇʲô£¿£¿ÎªÊ²Ã´½ðÏàͼÆ×ÉÏÕÒ²»µ½ÏàËÆµÄͼÆ×ÀàÐÍ 101-200.JPG |
» ²ÂÄãϲ»¶
±±¿Æ281ѧ˶²ÄÁÏÇóµ÷¼Á
ÒѾÓÐ6È˻ظ´
328Çóµ÷¼Á£¬Ó¢ÓïÁù¼¶551£¬ÓпÆÑоÀú
ÒѾÓÐ10È˻ظ´
298Çóµ÷¼Á
ÒѾÓÐ6È˻ظ´
310Çóµ÷¼Á
ÒѾÓÐ4È˻ظ´
311Çóµ÷¼Á
ÒѾÓÐ6È˻ظ´
307Çóµ÷¼Á
ÒѾÓÐ11È˻ظ´
²ÄÁÏÓ뻯¹¤085600£¬×Ü·Ö304£¬±¾¿ÆÓÐÁ½Æªsci²ÎÓ룬Çóµ÷¼Á
ÒѾÓÐ5È˻ظ´
315·Ö£¬³ÏÇóµ÷¼Á£¬²ÄÁÏÓ뻯¹¤085600
ÒѾÓÐ3È˻ظ´
Çóµ÷¼ÁÒ»Ö¾Ô¸º£´ó£¬0703»¯Ñ§Ñ§Ë¶304·Ö£¬Óдó´´ÏîÄ¿£¬Ëļ¶Òѹý
ÒѾÓÐ10È˻ظ´
ÕÐ08¿¼Êýѧ
ÒѾÓÐ8È˻ظ´
lehigh_73
½ð³æ (ÖøÃûдÊÖ)
- Ó¦Öú: 173 (¸ßÖÐÉú)
- ½ð±Ò: 1234.8
- ºì»¨: 11
- Ìû×Ó: 1108
- ÔÚÏß: 312.2Сʱ
- ³æºÅ: 233382
- ×¢²á: 2006-03-29
- ÐÔ±ð: GG
- רҵ: ½ðÊô½á¹¹²ÄÁÏ
2Â¥2017-06-12 20:56:04
wucy3657623
ľ³æ (ÕýʽдÊÖ)
â¹ûëë³æ
- Ó¦Öú: 131 (¸ßÖÐÉú)
- ½ð±Ò: 4168.9
- ºì»¨: 37
- Ìû×Ó: 818
- ÔÚÏß: 379.8Сʱ
- ³æºÅ: 574042
- ×¢²á: 2008-06-15
- ÐÔ±ð: GG
- רҵ: ½ðÊô²ÄÁϵÄ΢¹Û½á¹¹

3Â¥2017-06-12 21:50:44
yhwei2008
ÖÁ×ðľ³æ (ÕýʽдÊÖ)
- Ó¦Öú: 22 (СѧÉú)
- ½ð±Ò: 16257.4
- ºì»¨: 6
- Ìû×Ó: 689
- ÔÚÏß: 414.7Сʱ
- ³æºÅ: 430092
- ×¢²á: 2007-08-05
- רҵ: ½ðÊô²ÄÁϵÄÖÆ±¸¿ÆÑ§Óë¿çѧ
4Â¥2017-06-13 14:54:15

5Â¥2017-06-13 21:56:59
С¹âÔÚÄÄÀï
½û³æ (СÓÐÃûÆø)
|
±¾ÌûÄÚÈݱ»ÆÁ±Î |
6Â¥2018-04-02 17:57:39













»Ø¸´´ËÂ¥