| ²é¿´: 1440 | »Ø¸´: 7 | ||
µØ¹ÏºÜµÍµ÷Ìú³æ (³õÈëÎÄ̳)
|
[ÇóÖú]
Çó´óÉñ¿´¿´Ì¼µª¹²Éø´ã»ðºóµÄ×éÖ¯ ÒÑÓÐ1È˲ÎÓë
|
|
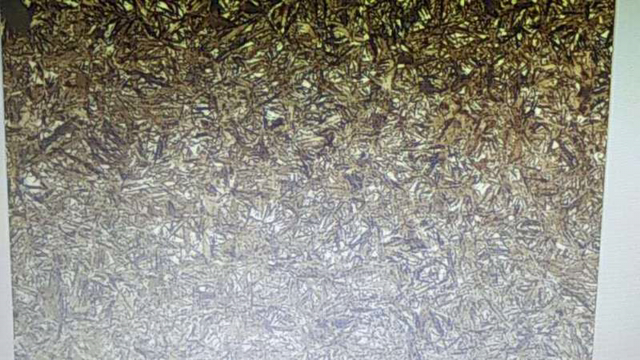
Çó´óÉñ¿´¿´Ì¼µª¹²Éø´ã»ðºóµÄ×éÖ¯£¬10ºÅ¸Ö£¬´ã»ð±íÃæÓ²¶È750Hv5 ·¢×ÔСľ³æIOS¿Í»§¶Ë |
» ²ÂÄãϲ»¶
304Çóµ÷¼Á
ÒѾÓÐ6È˻ظ´
²ÄÁϹ¤³Ìר˶µ÷¼Á
ÒѾÓÐ6È˻ظ´
Ò»Ö¾Ô¸Ìì´ó²ÄÁÏÓ뻯¹¤£¨085600£©×Ü·Ö338
ÒѾÓÐ4È˻ظ´
085700×ÊÔ´Óë»·¾³308Çóµ÷¼Á
ÒѾÓÐ3È˻ظ´
Çó²ÄÁϵ÷¼Á
ÒѾÓÐ8È˻ظ´
294Çóµ÷¼Á²ÄÁÏÓ뻯¹¤×¨Ë¶
ÒѾÓÐ5È˻ظ´
Ò»Ö¾Ô¸»ªÖпƼ¼´óѧ£¬080502£¬354·ÖÇóµ÷¼Á
ÒѾÓÐ4È˻ظ´
Ò»Ö¾Ô¸¼ªÁÖ´óѧ²ÄÁÏѧ˶321Çóµ÷¼Á
ÒѾÓÐ6È˻ظ´
085410È˹¤ÖÇÄÜר˶317Çóµ÷¼Á£¨0854¶¼¿ÉÒÔ£©
ÒѾÓÐ3È˻ظ´
330Çóµ÷¼Á
ÒѾÓÐ3È˻ظ´
Âò¾Æ°×ÔÆ±ß
½ð³æ (ÖªÃû×÷¼Ò)
- Ó¦Öú: 261 (´óѧÉú)
- ½ð±Ò: 328.9
- É¢½ð: 4269
- ºì»¨: 97
- ɳ·¢: 3
- Ìû×Ó: 7724
- ÔÚÏß: 882Сʱ
- ³æºÅ: 1707423
- ×¢²á: 2012-03-21
- ÐÔ±ð: GG
- רҵ: ÎÞ»ú»¯¹¤

2Â¥2017-06-10 13:36:55
µØ¹ÏºÜµÍµ÷
Ìú³æ (³õÈëÎÄ̳)
- Ó¦Öú: 0 (Ó×¶ùÔ°)
- ½ð±Ò: 11.5
- É¢½ð: 20
- ºì»¨: 1
- Ìû×Ó: 49
- ÔÚÏß: 13.7Сʱ
- ³æºÅ: 3460524
- ×¢²á: 2014-10-08
- רҵ: ½ðÊô½á¹¹²ÄÁÏ
3Â¥2017-06-10 13:39:03
peterflyer
ľ³æÖ®Íõ (ÎÄѧ̩¶·)
peterflyer
- MM-EPI: 2
- Ó¦Öú: 20282 (Ժʿ)
- ½ð±Ò: 146147
- ºì»¨: 1374
- Ìû×Ó: 93091
- ÔÚÏß: 7694.3Сʱ
- ³æºÅ: 1482829
- ×¢²á: 2011-11-08
- ÐÔ±ð: GG
- רҵ: ¹¦ÄÜÌÕ´É
4Â¥2017-06-10 21:39:06
gwd275786500
ͳæ (³õÈëÎÄ̳)
- Ó¦Öú: 3 (Ó×¶ùÔ°)
- ½ð±Ò: 157
- ºì»¨: 2
- Ìû×Ó: 47
- ÔÚÏß: 123.6Сʱ
- ³æºÅ: 4840873
- ×¢²á: 2016-07-14
- ÐÔ±ð: GG
- רҵ: ½ðÊô½á¹¹²ÄÁÏ

5Â¥2017-06-12 11:56:51
·çÈ¥ÎÞÉù
гæ (ÕýʽдÊÖ)
- Ó¦Öú: 2 (Ó×¶ùÔ°)
- ½ð±Ò: 879.5
- É¢½ð: 1173
- ºì»¨: 2
- ɳ·¢: 3
- Ìû×Ó: 418
- ÔÚÏß: 99.2Сʱ
- ³æºÅ: 3651905
- ×¢²á: 2015-01-19
- ÐÔ±ð: GG
- רҵ: ½ðÊô²ÄÁϵĺϽðÏà¡¢Ïà±ä¼°
6Â¥2017-06-19 10:15:43
µØ¹ÏºÜµÍµ÷
Ìú³æ (³õÈëÎÄ̳)
- Ó¦Öú: 0 (Ó×¶ùÔ°)
- ½ð±Ò: 11.5
- É¢½ð: 20
- ºì»¨: 1
- Ìû×Ó: 49
- ÔÚÏß: 13.7Сʱ
- ³æºÅ: 3460524
- ×¢²á: 2014-10-08
- רҵ: ½ðÊô½á¹¹²ÄÁÏ
7Â¥2017-07-13 10:45:25
¹úÄÚµÚһѧÔü
½ð³æ (ÖøÃûдÊÖ)
- Ó¦Öú: 13 (СѧÉú)
- ½ð±Ò: 10640.4
- É¢½ð: 474
- ºì»¨: 8
- Ìû×Ó: 2024
- ÔÚÏß: 86.9Сʱ
- ³æºÅ: 3089478
- ×¢²á: 2014-03-26
- ÐÔ±ð: GG
- רҵ: ¼«¶ËÌõ¼þÏÂʹÓõĽðÊô²ÄÁÏ
8Â¥2017-07-13 14:40:11













»Ø¸´´ËÂ¥