| 查看: 1548 | 回复: 3 | ||
[求助]
AMESim仿真 已有1人参与
|
|
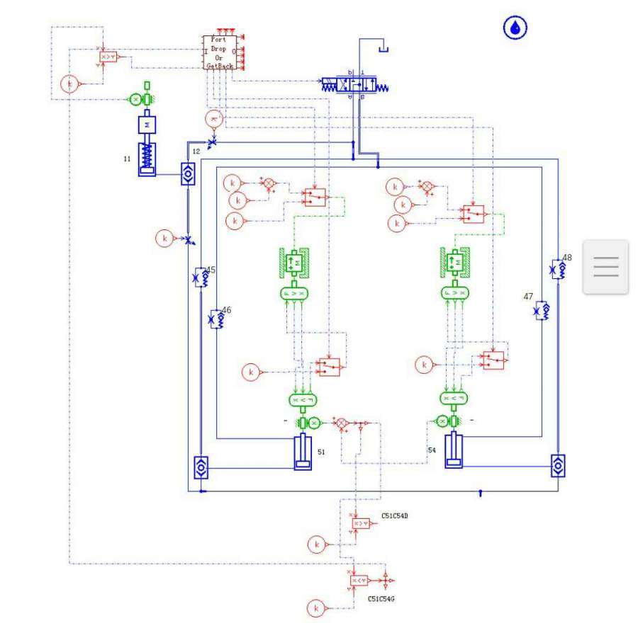
这个东西是老师给我的,飞机前起落架液压系统的仿真分析,他说是用来控制上位锁开关的,请问这个东西可以单纯的用AMESim做出来么?如果可以,怎么做,谢谢大家了!? 发自小木虫Android客户端 |
» 猜你喜欢
太原科技大学材料科学与工程学院“03高性能轻质合金及新能源材料”学硕与专硕有缺额
已经有0人回复
太原科技大学材料科学与工程学院“03高性能轻质合金及新能源材料”学硕与专硕有缺额
已经有0人回复
工程热物理与能源利用论文润色/翻译怎么收费?
已经有167人回复
太原科技大学材料科学与工程学院“03高性能轻质合金及新能源材料”学硕与专硕有缺额
已经有0人回复
太原科技大学材料科学与工程学院“03高性能轻质合金及新能源材料”学硕与专硕有缺额
已经有0人回复
太原科技大学材料科学与工程学院“03高性能轻质合金及新能源材料”学硕与专硕有缺额
已经有0人回复
密封仓激光3D打印技术在各行业的应用
已经有0人回复
增压泵活柱激光熔覆修复工艺流程详解
已经有0人回复
不锈钢螺栓激光熔覆修复加工技术深度剖析
已经有0人回复
钢筒激光清洗除锈技术优势及应用场景
已经有0人回复
钢厂五辊激光熔覆修复加工的四大优势
已经有0人回复
2楼2017-06-07 12:24:48
wyoming_haha
木虫 (职业作家)
- 应助: 0 (幼儿园)
- 金币: 14857.9
- 红花: 5
- 帖子: 3134
- 在线: 880.4小时
- 虫号: 3553448
- 注册: 2014-11-23
- 专业: 机械工程
3楼2017-06-08 12:31:01
4楼2017-09-09 21:32:50














回复此楼