| 查看: 1158 | 回复: 3 | ||
[求助]
关于Mg-Mn铸造镁合金的金相问题 已有2人参与
|
|
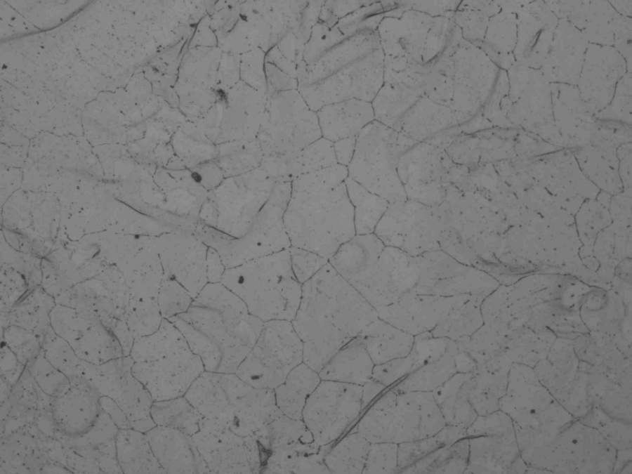
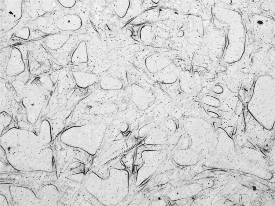
各位大佬好,我是小木虫新人。图片是本人做的Mg-Mn铸造合金毕业设计。刚铸出来的时候拍摄的金相照片是第三张图,但是过了一个月再做金相再拍就变成了图1、2、4的样子,就是有这种花纹(图2和图3倍数相同,图1图4倍数小)。这正常吗,请问有什么原因呢,谢谢 50-1.jpg 100-1.jpg mg-mn-sb-100.jpg 50-1.jpg |
» 猜你喜欢
体制内长辈说体制内绝大部分一辈子在底层,如同你们一样大部分普通教师忙且收入低
已经有13人回复
为什么中国大学工科教授们水了那么多所谓的顶会顶刊,但还是做不出宇树机器人?
已经有8人回复
版面费该交吗
已经有8人回复
面上可以超过30页吧?
已经有4人回复
“人文社科而论,许多学术研究还没有达到民国时期的水平”
已经有5人回复
什么是人一生最重要的?
已经有4人回复
今年春晚有几个节目很不错,点赞!
已经有12人回复
peterflyer
木虫之王 (文学泰斗)
peterflyer
- MM-EPI: 2
- 应助: 20282 (院士)
- 金币: 146067
- 红花: 1374
- 帖子: 93091
- 在线: 7694.3小时
- 虫号: 1482829
- 注册: 2011-11-08
- 性别: GG
- 专业: 功能陶瓷
2楼2017-06-06 19:12:38
3楼2017-06-06 23:08:25
Alex1
至尊木虫 (职业作家)
- 应助: 19 (小学生)
- 金币: 9865.7
- 散金: 7140
- 红花: 278
- 帖子: 4806
- 在线: 569.6小时
- 虫号: 1167338
- 注册: 2010-12-11
- 性别: GG
- 专业: 金属基复合材料

4楼2017-06-07 09:46:26













回复此楼