| 查看: 2025 | 回复: 1 | ||
[求助]
求助!此裂纹断口是否为准解理断口,求指教 已有1人参与
|
|
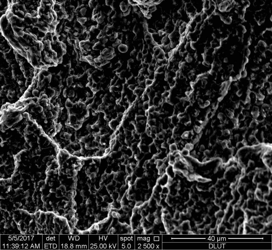
此材料为NiCrAl合金,激光加工后出现了裂纹。观察了裂纹的断口面,感觉有明显的撕裂棱,是否可算作河流花样呢。感觉此断面有韧窝,但又不是很典型网状韧窝,有点晕啊。自己判断是准解理断口,但是没发现明显的解理面,不清楚是怎么回事。恳请各位大侠给予一定的解释,小弟刚接触断口形貌,好多知识也是现学现用,了解不多。十分感谢各位指导! 第二张.jpg 第三张.jpg 第一张.jpg |
» 猜你喜欢
售SCI一区文章,我:8 O5 51O 54,科目齐全,可+急
已经有4人回复
版面费该交吗
已经有8人回复
售SCI一区文章,我:8 O5 51O 54,科目齐全,可+急
已经有5人回复
售SCI一区文章,我:8 O5 51O 54,科目齐全,可+急
已经有3人回复
基金正文30页指的是报告正文还是整个申请书
已经有6人回复
面上可以超过30页吧?
已经有4人回复
过年走亲戚时感受到了所开私家车的鄙视链
已经有12人回复
为什么中国大学教授们水了那么多所谓的顶会顶刊,但还是做不出宇树机器人?
已经有5人回复
售SCI一区文章,我:8 O5 51O 54,科目齐全,可+急
已经有4人回复
售SCI一区文章,我:8 O5 51O 54,科目齐全,可+急
已经有6人回复
» 本主题相关商家推荐: (我也要在这里推广)
flingbaby
铁杆木虫 (著名写手)
小虫子
- 应助: 4 (幼儿园)
- 金币: 6595.2
- 散金: 10
- 红花: 3
- 帖子: 1209
- 在线: 404.1小时
- 虫号: 904212
- 注册: 2009-11-16
- 性别: GG
- 专业: 聚合物共混与复合材料

2楼2019-03-06 20:58:33













回复此楼