| ²é¿´: 781 | »Ø¸´: 6 | |||
Òà²ËÒà¸èгæ (³õÈëÎÄ̳)
|
[½»Á÷]
¸ÖµÄÈÈ´¦Àí
|
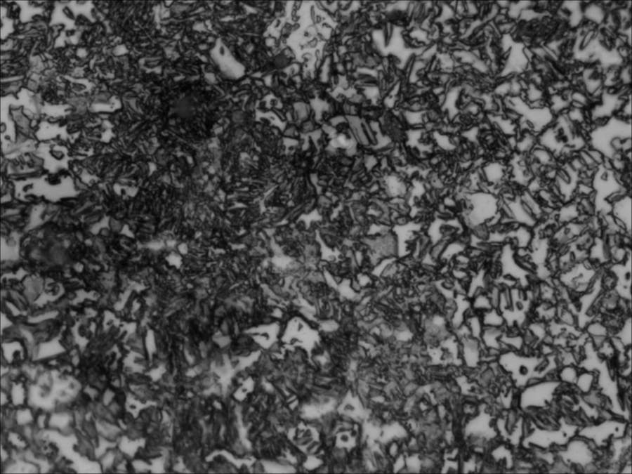
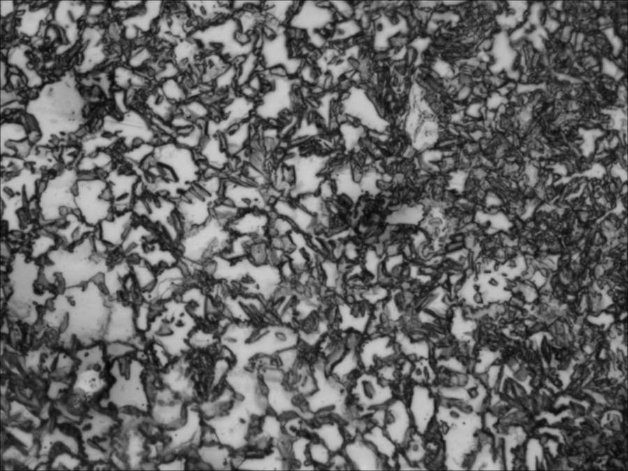
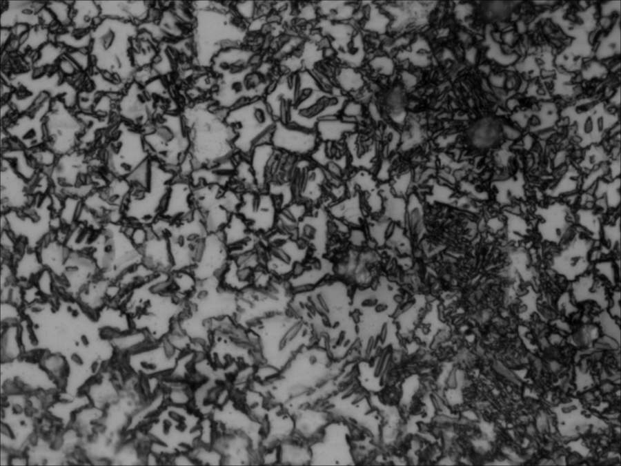
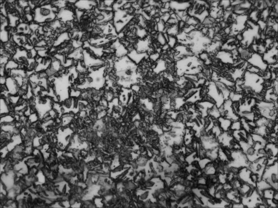
| º¬Ì¼Á¿0.2%×óÓҵĺϽð¸Ö¼ÓÈȵ½760ÉãÊ϶Ⱥó±£ÎÂ10·ÖÖÓºóË®´ã£¬µÃµ½ÈçϽðÏàͼ£¬ÇëÎÊ´óÉñͼÖж¼ÓÐÄÄЩ×éÖ¯¡£ÎÒÃÇÏëµÃµ½µÄÊÇÌúËØÌå¼ÓÂíÊÏÌåµÄË«Ïà×éÖ¯ |
» ²ÂÄãϲ»¶
301Çóµ÷¼Á
ÒѾÓÐ18È˻ظ´
»¯¹¤Ñ§Ë¶ 285Çóµ÷¼Á
ÒѾÓÐ19È˻ظ´
328Çóµ÷¼Á
ÒѾÓÐ8È˻ظ´
Çóµ÷¼Á
ÒѾÓÐ28È˻ظ´
304Çóµ÷¼Á£¨085602£¬¹ýËļ¶£¬Ò»Ö¾Ô¸985£©
ÒѾÓÐ21È˻ظ´
288»·¾³×¨Ë¶,Çóµ÷²ÄÁÏ·½Ïò
ÒѾÓÐ33È˻ظ´
285Çóµ÷¼Á
ÒѾÓÐ16È˻ظ´
273Çóµ÷¼Á
ÒѾÓÐ41È˻ظ´
331Çóµ÷¼Á
ÒѾÓÐ4È˻ظ´
298Çóµ÷¼Á
ÒѾÓÐ4È˻ظ´
lin09
гæ (³õÈëÎÄ̳)
- Ó¦Öú: 1 (Ó×¶ùÔ°)
- ½ð±Ò: 5.5
- Ìû×Ó: 14
- ÔÚÏß: 13.5Сʱ
- ³æºÅ: 931365
- ×¢²á: 2009-12-21
- רҵ: ½ðÊô²ÄÁϵÄ΢¹Û½á¹¹
2Â¥2017-05-13 15:48:02
Òà²ËÒà¸è
гæ (³õÈëÎÄ̳)
- Ó¦Öú: 0 (Ó×¶ùÔ°)
- ½ð±Ò: 1
- Ìû×Ó: 11
- ÔÚÏß: 6.9Сʱ
- ³æºÅ: 3765569
- ×¢²á: 2015-03-26
- ÐÔ±ð: GG
- רҵ: ½ðÊô½á¹¹²ÄÁÏ
3Â¥2017-05-13 15:53:07
Òà²ËÒà¸è
гæ (³õÈëÎÄ̳)
- Ó¦Öú: 0 (Ó×¶ùÔ°)
- ½ð±Ò: 1
- Ìû×Ó: 11
- ÔÚÏß: 6.9Сʱ
- ³æºÅ: 3765569
- ×¢²á: 2015-03-26
- ÐÔ±ð: GG
- רҵ: ½ðÊô½á¹¹²ÄÁÏ
4Â¥2017-05-13 16:00:08
jwfu
ÖÁ×ðľ³æ (ÎÄ̳¾«Ó¢)
- Ó¦Öú: 17 (СѧÉú)
- ½ð±Ò: 21031.8
- É¢½ð: 81
- ºì»¨: 21
- ɳ·¢: 3
- Ìû×Ó: 12262
- ÔÚÏß: 911.8Сʱ
- ³æºÅ: 680446
- ×¢²á: 2008-12-23
- ÐÔ±ð: GG
- רҵ: ½ðÊô²ÄÁϵĺϽðÏà¡¢Ïà±ä¼°
¡ï
Сľ³æ: ½ð±Ò+0.5, ¸ø¸öºì°ü£¬Ð»Ð»»ØÌû
Сľ³æ: ½ð±Ò+0.5, ¸ø¸öºì°ü£¬Ð»Ð»»ØÌû
|
ÔÚÎö³ö²¿·ÖÌúËØÌåºó¿ìÀ䣬ʣÓà°ÂÊÏÌåת±äΪÂíÊÏÌ壬ͼ²î²»¶àÊÇ ·¢×ÔСľ³æAndroid¿Í»§¶Ë |

5Â¥2017-05-13 16:18:23
k_star818
Ìú¸Ëľ³æ (ÖøÃûдÊÖ)
- Ó¦Öú: 0 (Ó×¶ùÔ°)
- ½ð±Ò: 16358.2
- Ìû×Ó: 1778
- ÔÚÏß: 169.5Сʱ
- ³æºÅ: 2365616
- ×¢²á: 2013-03-21
- ÐÔ±ð: GG
- רҵ: ·Ûĩұ½ðÓë·ÛÌ幤³Ì
6Â¥2017-05-14 11:23:11
hobo666
гæ (³õÈëÎÄ̳)
- Ó¦Öú: 0 (Ó×¶ùÔ°)
- ½ð±Ò: 9.7
- Ìû×Ó: 7
- ÔÚÏß: 2.2Сʱ
- ³æºÅ: 5444289
- ×¢²á: 2017-01-04
- רҵ: ½ðÊô²ÄÁϵĺϽðÏà¡¢Ïà±ä¼°
¡ï
Сľ³æ: ½ð±Ò+0.5, ¸ø¸öºì°ü£¬Ð»Ð»»ØÌû
Сľ³æ: ½ð±Ò+0.5, ¸ø¸öºì°ü£¬Ð»Ð»»ØÌû
|
Ïȹ²ÎöÌúËØÌ壬¼ÓÉϰåÌõÂíÊÏÌ壬¼Ó²Ð°Â£¿ ·¢×ÔСľ³æAndroid¿Í»§¶Ë |
7Â¥2017-05-15 11:25:31














»Ø¸´´ËÂ¥