| ²é¿´: 1672 | »Ø¸´: 9 | ||
fishleгæ (СÓÐÃûÆø)
|
[ÇóÖú]
¹ØÓڶϿڷÖÎöµÄÎÊÌ⣬¸Ðл´ó¼Ò²»Áߴͽ̡£ ÒÑÓÐ2È˲ÎÓë
|
|
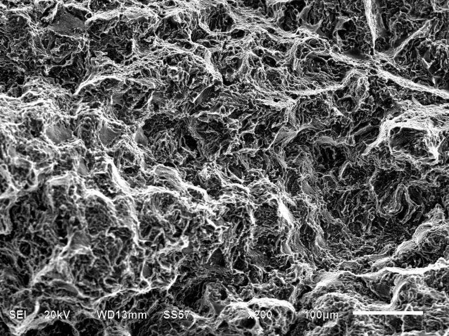
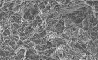
µÚÒ»ÕÅͼƬ£¬ÊÇ´Ó±ðÈËдþºÏ½ðµÄÎÄÏ×ÖнØÈ¡µÄ£¬ÆäÔÎÄÃèÊöΪ¡°typical plastic fracture. numerous isometric dimples are observe¡±ËûÌáµ½ÁËËÜÐÔ¶ÏÁѺ͵ÈÖáÈÍÎÏ¡£ÇëÎÊʲôÊÇËÜÐÔ¶ÏÁÑ£¿ËÜÐÔ¶ÏÁѺÍÈÍÐÔ¶ÏÁÑÊ²Ã´Çø±ð£¿ÎªÊ²Ã´Ìáµ½¶Ï¿Úͨ³£ËµµÄ¶¼ÊÇÈÍÐԺʹàÐÔ¶ÏÁÑ£¿ µÚ¶þÕÅͼƬÊÇÂÁºÏ½ðÀÉìÊÔÑùµÄ¶Ï¿Ú£¬ÎҸоõºÍµÚÒ»ÕÅͼƬºÜÏñ¡£ÇëÎÊÕâÊÇʲô¶ÏÁÑ£¿Ó¦¸ÃÔõÑùÃèÊö£¿Ð»Ð»´ó¼ÒÁË¡£¡£ @wacky1980 ·¢×ÔСľ³æAndroid¿Í»§¶Ë |
» ²ÂÄãϲ»¶
Ò»Ö¾Ô¸ÎäÀí085500»úеרҵ×Ü·Ö300Çóµ÷¼Á
ÒѾÓÐ6È˻ظ´
²ÄÁÏѧÇóµ÷¼Á
ÒѾÓÐ5È˻ظ´
¿¼Ñе÷¼Á
ÒѾÓÐ4È˻ظ´
281Çóµ÷¼Á
ÒѾÓÐ4È˻ظ´
0805 316Çóµ÷¼Á
ÒѾÓÐ6È˻ظ´
085601Çóµ÷¼Á×Ü·Ö293Ó¢Ò»Êý¶þ
ÒѾÓÐ3È˻ظ´
08¹¤Ñ§µ÷¼Á
ÒѾÓÐ17È˻ظ´
340Çóµ÷¼Á
ÒѾÓÐ4È˻ظ´
311Çóµ÷¼Á
ÒѾÓÐ3È˻ظ´
ʳƷר˶ һ־Ը˫һÁ÷ 328
ÒѾÓÐ4È˻ظ´
zhanguihang
Ìú¸Ëľ³æ (Ö°Òµ×÷¼Ò)
- Ó¦Öú: 0 (Ó×¶ùÔ°)
- ½ð±Ò: 6486.3
- É¢½ð: 743
- ºì»¨: 11
- ɳ·¢: 12
- Ìû×Ó: 3126
- ÔÚÏß: 186.8Сʱ
- ³æºÅ: 4975895
- ×¢²á: 2016-09-03
- ÐÔ±ð: GG
- רҵ: ½ðÊô»ù¸´ºÏ²ÄÁÏ
2Â¥2017-05-04 16:54:33
fishle
гæ (СÓÐÃûÆø)
- Ó¦Öú: 0 (Ó×¶ùÔ°)
- ½ð±Ò: 32.4
- É¢½ð: 264
- Ìû×Ó: 84
- ÔÚÏß: 23.7Сʱ
- ³æºÅ: 6338311
- ×¢²á: 2017-04-17
- רҵ: ½ðÊô½á¹¹²ÄÁÏ
3Â¥2017-05-04 18:52:58
engle028
ÖÁ×ðľ³æ (ÖªÃû×÷¼Ò)
½Å̤ʵµØ
- MM-EPI: 1
- Ó¦Öú: 232 (´óѧÉú)
- ¹ó±ö: 0.516
- ½ð±Ò: 17959.9
- É¢½ð: 2170
- ºì»¨: 52
- ɳ·¢: 37
- Ìû×Ó: 7621
- ÔÚÏß: 4059.1Сʱ
- ³æºÅ: 942285
- ×¢²á: 2010-01-14
- ÐÔ±ð: GG
- רҵ: ½ðÊô²ÄÁÏ
¡¾´ð°¸¡¿Ó¦Öú»ØÌû
¸Ðл²ÎÓ룬ӦÖúÖ¸Êý +1
| ËÜÐζÏÁѺʹàÐÔ¶ÏÁÑÖ÷ÒªÒÀ¿¿±äÐÎÁ¿½øÐÐÇø·Ö£¬µ±È»²»Í¬µÄ¶ÏÁÑÌØÕ÷Ò²ÄÜ˵Ã÷ÊÇËÜÐκʹàÐÔ£¬µÚÒ»ÕÅͼƬ±È½ÏÄ£ºý¿´²»Ç壬µÚ¶þÕÅͼƬ°×É«µÄÃ÷ÏÔÊÇÈÍÎÑ£¬µ«ÊÇÈÍÎÑÖ®¼äµÄ±¶ÊýСÁ˵㿴²»ºÜÇå³þ |

4Â¥2017-05-04 22:35:30
fishle
гæ (СÓÐÃûÆø)
- Ó¦Öú: 0 (Ó×¶ùÔ°)
- ½ð±Ò: 32.4
- É¢½ð: 264
- Ìû×Ó: 84
- ÔÚÏß: 23.7Сʱ
- ³æºÅ: 6338311
- ×¢²á: 2017-04-17
- רҵ: ½ðÊô½á¹¹²ÄÁÏ
|
ллÄúµÄ»Ø´ð£¬¿É·ñÏêϸ½âÊÍÒ»ÏÂÀ´Õâ¾ä»°¡°ËÜÐζÏÁѺʹàÐÔ¶ÏÁÑÖ÷ÒªÒÀ¿¿±äÐÎÁ¿½øÐÐÇø·Ö¡±£¬Ð»Ð»¡£ ·¢×ÔСľ³æAndroid¿Í»§¶Ë |
5Â¥2017-05-04 23:04:25
miss_fang
гæ (СÓÐÃûÆø)
- Ó¦Öú: 0 (Ó×¶ùÔ°)
- ½ð±Ò: 798.4
- É¢½ð: 38
- ºì»¨: 1
- Ìû×Ó: 155
- ÔÚÏß: 39.2Сʱ
- ³æºÅ: 5563727
- ×¢²á: 2017-02-11
- ÐÔ±ð: GG
- רҵ: ½ðÊô²ÄÁÏ
6Â¥2017-05-05 09:03:15
fishle
гæ (СÓÐÃûÆø)
- Ó¦Öú: 0 (Ó×¶ùÔ°)
- ½ð±Ò: 32.4
- É¢½ð: 264
- Ìû×Ó: 84
- ÔÚÏß: 23.7Сʱ
- ³æºÅ: 6338311
- ×¢²á: 2017-04-17
- רҵ: ½ðÊô½á¹¹²ÄÁÏ
7Â¥2017-05-05 16:58:04
wyf709903
гæ (ÕýʽдÊÖ)
- Ó¦Öú: 2 (Ó×¶ùÔ°)
- ½ð±Ò: 3021.3
- É¢½ð: 60
- ºì»¨: 3
- Ìû×Ó: 718
- ÔÚÏß: 441.9Сʱ
- ³æºÅ: 821910
- ×¢²á: 2009-08-04
- רҵ: ½ðÊô²ÄÁϵÄÁ¦Ñ§ÐÐΪ
|
ËÜÐÔÊDzÄÁϵıäÐÎÄÜÁ¦£¬ÈÍÐÔÊDzÄÁÏÔÚ±äÐκͶÏÁѹý³ÌÖÐÎüÊÕÄÜÁ¿µÄÄÜÁ¦¡£Ç°Õß¿ÉÓÃÀÉìÇúÏßµÄÉ쳤ÂÊ¡¢¶ÏÃæÊÕËõÂÊÀ´¶¨Á¿±íʾ£¬ºóÕßÓгå»÷ÈÍÐÔ£¬»òÕß¿´ÀÉìÇúÏßËùÎ§Ãæ»ý¡£ËÜÐԽϺõIJÄÁÏ£¬ÈÍÐÔÒ»°ãÒ²½ÏºÃ¡££¨¸öÈËÀí½â£¬ÈçÓдíÎó£¬ÇëÖ¸Õý£© |
8Â¥2017-05-05 21:29:13
fishle
гæ (СÓÐÃûÆø)
- Ó¦Öú: 0 (Ó×¶ùÔ°)
- ½ð±Ò: 32.4
- É¢½ð: 264
- Ìû×Ó: 84
- ÔÚÏß: 23.7Сʱ
- ³æºÅ: 6338311
- ×¢²á: 2017-04-17
- רҵ: ½ðÊô½á¹¹²ÄÁÏ
9Â¥2017-05-06 07:47:04
bigbright
Òø³æ (ÕýʽдÊÖ)
- Ó¦Öú: 77 (³õÖÐÉú)
- ½ð±Ò: 897.3
- ºì»¨: 3
- Ìû×Ó: 356
- ÔÚÏß: 261.9Сʱ
- ³æºÅ: 1936003
- ×¢²á: 2012-08-13
- רҵ: ½ðÊô²ÄÁϵÄ΢¹Û½á¹¹
10Â¥2017-05-06 11:19:17













»Ø¸´´ËÂ¥