| ²é¿´: 2795 | »Ø¸´: 6 | ||
yyr_analгæ (³õÈëÎÄ̳)
|
[ÇóÖú]
ÒºÏàÉ«Æ×PDA¼ì²âÊý¾Ýµ¼³ö ÒÑÓÐ2È˲ÎÓë
|
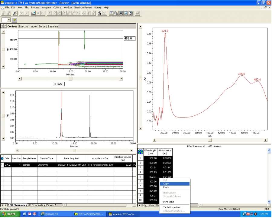
| ÇëÎÊÒ»ÏÂwaters e2695ÐͺŵÄPDA¼ì²âÖеĹâÆ×Êý¾Ý¿ÉÒÔµ¼³öÂð£¿ÔõÑùµ¼³ö£¿ |
» ²ÂÄãϲ»¶
081700»¯Ñ§¹¤³ÌÓë¼¼Êõ Ò»Ö¾Ô¸Öк£Ñó 323 Çóµ÷¼ÁѧУ
ÒѾÓÐ12È˻ظ´
385·Ö ÉúÎïѧ£¨071000£©Çóµ÷¼Á
ÒѾÓÐ7È˻ظ´
²ÄÁÏר˶283Çóµ÷¼Á
ÒѾÓÐ3È˻ظ´
0703Çóµ÷¼Á383·Ö
ÒѾÓÐ5È˻ظ´
323Çóµ÷¼Á
ÒѾÓÐ3È˻ظ´
26¿¼Ñе÷¼Á0710 0860
ÒѾÓÐ8È˻ظ´
081700ѧ˶£¬323·Ö£¬Ò»Ö¾Ô¸Öйúº£Ñó´óѧÇóµ÷¼ÁѧУ
ÒѾÓÐ3È˻ظ´
Ò»Ö¾Ô¸±±¾©»¯¹¤´óѧ£¬³õÊԳɼ¨350Çóµ÷¼Á
ÒѾÓÐ5È˻ظ´
Ò»Ö¾Ô¸0817»¯Ñ§¹¤³ÌÓë¼¼Êõ£¬Çóµ÷¼Á
ÒѾÓÐ22È˻ظ´
085600£¬×¨Òµ¿Î»¯¹¤ÔÀí£¬321·ÖÇóµ÷¼Á
ÒѾÓÐ10È˻ظ´
²»ÏëÆ¯Á÷
ľ³æ (СÓÐÃûÆø)
- Ó¦Öú: 24 (СѧÉú)
- ½ð±Ò: 2698.7
- É¢½ð: 19
- ºì»¨: 3
- Ìû×Ó: 235
- ÔÚÏß: 136.3Сʱ
- ³æºÅ: 1238654
- ×¢²á: 2011-03-19
- ÐÔ±ð: GG
- רҵ: ÌìȻҩÎﻯѧ
¡¾´ð°¸¡¿Ó¦Öú»ØÌû
¸Ðл²ÎÓ룬ӦÖúÖ¸Êý +1
| 2695ÓõŤ×÷Õ¾Ó¦¸ÃÊÇEmpower2°É£¬ÎÒÒÔǰµ¼³ö¹ýÉ«Æ×ͼ£¬Â¥Ö÷ÊÇÏëÒªµ¼³öPDA¼ì²âÆ÷ÔÚijһ˲ʱµÄȫɨÃèÆ×ͼÂ𣿠|

2Â¥2017-05-03 16:30:30
yyr_anal
гæ (³õÈëÎÄ̳)
- Ó¦Öú: 0 (Ó×¶ùÔ°)
- ½ð±Ò: 57
- Ìû×Ó: 26
- ÔÚÏß: 16Сʱ
- ³æºÅ: 5772838
- ×¢²á: 2017-02-27
- רҵ: É«Æ×·ÖÎö
3Â¥2017-05-04 10:47:30
²»ÏëÆ¯Á÷
ľ³æ (СÓÐÃûÆø)
- Ó¦Öú: 24 (СѧÉú)
- ½ð±Ò: 2698.7
- É¢½ð: 19
- ºì»¨: 3
- Ìû×Ó: 235
- ÔÚÏß: 136.3Сʱ
- ³æºÅ: 1238654
- ×¢²á: 2011-03-19
- ÐÔ±ð: GG
- רҵ: ÌìȻҩÎﻯѧ

4Â¥2017-05-04 14:03:29
yyr_anal
гæ (³õÈëÎÄ̳)
- Ó¦Öú: 0 (Ó×¶ùÔ°)
- ½ð±Ò: 57
- Ìû×Ó: 26
- ÔÚÏß: 16Сʱ
- ³æºÅ: 5772838
- ×¢²á: 2017-02-27
- רҵ: É«Æ×·ÖÎö
5Â¥2017-06-05 17:29:39
yyyyll
гæ (СÓÐÃûÆø)
- Ó¦Öú: 0 (Ó×¶ùÔ°)
- ½ð±Ò: 117.4
- É¢½ð: 44
- ºì»¨: 1
- Ìû×Ó: 185
- ÔÚÏß: 46.9Сʱ
- ³æºÅ: 4542941
- ×¢²á: 2016-03-26
- ÐÔ±ð: MM
- רҵ: ÉúÎﻯ¹¤ÓëʳƷ»¯¹¤
6Â¥2017-12-16 15:36:27
t892893235
ľ³æ (ÖøÃûдÊÖ)
·¶µÂÄ·ÌØ´ó¶Ô¹´
- ACI: 3
- Ó¦Öú: 448 (˶ʿ)
- ½ð±Ò: 3832.4
- É¢½ð: 169
- ºì»¨: 32
- Ìû×Ó: 1243
- ÔÚÏß: 192.9Сʱ
- ³æºÅ: 1699033
- ×¢²á: 2012-03-18
- ÐÔ±ð: GG
- רҵ: É«Æ×·ÖÎö
7Â¥2017-12-19 13:17:26














»Ø¸´´ËÂ¥
