| 查看: 2466 | 回复: 14 | |||
[交流]
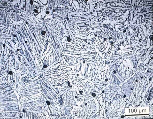
钛合金tc4金相求助 已有11人参与
|
|||
|
抛光之后出现这种图是怎么回事 哪里有问题呀 500倍看的 发自小木虫IOS客户端 |
» 猜你喜欢
323求调剂
已经有6人回复
一志愿北京化工大学 070300 学硕 336分 求调剂
已经有4人回复
352求调剂
已经有3人回复
一志愿东华大学化学070300,求调剂
已经有8人回复
277材料科学与工程080500求调剂
已经有7人回复
317求调剂
已经有18人回复
293求调剂
已经有5人回复
280分求调剂 一志愿085802
已经有7人回复
0854电子信息求调剂
已经有3人回复
263求调剂
已经有4人回复
» 本主题相关价值贴推荐,对您同样有帮助:
TC4钛合金金相照片和SEM照片微观组织求助?
已经有8人回复
求助TC4钛合金金相组织分析???
已经有0人回复
【求助】钛合金金相制备
已经有4人回复
钛合金腐蚀求助
已经有9人回复
关于钛合金TC4铣削后微观组织是否含有层错的观察求助
已经有0人回复
【求助】请教Ti和Ti合金的金相照片
已经有7人回复
【求助】求助 钛合金表面抛光的问题——怎样获得镜子般的表面
已经有5人回复
10楼2017-04-28 21:44:44
★
小木虫: 金币+0.5, 给个红包,谢谢回帖
小木虫: 金币+0.5, 给个红包,谢谢回帖
|
本帖内容被屏蔽 |
2楼2017-04-26 14:50:36
3楼2017-04-27 00:55:09
4楼2017-04-27 09:50:50
5楼2017-04-27 20:35:49
6楼2017-04-27 20:35:58
7楼2017-04-27 20:36:15
8楼2017-04-27 20:36:39
9楼2017-04-28 10:41:08













回复此楼