| 查看: 338 | 回复: 0 | ||
[求助]
无源负载模拟求助
|
|
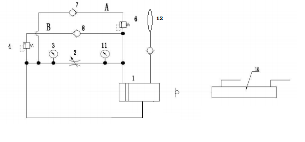
液压小白一名,刚接触液压。现需要设计一套液压被动负载系统,需满足拉压两类载荷要求,不想用有源方式,尽管精度更高,请教大家: 我的思路如下: 工作件10压缩油缸时,通过节流阀2,溢流阀6,单向阀7作用,工作件10拉伸时,通过节流阀2,溢流阀4,单向阀8作用。发生漏油时通过蓄能器12补偿,该系统是否可以实现。 该方式是否合理,如果不合理,大家有啥合理建议,谢谢大家帮助。 yeya.png |
» 猜你喜欢
313求调剂
已经有1人回复
青岛市直事业编,95硕,180 65,老家河南,爱好吉它唱歌
已经有0人回复
工程热物理与能源利用论文润色/翻译怎么收费?
已经有103人回复
太原科技大学材料科学与工程学院“03高性能轻质合金及新能源材料”学硕与专硕有缺额
已经有0人回复
太原科技大学材料科学与工程学院“03高性能轻质合金及新能源材料”学硕与专硕有缺额
已经有0人回复
太原科技大学材料科学与工程学院“03高性能轻质合金及新能源材料”学硕与专硕有缺额
已经有0人回复
太原科技大学材料科学与工程学院“03高性能轻质合金及新能源材料”学硕与专硕有缺额
已经有0人回复
太原科技大学材料科学与工程学院“03高性能轻质合金及新能源材料”学硕与专硕有缺额
已经有0人回复
求助调剂推荐
已经有0人回复
石家庄铁道大学085900、081404招收调剂生
已经有0人回复
355 山科电气专硕 调剂推荐
已经有1人回复














回复此楼