| ²é¿´: 5748 | »Ø¸´: 1 | ||
8955515zzjjгæ (³õÈëÎÄ̳)
|
[ÇóÖú]
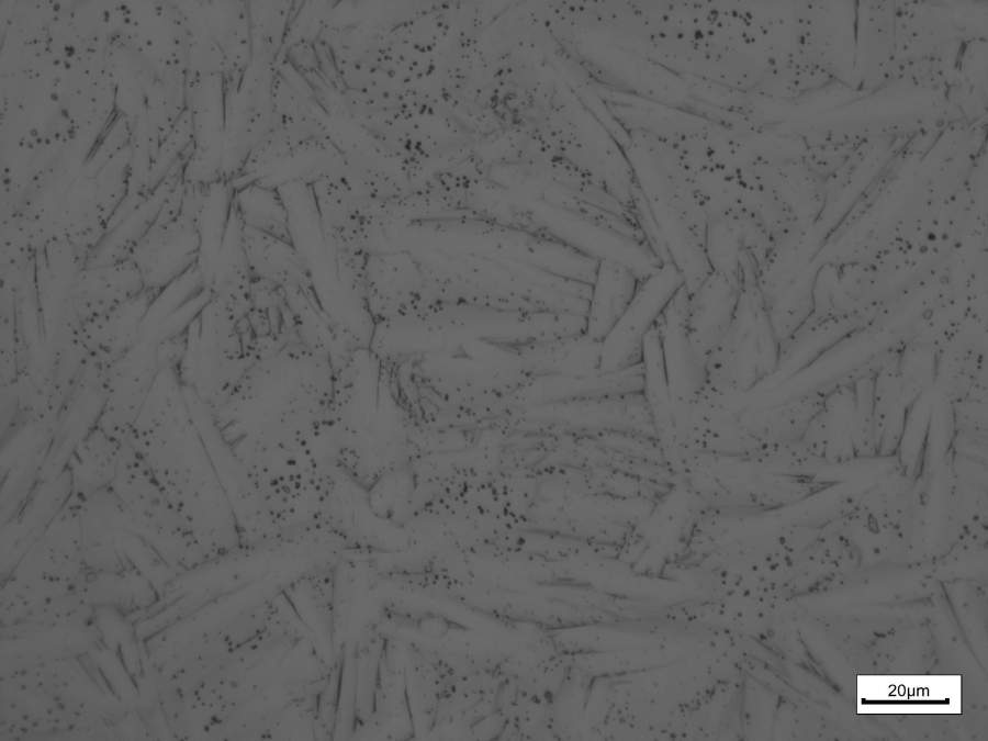
ÇóÖúÄøîѺϽð½ðÏฯʴҺµÄÅä±È£¿£¿£¿£¿£¿£¿£¿ ÒÑÓÐ1È˲ÎÓë
|
|
ÕâЩ½ðÏàÕÕÆ¬ËãÄøîѺϽðÂíÊÏÌå×éÖ¯Â𣿠ÄÇÈçºÎ·ÖÎöËüµÄ¾§Á£¶È£¬Í¬Ê±ÇóµÃµ½Îö³öÏàµÄ¸¯Ê´ÒºÅä±È£¿ capture7209_¸±±¾.jpg capture7208_¸±±¾.jpg capture7210_¸±±¾.jpg |
» ²ÂÄãϲ»¶
271²ÄÁϹ¤³ÌÇóµ÷¼Á
ÒѾÓÐ5È˻ظ´
281Çóµ÷¼Á£¨0805£©
ÒѾÓÐ16È˻ظ´
304Çóµ÷¼Á
ÒѾÓÐ6È˻ظ´
²ÄÁϹ¤³Ìר˶µ÷¼Á
ÒѾÓÐ6È˻ظ´
Ò»Ö¾Ô¸Ìì´ó²ÄÁÏÓ뻯¹¤£¨085600£©×Ü·Ö338
ÒѾÓÐ4È˻ظ´
085700×ÊÔ´Óë»·¾³308Çóµ÷¼Á
ÒѾÓÐ3È˻ظ´
Çó²ÄÁϵ÷¼Á
ÒѾÓÐ8È˻ظ´
294Çóµ÷¼Á²ÄÁÏÓ뻯¹¤×¨Ë¶
ÒѾÓÐ5È˻ظ´
Ò»Ö¾Ô¸»ªÖпƼ¼´óѧ£¬080502£¬354·ÖÇóµ÷¼Á
ÒѾÓÐ4È˻ظ´
Ò»Ö¾Ô¸¼ªÁÖ´óѧ²ÄÁÏѧ˶321Çóµ÷¼Á
ÒѾÓÐ6È˻ظ´
2Â¥2017-06-25 16:03:57













»Ø¸´´ËÂ¥