| ²é¿´: 603 | »Ø¸´: 0 | ||
sheshuyuanгæ (³õÈëÎÄ̳)
|
[ÇóÖú]
ÇóÖúTEMͼÏñ·ÖÎö
|
|
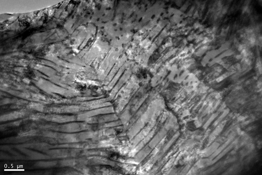
ÓÐÁ½¸öʵÑé²ÎÊýϵÄÖé¹âÌå¸Ö²ÄTEMͼÏñ£¬µÚÒ»´Î×öTEM·ÖÎö£¬ÍêÈ«²»¶®²ÄÁÏ£¬Çë½Ì´óÅ£ÃÇ£¬ÕâÁ½¸ö²ÎÊýµÄͼÄÜ¿´³öÊ²Ã´Çø±ðÀ´Â𣿠ÅÄÉãµÄЧ¹û²»ÊǺܺ㬻¹Çë¼ûÁ¡£µÚÒ»¸ö²ÎÊý(1-1~1-5£¬Ç°Îå·ùͼ)µÄµÚ1-5ͼ¿ÉÒÔ¿´³öÀ´ÉøÌ¼Ì壬µÚ¶þ¸ö²ÎÊý(2-1~2-5£¬ºóÎå·ùͼ)µÄÏà»ù±¾ÉÏ¿´²»³öÀ´£¬ÒÔ¼°ÕâÁ½²ÎÊýÏàµÄÒ»Ð©Çø±ðÓë±ä»¯£¬»¹ÇëÖ¸½Ì£¡£¡£¡ 1-1.png 1-2.png 1-3.png 1-4.png 1-5.png 2-2.png 2-3.png 2-4.png 2-5.png@·ÑÒ¦ÓÀ·Ò@zbhwel |
» ²ÂÄãϲ»¶
Ó¢¹ú¸ñÀ˹¸ç´óѧ»úÆ÷ÈË·½ÏòÕÐУ½±²©Ê¿Éú
ÒѾÓÐ11È˻ظ´
Ñàɽ´óѧ»úе¹¤³ÌѧԺMarian WiercigrochԺʿÍŶÓÕÐÊÕ2026Ä격ʿ5ÈË
ÒѾÓÐ0È˻ظ´
µçÆø¿ÆÑ§Ó빤³ÌÂÛÎÄÈóÉ«/·ÒëÔõôÊÕ·Ñ?
ÒѾÓÐ218È˻ظ´
ÖйúµØÖÊ´óѧ£¨±±¾©£©¹¤³Ì¼¼ÊõѧԺѦÆôÁú¿ÎÌâ×éÕÐÊÕ2026Ä격ʿÉú
ÒѾÓÐ3È˻ظ´
ÕÐÊÕ˶£¬²©Ê¿£¬²©Ê¿ºó¼°ÁªÅࣺÉ豸״̬¼à²â£¬ ¿É¿¿ÐÔÓëά»¤£¬È˹¤ÖÇÄÜ£¬Í¼Ïñ´¦Àí
ÒѾÓÐ0È˻ظ´
·ÛÄ©ÈÈѹÉúÅ÷´ú¼Ó¹¤
ÒѾÓÐ0È˻ظ´
Òѱà¼
ÒѾÓÐ4È˻ظ´
ÇëÎÊieee tpe¾Ü¸åÖØÍ¶Ò»¶¨µÃµÈÁ½¸öÔÂÂð
ÒѾÓÐ5È˻ظ´
IEEE»áÒéEiÊÕ¼¸ßУÖ÷°ì-IEEEµÚÈý½ìÄÜÔ´ÓëµçÆø¹¤³Ì¹ú¼ÊѧÊõ»áÒé-EEE 2026
ÒѾÓÐ0È˻ظ´
Ei»áÒé-µÚÁù½ìÁ÷ÌåÓ뻯ѧ¹¤³Ì¹ú¼ÊѧÊõ»áÒé-ICFCE2026
ÒѾÓÐ1È˻ظ´













»Ø¸´´ËÂ¥