| 查看: 1281 | 回复: 3 | ||
[求助]
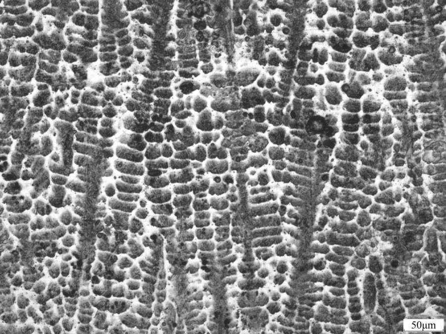
堆焊层组织
|
||
|
|
||
雨伞家园新虫 (小有名气)
|
|
|
![]() |
||
|
2楼2017-05-06 18:38:16
|
|
|
|
3楼2017-05-06 23:39:03
|
|
|
wkb_plasma新虫 (小有名气)
|
|
|
|
4楼2017-06-12 12:54:47
|
|













回复此楼

