| ²é¿´: 252 | »Ø¸´: 0 | ||
°®Ð¦Íõ¹ÃÄïгæ (ÕýʽдÊÖ)
|
[ÇóÖú]
ÇóÖú
|
|
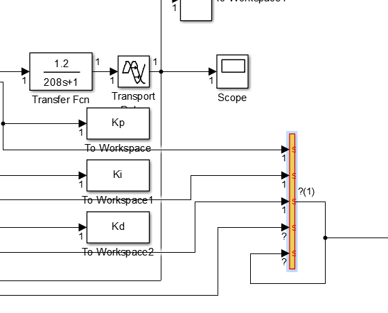
ÇëÎÊÕâ¸öÎÊÌâÔõô½â¾ö°¡ ÕâÊÇʲôÔÒò°¡ лл P`R7P1U0@E3U83@HYCM9HJ3.png DI@[I]%BR5]X@)[5A]XWGKU.png IMQC`~0PNLZH~)%PEV84ZQJ.png |
» ²ÂÄãϲ»¶
ÖØÇì½»´ó26Äê˶ʿÉúÕÐÉúÄâµ÷¼Á֪ͨÒѳö£¡»¶Ó¼ÓÈë»úÆ÷ÊÓ¾õÓë3D¹âѧ³ÉÏñ¿ÎÌâ×é¡£
ÒѾÓÐ0È˻ظ´
**
ÒѾÓÐ1È˻ظ´
ÎïÀíѧIÂÛÎÄÈóÉ«/·ÒëÔõôÊÕ·Ñ?
ÒѾÓÐ266È˻ظ´
0702Ò»Ö¾Ô¸¼ª´óBÇøÇóµ÷¼Á ±¾¿ÆÆÚ¼ä·¢±íһƪSci
ÒѾÓÐ3È˻ظ´
»ùµ×STO,±¡Ä¤SRO£¬XRDÀïÃæµÄÕñµ´£¬ÊÇlaueÕðµ´»¹ÊÇkiessigÕñµ´? ÔõôÅжϣ¿
ÒѾÓÐ2È˻ظ´
BÇøÑ§Éúµ÷¼Á-À¼Öݽ»Í¨´óѧ²ÄÁÏ¿ÆÑ§Ó빤³ÌѧԺ
ÒѾÓÐ8È˻ظ´
ɽÎ÷´óͬ´óѧÎïÀíѧרҵ»¹Óе÷¼ÁÃû¶î£¬»¶Óµ÷¼Á£¡
ÒѾÓÐ12È˻ظ´
¹ðÁÖÀí¹¤´óѧÎïÀíѧרҵÕÐÊÕµ÷¼Á
ÒѾÓÐ11È˻ظ´
VASP µÄÒ»×é GPU / CPU »ù×¼²âÊԼǼ
ÒѾÓÐ0È˻ظ´
ÃÀ¹ú¶¥¼¶ÎïÀíÆÚ¿¯¡¶Ó¦ÓÃÎïÀí¿ì±¨¡·£¨APL£©µÄ±à¼ÆÛÆºÍÆçÊÓ×÷Õß¼°AIPµÄ¹ÙÁÅÖ÷Òå°ÁÂý
ÒѾÓÐ1È˻ظ´














»Ø¸´´ËÂ¥