| 查看: 1962 | 回复: 6 | ||
[求助]
TC17金相分析 已有1人参与
|
|
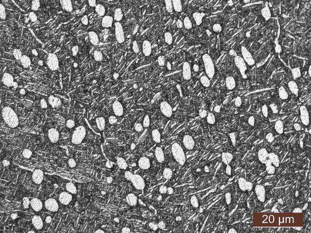
各位大神,小弟初学金相分析,图谱看的不是很明白。还望各位大神帮忙看一下,万分感谢! 发自小木虫IOS客户端 |
» 猜你喜欢
新修订《药品管理法实施条例》下制药设备创新与合规讨论
已经有0人回复
长江大学石油工程学院唐善法团队2026年博士研究生招生
已经有7人回复
冶金与矿业论文润色/翻译怎么收费?
已经有128人回复
谢和平院士团队招收2026年度深地科学、岩石力学、资源能源开发领域的博士生1名
已经有15人回复
一志愿中国石油大学(华东)石油与天然气工程学硕,求调剂
已经有2人回复
求一个软件
已经有0人回复
5年内!药企无法掌握对元素杂质工艺将面临淘汰(2025药典0861、0862新规)
已经有0人回复
从爆炸废墟到安全防线:钽材料将改写化工反应釜的命运
已经有0人回复
罕见病药小批量生产,高腐蚀工况下钽衬里是否最优解?
已经有0人回复
求调剂
已经有3人回复
2楼2017-03-03 11:09:03
送红花一朵 |
之前查文献也说Tc17是α+β双相合金,白色的为α黑色的为β。那针对我发的图片,是不是不管是球状的白点,还是条状白色部分都是α相?还有您说的等轴说的是不是就是球状白点? 发自小木虫IOS客户端 |
3楼2017-03-03 11:58:57
chenruibo60
新虫 (小有名气)
- 应助: 1 (幼儿园)
- 金币: 1366.5
- 红花: 1
- 帖子: 160
- 在线: 37.7小时
- 虫号: 3690239
- 注册: 2015-02-16
- 性别: GG
- 专业: 金属基复合材料
4楼2017-03-03 12:30:50
5楼2017-03-03 13:26:19
chenruibo60
新虫 (小有名气)
- 应助: 1 (幼儿园)
- 金币: 1366.5
- 红花: 1
- 帖子: 160
- 在线: 37.7小时
- 虫号: 3690239
- 注册: 2015-02-16
- 性别: GG
- 专业: 金属基复合材料
6楼2017-03-03 20:08:55
送红花一朵 |
非常感谢您的解答。但还有几个问题想问您一下。β转变组织,是说机体是由β转变而来的?还是说α是由β转变来的?另外您提到的片层结构是指机体,还是所有都包含?如果是指机体,那颗粒状白点叫什么结构?还有就是一楼说的板条加等轴是什么意思? 发自小木虫IOS客户端 |
7楼2017-03-04 07:58:07













回复此楼