| ²é¿´: 397 | »Ø¸´: 0 | ||
lanbo708Ìú³æ (³õÈëÎÄ̳)
|
[ÇóÖú]
îѺϽð×éÖ¯Òì³£
|
|
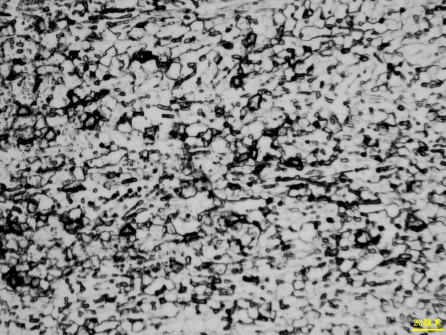
²ÄÁÏΪÍË»ðºóµÄ¶Í̬TC2îѺϽ𣬶ͼþÖÐÐÄÇøÓò³öÏÖϸÌõ×´µÄºÚÉ«×éÖ¯£¬ÇëÎÊÊÇÔªËØÆ«Î÷»¹ÊÇÎö³öÏ࣬Çó´óÉñÖ¸µ¼£¡ 1-B-200-2.jpg 2-B-200-1.jpg |
» ²ÂÄãϲ»¶
±¾¿ÆÄÏ·½Ò½¿Æ´óѧ Ò»Ö¾Ô¸985 ҩѧѧ˶284·Ö Çóµ÷¼Á
ÒѾÓÐ5È˻ظ´
295·ÖÇóµ÷¼Á
ÒѾÓÐ12È˻ظ´
µ÷¼ÁÇóÊÕÁô
ÒѾÓÐ25È˻ظ´
272·Ö²ÄÁÏ×ÓÇóµ÷¼Á
ÒѾÓÐ49È˻ظ´
211±¾¿Æ²ÄÁÏ»¯¹¤Çóµ÷¼Á
ÒѾÓÐ16È˻ظ´
279ѧ˶ʳƷרҵÇóµ÷¼ÁԺУ
ÒѾÓÐ12È˻ظ´
һ־Ը˫·Ç085400µç×ÓÐÅÏ¢344 Çóµ÷¼Á£¬¶Ô²ÄÁϺͻ¯Ñ§·½ÏòÒ²¸ÐÐËȤ
ÒѾÓÐ11È˻ظ´
279Çóµ÷¼Á
ÒѾÓÐ8È˻ظ´
277Çóµ÷¼Á
ÒѾÓÐ21È˻ظ´
290Çóµ÷¼Á
ÒѾÓÐ15È˻ظ´













»Ø¸´´ËÂ¥