| 查看: 3065 | 回复: 5 | |
shopping夏新虫 (初入文坛)
|
[求助]
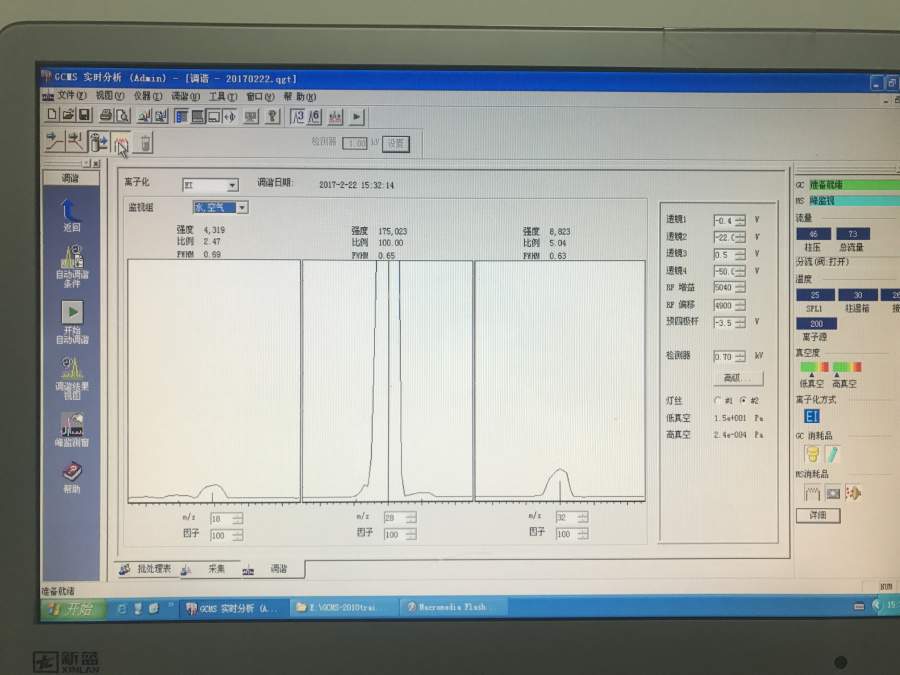
岛津的GCMS-2010plus显示氮气含量过高,自动调谐又显示调谐已通过,这是怎么回事
|
|
|
|
shopping夏新虫 (初入文坛)
|
|
|
2楼2017-02-22 20:18:25
|
|
wy19871124新虫 (职业作家)
质谱首席顾问
|
|
|
3楼2017-02-22 21:11:31
|
|
514709618木虫 (小有名气)
|
|
|
4楼2017-02-22 21:28:03
|
|
shopping夏新虫 (初入文坛)
|
|
|
5楼2017-02-23 21:11:34
|
|
|
6楼2017-05-26 05:53:50
|
|













回复此楼

