24小时热门版块排行榜    

查看: 258  |  回复: 0

chunxiaotea

新虫 (初入文坛)

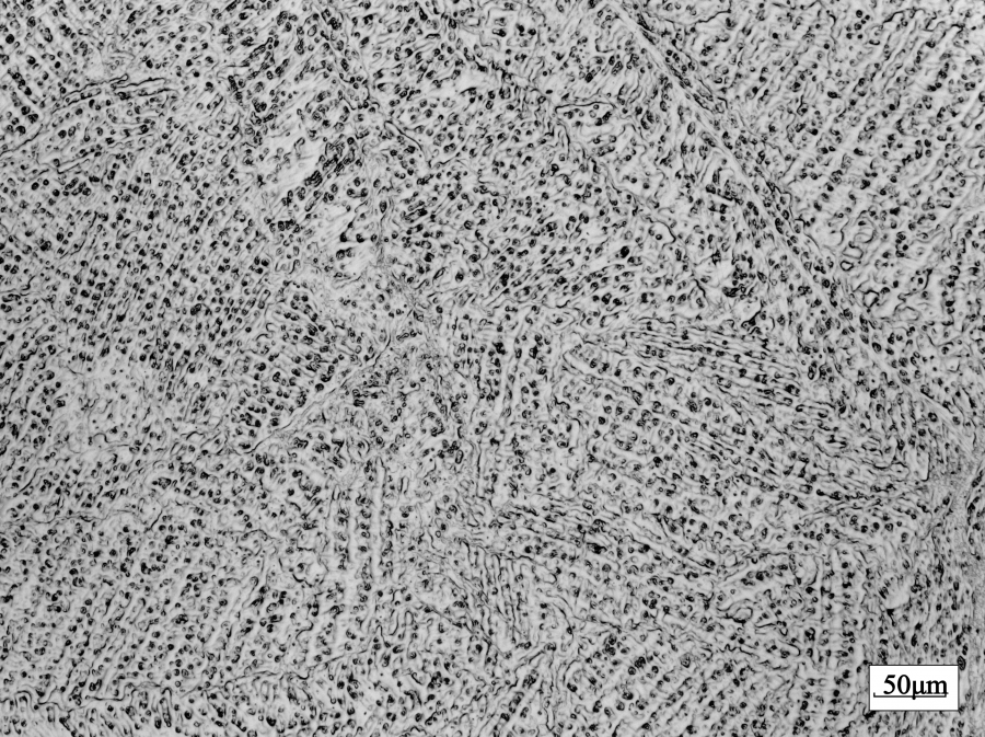
[求助] 镁合金金相组织表面出现类似结晶物

镁合金6mm轧制板材金相组织表面肉眼可见结晶状物质,请大牛确定一下这是不是是所谓的羽毛晶,谢谢

镁合金金相组织表面出现类似结晶物
E-ND-RD-200-1-0123.jpg


镁合金金相组织表面出现类似结晶物-1
F-ND-TD-200-2-0123.jpg
回复此楼

» 猜你喜欢

已阅   回复此楼   关注TA 给TA发消息 送TA红花 TA的回帖
相关版块跳转 我要订阅楼主 chunxiaotea 的主题更新
最具人气热帖推荐 [查看全部] 作者 回/看 最后发表
[考研] 材料与化工专硕调剂 +3 heming3743 2026-03-16 3/150 2026-03-16 15:05 by peike
[考研] 0703化学调剂 290分有科研经历,论文在投 +7 腻腻gk 2026-03-14 7/350 2026-03-16 10:12 by houyaoxu
[考研] 344求调剂 +3 knight344 2026-03-16 3/150 2026-03-16 09:42 by 无际的草原
[考博] 欢迎申博同学联系 +3 天道酬勤2026686 2026-03-10 7/350 2026-03-15 19:03 by 天道酬勤2026686
[考研] 26考研一志愿中国石油大学(华东)305分求调剂 +3 嘉年新程 2026-03-15 3/150 2026-03-15 13:58 by 哈哈哈哈嘿嘿嘿
[考研] 080500,材料学硕302分求调剂学校 +4 初识可乐 2026-03-14 5/250 2026-03-14 21:08 by peike
[考研] 一志愿湖师大化学289求调剂 +6 XMCMM3.14159 2026-03-10 6/300 2026-03-14 00:28 by JourneyLucky
[考研] 26考研调剂 +3 ying123. 2026-03-10 3/150 2026-03-14 00:18 by JourneyLucky
[考研] 304求调剂 +6 Mochaaaa 2026-03-12 7/350 2026-03-13 22:18 by 星空星月
[考研] 308求调剂 +5 是Lupa啊 2026-03-11 5/250 2026-03-13 22:13 by JourneyLucky
[考研] 26调剂/材料/英一数二/总分289/已过A区线 +6 步川酷紫123 2026-03-13 6/300 2026-03-13 21:59 by 星空星月
[考研] 求调剂 +5 一定有学上- 2026-03-12 5/250 2026-03-13 18:31 by ms629
[考研] 295求调剂 +3 小匕仔汁 2026-03-12 3/150 2026-03-13 15:17 by vgtyfty
[考研] 土木第一志愿276求调剂,科研和技能十分丰富,求新兴方向的导师收留 +3 土木小天才 2026-03-12 3/150 2026-03-13 15:01 by JourneyLucky
[考研] 277求调剂 +4 anchor17 2026-03-12 4/200 2026-03-13 11:15 by 白夜悠长
[考研] 296求调剂 +3 大口吃饭 身体健 2026-03-13 3/150 2026-03-13 10:31 by 学员8dgXkO
[考研] 290求调剂 +3 ADT 2026-03-13 3/150 2026-03-13 10:19 by peike
[考研] 283求调剂,材料、化工皆可 +8 苏打水7777 2026-03-11 10/500 2026-03-13 09:06 by Linda Hu
[考研] 298求调剂 +3 Vv呀! 2026-03-10 3/150 2026-03-10 22:40 by 剑诗杜康
[考研] 求调剂材料专硕293 +6 段_(:з」∠)_ 2026-03-10 6/300 2026-03-10 18:22 by ms629
信息提示
请填处理意见