| 查看: 2167 | 回复: 16 | |||
sun317新虫 (小有名气)
|
[求助]
拉伸断口判断断裂类型 已有6人参与
|
||
|
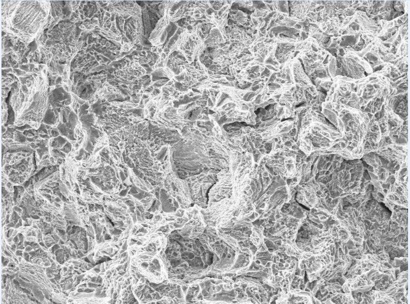
拉伸后的断口放大不同倍数的SEM图片,不知道是什么类型的断裂,求助! 1U}8{IVD{HT(21HGC3Y{X40.jpg 6`DSH4RXIDPOK$CKSZKWQSG.jpg FG7PHF@Q{M0LYA]`P7HXZDB.jpg@wacky1980@comma |
» 猜你喜欢
带资进组求博导收留
已经有14人回复
求个博导看看
已经有18人回复
自荐读博
已经有6人回复
投稿Elsevier的杂志(返修),总是在选择OA和subscription界面被踢皮球
已经有5人回复
青基代表作,AAAI之类的A会的special track在国内认可度高吗?还是归为workshop之流?
已经有3人回复
上海工程技术大学【激光智能制造】课题组招收硕士
已经有6人回复
上海工程技术大学张培磊教授团队招收博士生
已经有4人回复
求助院士们,这个如何合成呀
已经有4人回复
临港实验室与上科大联培博士招生1名
已经有9人回复
写了一篇“相变储能技术在冷库中应用”的论文,论文内容以实验为主,投什么期刊合适?
已经有6人回复
» 本主题相关价值贴推荐,对您同样有帮助:
高温拉伸断裂方式分析
已经有9人回复
|
本帖内容被屏蔽 |
9楼2017-01-17 08:04:00
sun317
新虫 (小有名气)
- 应助: 1 (幼儿园)
- 金币: 1697.7
- 散金: 65
- 帖子: 133
- 在线: 72.8小时
- 虫号: 3113896
- 注册: 2014-04-04
- 性别: MM
- 专业: 金属结构材料
6楼2017-01-16 17:09:53
zhangbei_607
新虫 (正式写手)
- 应助: 0 (幼儿园)
- 金币: 1442.3
- 红花: 8
- 帖子: 500
- 在线: 60.9小时
- 虫号: 3287990
- 注册: 2014-06-23
- 专业: 零件加工制造
2楼2017-01-16 16:04:21
zhangbei_607
新虫 (正式写手)
- 应助: 0 (幼儿园)
- 金币: 1442.3
- 红花: 8
- 帖子: 500
- 在线: 60.9小时
- 虫号: 3287990
- 注册: 2014-06-23
- 专业: 零件加工制造
3楼2017-01-16 16:05:35
4楼2017-01-16 17:02:10
sun317
新虫 (小有名气)
- 应助: 1 (幼儿园)
- 金币: 1697.7
- 散金: 65
- 帖子: 133
- 在线: 72.8小时
- 虫号: 3113896
- 注册: 2014-04-04
- 性别: MM
- 专业: 金属结构材料
5楼2017-01-16 17:09:14
修羽
铁杆木虫 (职业作家)
小木虫大神级管理员
- 应助: 55 (初中生)
- 金币: 6649.3
- 散金: 8
- 红花: 8
- 沙发: 67
- 帖子: 4018
- 在线: 315小时
- 虫号: 946439
- 注册: 2010-01-21
- 性别: GG
- 专业: 金属材料的合金相、相变及

7楼2017-01-16 17:10:06
sun317
新虫 (小有名气)
- 应助: 1 (幼儿园)
- 金币: 1697.7
- 散金: 65
- 帖子: 133
- 在线: 72.8小时
- 虫号: 3113896
- 注册: 2014-04-04
- 性别: MM
- 专业: 金属结构材料
8楼2017-01-16 17:15:07
qjn123
新虫 (正式写手)
- 应助: 0 (幼儿园)
- 金币: 1986.2
- 散金: 853
- 红花: 1
- 沙发: 1
- 帖子: 429
- 在线: 335.5小时
- 虫号: 1916643
- 注册: 2012-07-30
- 性别: GG
- 专业: 机械工程

10楼2017-01-17 10:31:39







回复此楼