| ²é¿´: 5909 | »Ø¸´: 16 | ||
zheng712003Ìú¸Ëľ³æ (ÖøÃûдÊÖ)
|
[ÇóÖú]
Ñǹ²Îö¸Ö´ã»ð×éÖ¯·ÖÎö ÒÑÓÐ3È˲ÎÓë
|
|
|
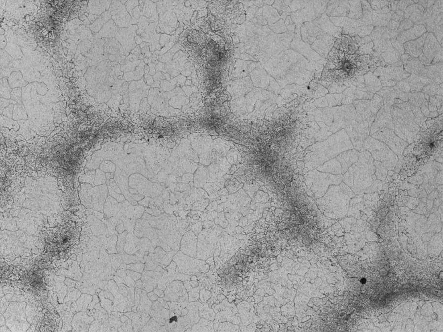
×î½ü×öÁËÒ»ÅúÑùÆ·£¬Ñǹ²Îö¸Ö£¬ÓÍ´ã´ã»ðµÃµ½ÈçÏÂ×éÖ¯¡£ÓÐЩÑùÆ·³öÏÖÈçͼ1ËùʾСȦȦÃܼ¯Çø£¬ÕâЩ¶«Î÷·Ö²¼Ã²ËÆÕÒ²»³öÌØ±ðµÄ¹æÂÉ£¬·Å´óºó¿É·¢ÏÖÔÚ¾§½çºÍ¾§Á£ÄÚ²¿¶¼´æÔÚ¡£Óë½ðÏàͼÆ×±È¶ÔÀàËÆµÄ×éÖ¯¿ÉÄÜÊÇÖé¹âÌå£¬ÉøÌ¼Ì壿»òÕßÊÇ̼»¯ÎÓÐûÓÐÊìϤµÄ´óÉñ°ïæ¿´¿´£¬Ð»Ð»£¡ 1.jpg 2.jpg 3.jpg@wacky1980 |
» ²ÂÄãϲ»¶
280·ÖÇóµ÷¼Á Ò»Ö¾Ô¸085802
ÒѾÓÐ6È˻ظ´
0854µç×ÓÐÅÏ¢Çóµ÷¼Á
ÒѾÓÐ3È˻ظ´
263Çóµ÷¼Á
ÒѾÓÐ4È˻ظ´
ʯºÓ×Ó´óѧ£¨211¡¢Ë«Ò»Á÷£©Ë¶²©Ñо¿Éú³¤ÆÚÕÐÉú¹«¸æ
ÒѾÓÐ3È˻ظ´
Ò»Ö¾Ô¸Î÷°²½»Í¨´óѧ²ÄÁϹ¤³Ìרҵ 282·ÖÇóµ÷¼Á
ÒѾÓÐ13È˻ظ´
±±¿Æ281ѧ˶²ÄÁÏÇóµ÷¼Á
ÒѾÓÐ6È˻ظ´
328Çóµ÷¼Á£¬Ó¢ÓïÁù¼¶551£¬ÓпÆÑоÀú
ÒѾÓÐ10È˻ظ´
298Çóµ÷¼Á
ÒѾÓÐ6È˻ظ´
310Çóµ÷¼Á
ÒѾÓÐ4È˻ظ´
311Çóµ÷¼Á
ÒѾÓÐ6È˻ظ´

¡¶²ÝԵķ硷
ÖÁ×ðľ³æ (Ö°Òµ×÷¼Ò)
- Ó¦Öú: 854 (²©ºó)
- ½ð±Ò: 17353.8
- ºì»¨: 102
- Ìû×Ó: 3287
- ÔÚÏß: 961.1Сʱ
- ³æºÅ: 2536060
- ×¢²á: 2013-07-07
- ÐÔ±ð: GG
- רҵ: ½ðÊô½á¹¹²ÄÁÏ

10Â¥2017-03-24 23:10:45
ǧ±¾¾°ÑÏ
гæ (³õÈëÎÄ̳)
- Ó¦Öú: 1 (Ó×¶ùÔ°)
- ½ð±Ò: 196.6
- ºì»¨: 1
- Ìû×Ó: 19
- ÔÚÏß: 9.2Сʱ
- ³æºÅ: 6131932
- ×¢²á: 2017-03-24
- רҵ: ½ðÊô²ÄÁϵÄ΢¹Û½á¹¹
11Â¥2017-03-25 07:40:50
¡¶²ÝԵķ硷
ÖÁ×ðľ³æ (Ö°Òµ×÷¼Ò)
- Ó¦Öú: 854 (²©ºó)
- ½ð±Ò: 17353.8
- ºì»¨: 102
- Ìû×Ó: 3287
- ÔÚÏß: 961.1Сʱ
- ³æºÅ: 2536060
- ×¢²á: 2013-07-07
- ÐÔ±ð: GG
- רҵ: ½ðÊô½á¹¹²ÄÁÏ

2Â¥2017-01-05 20:19:59
iwukexin
гæ (ÕýʽдÊÖ)
- Ó¦Öú: 28 (СѧÉú)
- ½ð±Ò: 3255
- ºì»¨: 1
- Ìû×Ó: 472
- ÔÚÏß: 54.1Сʱ
- ³æºÅ: 2163411
- ×¢²á: 2012-12-03
- ÐÔ±ð: GG
- רҵ: ½ðÊô²ÄÁϵÄÁ¦Ñ§ÐÐΪ
3Â¥2017-01-05 21:50:53
zheng712003
Ìú¸Ëľ³æ (ÖøÃûдÊÖ)
- Ó¦Öú: 115 (¸ßÖÐÉú)
- ½ð±Ò: 11612.6
- ºì»¨: 16
- Ìû×Ó: 1829
- ÔÚÏß: 261.2Сʱ
- ³æºÅ: 1273153
- ×¢²á: 2011-04-21
- ÐÔ±ð: GG
- רҵ: ½ðÊô²ÄÁϵÄÄ¥ËðÓëĥʴ

4Â¥2017-01-05 23:17:41
zheng712003
Ìú¸Ëľ³æ (ÖøÃûдÊÖ)
- Ó¦Öú: 115 (¸ßÖÐÉú)
- ½ð±Ò: 11612.6
- ºì»¨: 16
- Ìû×Ó: 1829
- ÔÚÏß: 261.2Сʱ
- ³æºÅ: 1273153
- ×¢²á: 2011-04-21
- ÐÔ±ð: GG
- רҵ: ½ðÊô²ÄÁϵÄÄ¥ËðÓëĥʴ

5Â¥2017-01-05 23:19:23
zheng712003
Ìú¸Ëľ³æ (ÖøÃûдÊÖ)
- Ó¦Öú: 115 (¸ßÖÐÉú)
- ½ð±Ò: 11612.6
- ºì»¨: 16
- Ìû×Ó: 1829
- ÔÚÏß: 261.2Сʱ
- ³æºÅ: 1273153
- ×¢²á: 2011-04-21
- ÐÔ±ð: GG
- רҵ: ½ðÊô²ÄÁϵÄÄ¥ËðÓëĥʴ

6Â¥2017-01-06 14:24:20
sxy8989
гæ (³õÈëÎÄ̳)
- Ó¦Öú: 2 (Ó×¶ùÔ°)
- ½ð±Ò: 42.2
- Ìû×Ó: 4
- ÔÚÏß: 43·ÖÖÓ
- ³æºÅ: 1943650
- ×¢²á: 2012-08-17
- רҵ: ½ðÊô²ÄÁϵÄ΢¹Û½á¹¹
ÄãÃÇÊÇÈçºÎ·Ö±æÁ£×´±´ÊÏÌåºÍ̼»¯ÎïµÄ£¿ÎÒ¾õµÃ¶¼ÊÇÒ»¸öÒ»¸öµÄСȦȦ°¡·¢×ÔСľ³æIOS¿Í»§¶Ë |
7Â¥2017-01-10 14:17:13
ÌìÌìÅ£niu
гæ (³õÈëÎÄ̳)
- Ó¦Öú: 0 (Ó×¶ùÔ°)
- ½ð±Ò: 11.5
- Ìû×Ó: 2
- ÔÚÏß: 1.5Сʱ
- ³æºÅ: 2106695
- ×¢²á: 2012-11-04
- רҵ: ½ðÊô²ÄÁϵĺϽðÏà¡¢Ïà±ä¼°
8Â¥2017-01-10 19:35:27
ÝóÝç²Ô²ÔLJ
гæ (СÓÐÃûÆø)
- Ó¦Öú: 0 (Ó×¶ùÔ°)
- ½ð±Ò: 462.1
- Ìû×Ó: 53
- ÔÚÏß: 29.9Сʱ
- ³æºÅ: 4193710
- ×¢²á: 2015-11-03
- רҵ: ½ðÊô²ÄÁÏ
9Â¥2017-03-23 22:29:35













»Ø¸´´ËÂ¥
ÄãÃÇÊÇÈçºÎ·Ö±æÁ£×´±´ÊÏÌåºÍ̼»¯ÎïµÄ£¿ÎÒ¾õµÃ¶¼ÊÇÒ»¸öÒ»¸öµÄСȦȦ°¡