| ²é¿´: 1247 | »Ø¸´: 7 | ||
ÅÊÎ÷Ñô¹âгæ (ÖøÃûдÊÖ)
|
[ÇóÖú]
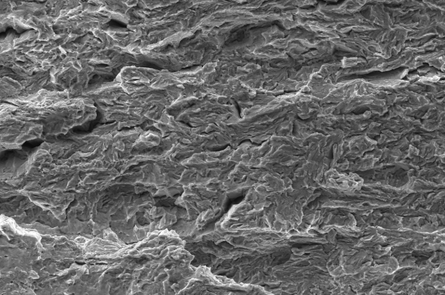
¸ßÇ¿¸Ö ÂýÀÉì SEM ¶Ï¿Ú·ÖÎö ÒÑÓÐ1È˲ÎÓë
|
|
´ó¼ÒºÃ£¬ÎÒÕâÀïÓÐÒ»ÕŸßÇ¿¸Ö¶Ï¿ÚµÄSEMÕÕÆ¬£¬Çó´ó¼Ò°ïÎÒ¿´¿´ÊÇʲôÀàÐ͵ĶÏÁÑ»úÖÆ¡£ÎÒ¸öÈ˸оõÏñ½âÀí£¬µ«ºÓÁ÷»¨Ñù²»Ã÷ÏÔ¡£ÇóÖ¸µ¼£¬Ð»Ð»´ó¼Ò£¡ SEM.PNG |
» ²ÂÄãϲ»¶
¸´ÊÔµ÷¼Á
ÒѾÓÐ14È˻ظ´
»¯Ñ§070300 Çóµ÷¼Á
ÒѾÓÐ5È˻ظ´
Ò»Ö¾Ô¸085502£¬267·ÖÇóµ÷¼Á
ÒѾÓÐ13È˻ظ´
277Çóµ÷¼Á
ÒѾÓÐ22È˻ظ´
268·Ö085602»¯Ñ§¹¤³Ìµ÷¼Á
ÒѾÓÐ29È˻ظ´
ÉúÎïѧ308Çóµ÷¼Á
ÒѾÓÐ5È˻ظ´
Ò»Ö¾Ô¸¹þ¹¤´ó 085600 277 12²Ä¿Æ»ùÇóµ÷¼Á
ÒѾÓÐ29È˻ظ´
2±¾£¬³õÊÔ303£¬0860Çóµ÷¼Á
ÒѾÓÐ8È˻ظ´
279ѧ˶ʳƷרҵÇóµ÷¼ÁԺУ
ÒѾÓÐ16È˻ظ´
²ÄÁϹ¤³Ì085601£¬270Çóµ÷¼Á
ÒѾÓÐ34È˻ظ´
ywslx
ÖÁ×ðľ³æ (ÖøÃûдÊÖ)
- Ó¦Öú: 2 (Ó×¶ùÔ°)
- ½ð±Ò: 10750.4
- Ìû×Ó: 1937
- ÔÚÏß: 369.7Сʱ
- ³æºÅ: 507643
- ×¢²á: 2008-02-19
- רҵ: ¹ÌÌåÁ¦Ñ§
2Â¥2016-12-24 06:17:38
laoguo10086
гæ (³õÈëÎÄ̳)
- Ó¦Öú: 3 (Ó×¶ùÔ°)
- ½ð±Ò: 146.1
- ºì»¨: 1
- Ìû×Ó: 39
- ÔÚÏß: 94.1Сʱ
- ³æºÅ: 2787657
- ×¢²á: 2013-11-08
- רҵ: ½ðÊô²ÄÁϱíÃæ¿ÆÑ§Ó빤³Ì
3Â¥2016-12-24 07:51:28
ÔÂÉ«ÂóÌï
Ìú³æ (³õÈëÎÄ̳)
- Ó¦Öú: 2 (Ó×¶ùÔ°)
- ½ð±Ò: 217.5
- Ìû×Ó: 6
- ÔÚÏß: 1.7Сʱ
- ³æºÅ: 2433169
- ×¢²á: 2013-04-23
- רҵ: ½ðÊô²ÄÁϵĺϽðÏà¡¢Ïà±ä¼°
4Â¥2016-12-26 11:36:48
ÅÊÎ÷Ñô¹â
гæ (ÖøÃûдÊÖ)
- Ó¦Öú: 14 (СѧÉú)
- ½ð±Ò: 19122.7
- É¢½ð: 257
- ºì»¨: 9
- Ìû×Ó: 2127
- ÔÚÏß: 633.9Сʱ
- ³æºÅ: 1955843
- ×¢²á: 2012-08-25
- רҵ: ½ðÊô½á¹¹²ÄÁÏ
5Â¥2016-12-26 18:51:01
ywslx
ÖÁ×ðľ³æ (ÖøÃûдÊÖ)
- Ó¦Öú: 2 (Ó×¶ùÔ°)
- ½ð±Ò: 10750.4
- Ìû×Ó: 1937
- ÔÚÏß: 369.7Сʱ
- ³æºÅ: 507643
- ×¢²á: 2008-02-19
- רҵ: ¹ÌÌåÁ¦Ñ§
6Â¥2016-12-27 03:28:32
ÅÊÎ÷Ñô¹â
гæ (ÖøÃûдÊÖ)
- Ó¦Öú: 14 (СѧÉú)
- ½ð±Ò: 19122.7
- É¢½ð: 257
- ºì»¨: 9
- Ìû×Ó: 2127
- ÔÚÏß: 633.9Сʱ
- ³æºÅ: 1955843
- ×¢²á: 2012-08-25
- רҵ: ½ðÊô½á¹¹²ÄÁÏ
7Â¥2016-12-27 16:39:08
sangxianxian
ͳæ (ÕýʽдÊÖ)
- Ó¦Öú: 39 (СѧÉú)
- ½ð±Ò: 2304
- ºì»¨: 6
- Ìû×Ó: 544
- ÔÚÏß: 93.2Сʱ
- ³æºÅ: 3292843
- ×¢²á: 2014-06-26
- ÐÔ±ð: GG
- רҵ: ½ðÊô²ÄÁϵÄ΢¹Û½á¹¹
8Â¥2016-12-27 20:29:52













»Ø¸´´ËÂ¥