| ²é¿´: 3349 | »Ø¸´: 18 | ||
qwerzhuÌú³æ (³õÈëÎÄ̳)
|
[ÇóÖú]
¶Ï¿Ú·ÖÎö ÒÑÓÐ5È˲ÎÓë
|
|
|
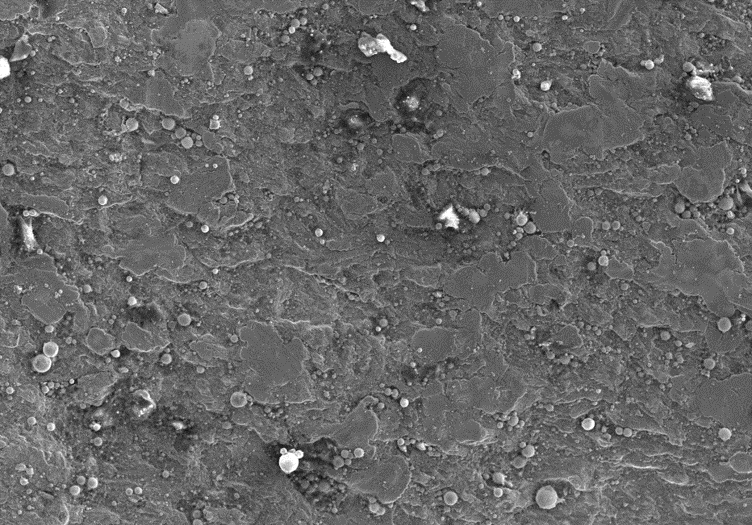
²ÄÁÏ2cr13²»Ðâ¸Ö ÔÚNaclÈÜÒºÖÐÆ£ÀÍʵÑé ¶Ï¿ÚSEMͼƬ Çó½Ì´óÉñÖ¸µãһϠºóÐø·ÖÎö ¶àл¶àл ͼƬ11.png ͼƬ12.png ͼƬ13.png ͼƬ14.png ͼƬ15.png ͼƬ16.png |
» ²ÂÄãϲ»¶
»¯¹¤Ñ§Ë¶294·Ö£¬Çóµ¼Ê¦ÊÕÁô
ÒѾÓÐ11È˻ظ´
Ò»Ö¾Ô¸°²´óÉúÎïѧ07³õÊÔ322¡¢±¾¿Æ¶þ±¾¡¢µ÷¼ÁÇóÖú
ÒѾÓÐ11È˻ظ´
»¯Ñ§070300 Çóµ÷¼Á
ÒѾÓÐ13È˻ظ´
ʳƷÓëÓªÑø£¨0955£©271Çóµ÷¼Á
ÒѾÓÐ7È˻ظ´
085600²ÄÁÏÓ뻯¹¤349·ÖÇóµ÷¼Á
ÒѾÓÐ9È˻ظ´
Ò»Ö¾Ô¸ÖÐÄÏ´óѧ 0855 »úе 286 Çóµ÷¼Á
ÒѾÓÐ10È˻ظ´
²ÄÁÏ¿¼Ñе÷¼Á
ÒѾÓÐ29È˻ظ´
297¹¤¿Æ£¬Çóµ÷¼Á?
ÒѾÓÐ10È˻ظ´
211±¾¿Æ²ÄÁÏ»¯¹¤Çóµ÷¼Á
ÒѾÓÐ19È˻ظ´
0831Ò»ÂÖµ÷¼Áʧ°ÜÇóÖú
ÒѾÓÐ10È˻ظ´
» ±¾Ö÷ÌâÏà¹ØÉ̼ÒÍÆ¼ö: (ÎÒÒ²ÒªÔÚÕâÀïÍÆ¹ã)
peerdeer
гæ (СÓÐÃûÆø)
- Ó¦Öú: 3 (Ó×¶ùÔ°)
- ½ð±Ò: 4
- Ìû×Ó: 120
- ÔÚÏß: 53Сʱ
- ³æºÅ: 101543
- ×¢²á: 2005-11-13
- ÐÔ±ð: MM
- רҵ: ¹ÌÌåÁ¦Ñ§
¡¾´ð°¸¡¿Ó¦Öú»ØÌû
¡ï ¡ï ¡ï ¡ï ¡ï
¸Ðл²ÎÓ룬ӦÖúÖ¸Êý +1
qwerzhu: ½ð±Ò+5 2016-12-11 19:33:35
¸Ðл²ÎÓ룬ӦÖúÖ¸Êý +1
qwerzhu: ½ð±Ò+5 2016-12-11 19:33:35
|
´ÓµÚ1/2ÕÕÆ¬À´¿´Æ½¶Ï¿Ú£¬ÎÞÃ÷ÏÔÈÍÎÑ£¬Êô´àÐÔ¶ÏÁÑ£¬ÁÑÎÆÀ©Õ¹ËٶȽϿ졣´ÓµÚ3À´¿´£¬ÑùÆ·ÖÊÁ¿½Ï²î£¬ÄÚ²¿ÓÐ΢ÁÑÎÆ¡££¬´ÓºóÃæÀ´¿´£¬ÄÚ²¿ÓÐ΢¿×£¬±íÃæ°×ÁÁÎïÊÇÆ£ÀÍÊÔÑé¹ý³ÌÖдÓÊÔÑù¶Ï¿ÚµôÏÂÀ´µÄ΢Á££¬»òÕßÊÇÍⲿÎÛȾÎï¡£ ´ËÍ⣬ÕâЩÕÕÆ¬²»È«£¬Æ£ÀÍÊÔÑùδ¼ûÃ÷ÏÔºÓÁ÷»¨Ñù£¬ÁÑÎÆÐκËÇø(ÆðÊ¼Çø)ÓÐûÓÐÕÒµ½£¿À©Õ¹Çø£¬¶ÏÁÑÇøÒªÕÒ³öÀ´¡£ ²ÄÁÏÌ«´à£¬¸Ð¾õÏñ·Ûĩұ½ðÖÆ×÷¡£ |
7Â¥2016-12-07 12:06:44
qwerzhu
Ìú³æ (³õÈëÎÄ̳)
- Ó¦Öú: 0 (Ó×¶ùÔ°)
- Ìû×Ó: 19
- ÔÚÏß: 8.6Сʱ
- ³æºÅ: 4113295
- ×¢²á: 2015-09-30
- רҵ: »úеĦ²ÁѧÓë±íÃæ¼¼Êõ
4Â¥2016-12-06 19:54:08
qwerzhu
Ìú³æ (³õÈëÎÄ̳)
- Ó¦Öú: 0 (Ó×¶ùÔ°)
- Ìû×Ó: 19
- ÔÚÏß: 8.6Сʱ
- ³æºÅ: 4113295
- ×¢²á: 2015-09-30
- רҵ: »úеĦ²ÁѧÓë±íÃæ¼¼Êõ
5Â¥2016-12-06 19:55:51
ʽ΢ʯͷ
ľ³æ (ÕýʽдÊÖ)
°®Ð¡Ä¾³æ
- Ó¦Öú: 7 (Ó×¶ùÔ°)
- ½ð±Ò: 2609.4
- É¢½ð: 30
- ºì»¨: 3
- Ìû×Ó: 352
- ÔÚÏß: 66.5Сʱ
- ³æºÅ: 1952669
- ×¢²á: 2012-08-23
- ÐÔ±ð: GG
- רҵ: ½ðÊô»ù¸´ºÏ²ÄÁÏ
¡¾´ð°¸¡¿Ó¦Öú»ØÌû
¡ï ¡ï ¡ï ¡ï ¡ï ¡ï ¡ï ¡ï ¡ï ¡ï ¡ï
¸Ðл²ÎÓ룬ӦÖúÖ¸Êý +1
qwerzhu: ½ð±Ò+7 2016-12-11 19:33:45
qwerzhu: ½ð±Ò+4 2016-12-11 19:34:11
¸Ðл²ÎÓ룬ӦÖúÖ¸Êý +1
qwerzhu: ½ð±Ò+7 2016-12-11 19:33:45
qwerzhu: ½ð±Ò+4 2016-12-11 19:34:11
| ÎҸоõ²»ÏñÊÇÈÍÐÔ¶ÏÁÑ ´ÓµÚËÄÕŵÄͼƬÀ´¿´£¬ÊǺÓÁ÷×´µÄ½âÀí¶ÏÁÑ£¬µÚÎåÕÅÀ´¿´ºÜÏñÊÇ´àÐÔ¶ÏÁÑ£¬µÚÁùÕÅ£¬Ò²¾ÍÊÇ×îºóÒ»ÕÅ£¬Í¼Æ¬ÏÔʾÓи¯Ê´ºÛ¼££¬×ÛºÏÕ⼸ÕÅÀ´¿´µÄ»°£¬Ó¦¸ÃÊǸ¯Ê´±íÃæ³öÏÖȱÏÝ£¬Ó¦Á¦×´Ì¬Ïµ¼ÖµĴàÐÔ¶ÏÁÑ£»µ«ÊÇÎÒ²»Ã÷°×ÌâÖ÷ǰ¼¸ÕÅͼƬÖоù³öÏֵĹæÔòÔ²ÐεÄÇò×´ÎïÊÇʲô£¬¸ù¾ÝÎÒ×Ô¼ºµÄÀí½âÀ´µÄ»°£¬Õâ¸öʵÑéÓ¦¸Ã²»ÊǶÏÁÑÖ®ºóÁ¢¼´×öµÄ¶Ï¿ÚɨÃ裬ÊDz»ÊǶÏÁÑÖ®ºó¹ýÁ˱Ƚϳ¤µÄʱ¼äÓÐ×öµÄɨÃè·ÖÎö£¬ÕâÑùµÄ»°£¬³öÏÖÁËÑõ»¯Î¶Ô·ÖÎöÅжÏÓÐÀ§ÄÑ |

14Â¥2016-12-08 10:33:11
ywslx
ÖÁ×ðľ³æ (ÖøÃûдÊÖ)
- Ó¦Öú: 2 (Ó×¶ùÔ°)
- ½ð±Ò: 10750.4
- Ìû×Ó: 1937
- ÔÚÏß: 369.7Сʱ
- ³æºÅ: 507643
- ×¢²á: 2008-02-19
- רҵ: ¹ÌÌåÁ¦Ñ§
2Â¥2016-12-05 19:10:54
738970604
ľ³æ (ÕýʽдÊÖ)
- Ó¦Öú: 0 (Ó×¶ùÔ°)
- ½ð±Ò: 2153.8
- Ìû×Ó: 445
- ÔÚÏß: 165Сʱ
- ³æºÅ: 2587677
- ×¢²á: 2013-08-08
- ÐÔ±ð: GG
- רҵ: ½ðÊô½á¹¹²ÄÁÏ
|
ÓеڶþÏàÁ£×ÓÎü³ö£¬³öÏÖÁÑÎÆ£¬ÈÍÐÔ¶ÏÁÑ£¡×îºÃÔÚÓÐÁÑÎÆºÍÌØÕ÷ÇøÓòÇøÓòѡһ¸öÌØÕ÷µã£¬²â³É·Ö½øÐÐÏêϸ·ÖÎö ·¢×ÔСľ³æIOS¿Í»§¶Ë |

3Â¥2016-12-05 21:27:03
laoguo10086
гæ (³õÈëÎÄ̳)
- Ó¦Öú: 3 (Ó×¶ùÔ°)
- ½ð±Ò: 146.1
- ºì»¨: 1
- Ìû×Ó: 39
- ÔÚÏß: 94.1Сʱ
- ³æºÅ: 2787657
- ×¢²á: 2013-11-08
- רҵ: ½ðÊô²ÄÁϱíÃæ¿ÆÑ§Ó빤³Ì
6Â¥2016-12-07 10:11:56
qwerzhu
Ìú³æ (³õÈëÎÄ̳)
- Ó¦Öú: 0 (Ó×¶ùÔ°)
- Ìû×Ó: 19
- ÔÚÏß: 8.6Сʱ
- ³æºÅ: 4113295
- ×¢²á: 2015-09-30
- רҵ: »úеĦ²ÁѧÓë±íÃæ¼¼Êõ
8Â¥2016-12-08 09:25:57
qwerzhu
Ìú³æ (³õÈëÎÄ̳)
- Ó¦Öú: 0 (Ó×¶ùÔ°)
- Ìû×Ó: 19
- ÔÚÏß: 8.6Сʱ
- ³æºÅ: 4113295
- ×¢²á: 2015-09-30
- רҵ: »úеĦ²ÁѧÓë±íÃæ¼¼Êõ
9Â¥2016-12-08 09:29:24
chshch472
Òø³æ (СÓÐÃûÆø)
- Ó¦Öú: 31 (СѧÉú)
- ½ð±Ò: 336.7
- ºì»¨: 8
- Ìû×Ó: 159
- ÔÚÏß: 30.8Сʱ
- ³æºÅ: 3386352
- ×¢²á: 2014-08-28
- ÐÔ±ð: GG
- רҵ: ºË¼¼Êõ¼°ÆäÓ¦ÓÃ
¡¾´ð°¸¡¿Ó¦Öú»ØÌû
¡ï ¡ï ¡ï ¡ï
¸Ðл²ÎÓ룬ӦÖúÖ¸Êý +1
qwerzhu: ½ð±Ò+4 2016-12-11 19:34:00
¸Ðл²ÎÓ룬ӦÖúÖ¸Êý +1
qwerzhu: ½ð±Ò+4 2016-12-11 19:34:00
|
ÄÇô¶àÆ½Ãæ£¬Ó¦¸ÃËãÊÇ´àÐԵĽâÀí¶ÏÁѰɡ£ °×É«¿ÅÁ£¿ÉÄÜÊdzõʼÑùÆ·ÖеļÐÔÓÎҲ¿ÉÄÜÊÇÎö³öÎï¡£ ΢ÁÑÎÆÒ²¿ÉÄÜÊdzõʼÑùÆ·¾Í¾Í´æÔڵģ¬Õâ¸ö²»¼ûµÃ¾ÍÊǸ¯Ê´²úÉúµÄ¡£ »¹ÓÐÄãÕâЩͼµÄÈ¡ÑùλÖÃÊDZßÔµ»¹ÊÇÖм䣬¶¼»áÓ°ÏìÄã×îºóµÄ½áÂÛ¡£ ×Ô¼ºÓë³õʼ²Î±ÈÑùÆ·×ö¸ö¶Ô±È£¬È»ºó¿´ÔõôϽáÂÛ¡£ |
10Â¥2016-12-08 09:49:41













»Ø¸´´ËÂ¥
20